Запчасти Case 780 (250) - MODEL 400 AIR COMPRESSOR (07) - BRAKES

Схема запчастей Case 780 - (250) - MODEL 400 AIR COMPRESSOR (07) - BRAKES
FIT
1:1
100%

Артикул

Название

Примечание

Количество

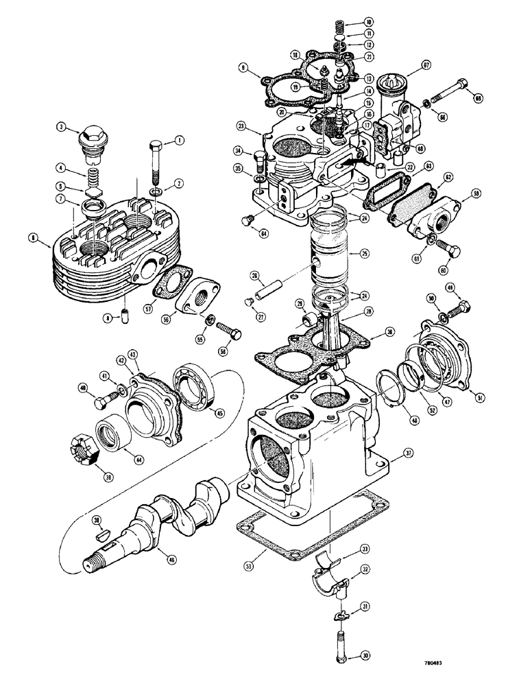
L79411

COMPRESSOR

ASSEMBLY - model 400, Includes: Ref. 1 - 68

1шт.

Ref L79411 compressor assy - This subs to

1шт.

L109543 compressor and B17501 gasket maker. The L109543 is no longer a serviceable part but you can use L109544 compressor in its place (must rotate the head on L109544 by 180 degrees so that both the inlet and outlet ports are on the same side).

1шт.

1

13-536

BOLT,Hex, 5/16" - 18 x 2-1/4", Gr 5

8шт.

2

L32917

WASHER

- special

8шт.

L32899

CYLINDER

DISCHARGE VALVE AND HEAD ASSEMBLY - cylinder, Includes: Ref. 3 - 8

1шт.

3

L32916

CYLINDER END CAP

CAP - discharge valve

2шт.

4

L31451

SPRING

- valve

2шт.

5

L32915

LOCK VALVE

VALVE - discharge

2шт.

6

NSS

NOT SOLD SEPARAT

HEAD - cylinder

1шт.

7

L32909

SEAT

- discharge valve

2шт.

8

L32914

DOWEL

STOP - valve

2шт.

9

L32898

GASKET

- head to cylinder block

1шт.

10

L31442

SPRING

- inlet valve

2шт.

11

L31441

VALVE

- inlet

2шт.

12

L31440

GUIDE

- inlet valve

2шт.

L32880

CYLINDER

BLOCK ASSEMBLY - cylinder, Includes: Ref. 13 - 23

1шт.

13

L31409

GUIDE

- plunger

2шт.

14

L31408

PLUNGER

- unloader

2шт.

L31404

PISTON

ASSEMBLY - unloader, Includes: Ref. 15 - 17

2шт.

15

NSS

NOT SOLD SEPARAT

PISTON - unloader

1шт.

16

L31406

BACK-UP RING

- backup, unloader piston seal

1шт.

17

L31407

O-RING

O-RING

1шт.

18

L31412

SEAT

- spring, unloader

1шт.

19

L31413

SPRING

- unloader

1шт.

20

L32885

SADDLE

- spring, unloader

1шт.

L32881

BLOCK

- cylinder, Includes: Ref. 21 - 23

1шт.

21

L33173

SEAT

- inlet valve

2шт.

22

L33174

BUSHING

- cylinder block

2шт.

23

NSS

NOT SOLD SEPARAT

BODY - cylinder block

1шт.

24

L32910

RING

- piston, standard, 2.0625" (52.38 mm)

6-8шт.

24

L32911

RING

- piston, oversized, 2.0725" (52.64 mm)

6-8шт.

24

L32912

RING

- piston, oversized, 2.0825" (52.89 mm)

6-8шт.

24

L32913

RING

- piston, oversized, 2.0925" (53.15 mm)

6-8шт.

D80617

PISTON

AND WRIST PIN - standard, Includes: Ref. 25 - 27

2шт.

D80618

PIN

PISTON AND WRIST PIN - .010" oversized (0.254 mm), Includes: Ref. 25 - 27

2шт.

D80619

AXLE PIN

PISTON AND WRIST PIN - .020" oversized (0.508 mm), Includes: Ref. 25 - 27

2шт.

D80620

LARGE PIN

PISTON AND WRIST PIN - .030" oversize, (0.762 mm), Includes: Ref. 25 - 27

2шт.

25

NSS

NOT SOLD SEPARAT

PISTON - air compressor

1шт.

26

NSS

NOT SOLD SEPARAT

WRIST PIN - piston

1шт.

27

D80616

BUTTON

- wrist pin

2шт.

L32894

ROD

ASSEMBLY - standard, 1.1253" (29.58 mm), Includes: Ref. 28 - 33

2шт.

L32895

ROD, CONNECTING

ROD ASSEMBLY - undersized, 1.1153" (28.33 mm), Includes: Ref. 28 - 33

2шт.

L32896

ROD, CONNECTING

ROD ASSEMBLY - undersized, 1.1053" (28.07 mm), Includes: Ref. 28 - 33

2шт.

L32897

EXCHANGE CONROD

ROD ASSEMBLY - undersized, 1.0953" (27.82 mm), Includes: Ref. 28 - 33

2шт.

28

NSS

NOT SOLD SEPARAT

ROD - connecting

1шт.

29

NSS

NOT SOLD SEPARAT

BUSHING -wrist pin

1шт.

30

L31427

BOLT

BOLT - special, connecting rod

2шт.

31

L31426

LOCK WASHER

WASHER - special, connecting rod

2шт.

32

NSS

NOT SOLD SEPARAT

CAP - rod

1шт.

33

L33720

INSERT

KIT - bearing, L32894 rod

1шт.

33

L33721

RING

INSERT KIT - bearing, L32895 rod

1шт.

33

L33722

INSERT

KIT - bearing, L32896 rod

1шт.

33

L33723

KIT

INSERT KIT - bearing, L32897 rod

1шт.

34

113-288

BOLT - hex, 3/8" - 16 NC x 7/8"

6шт.

35

92-6

LOCK WASHER,3/8"

6шт.

36

D80609

GASKET

- cylinder, Serial Range: block-crankcase

1шт.

37

D80611

CRANKCASE

- air compressor

1шт.

38

25-1912

SLOTTED NUT,3/4"-16, G5, Thk

NUT - 3/4" - 16 NF

1шт.

part nbr N7683 nut (now subs to 131-1172 nut).

1шт.

Ref. 25-2312 nut - Replaced by (not a sub)

1шт.

39

126-216

WOODRUFF KEY,Hi-Pro, 1" Dia x 1/4" x 1 1/16"

KEY - Woodruff, special

1шт.

40

13-514

BOLT,Hex, 5/16" - 18 x 7/8", Gr 5

4шт.

41

192-110

LOCK WASHER,5/16"

WASHER - lock, 5/16"

4шт.

42

L32889

COVER ASSY

COVER - end, front

1шт.

43

L32888

GASKET

- cover, front end

1шт.

44

S94706

OIL SEAL

- oil, front cover

1шт.

45

L32887

BEARING

- ball

1шт.

46

L32886

CRANKSHAFT

- air compressor

1шт.

47

A57116

O-RING,2.612 mm ID x 2.818 mm OD x -H288 mm

1шт.

48

L31414

THRUST WASHER

WASHER - thrust, crankshaft

1шт.

49

13-512

BOLT,Hex, 5/16" - 18 x 3/4", Gr 5

4шт.

50

192-110

LOCK WASHER,5/16"

WASHER - lock, 5/16"

4шт.

D80612

COVER ASSY

COVER ASSEMBLY, Includes: Ref. 51 and 52

1шт.

51

NSS

NOT SOLD SEPARAT

COVER - rear crankcase

1шт.

52

L32824

BUSHING

- crankshaft 1.381" I.D. (35.08 mm)

1шт.

D80613

COVER

ASSEMBLY, Includes: Ref. 51 and 52

1шт.

51

NSS

NOT SOLD SEPARAT

COVER - rear crankcase

1шт.

52

L32825

BUSHING

- crankshaft, 1.371" I.D. (34.82 mm)

1шт.

D80614

REAR COVER

COVER ASSEMBLY, Includes: Ref. 51 and 52

1шт.

51

NSS

NOT SOLD SEPARAT

COVER - rear crankcase

1шт.

52

L32826

BUSHING

- crankshaft, 1.361" I.D. (34.57 mm)

1шт.

D80615

COVER ASSY

COVER ASSEMBLY, Includes: Ref. 51 and 52

1шт.

51

NSS

NOT SOLD SEPARAT

COVER - rear crankcase

1шт.

52

L32827

BUSHING

- crankshaft, 1.351" I.D. (34.32 mm)

1шт.

53

N6771

GASKET

-, Serial Range: compressor-plate

1шт.

54

RESERVED

1шт.

55

192-110

LOCK WASHER,5/16"

WASHER - lock, 5/16"

2шт.

56

L13524

CLAMP

FITTING - discharge

1шт.

57

L31456

GASKET

- discharge

1шт.

58

13-516

BOLT,Hex, 5/16" - 18 x 1", Gr 5

2шт.

59

D66473

FITTING

- inlet

1шт.

60

13-514

BOLT,Hex, 5/16" - 18 x 7/8", Gr 5

2шт.

61

192-110

LOCK WASHER,5/16"

WASHER - lock, 5/16"

2шт.

62

L32920

PLATE ASSY.

PLATE - strainer

1шт.

63

L31457

GASKET

- strainer

2шт.

64

221-1662

PLUG

- hex, 1/4" NPT

1шт.

65

13-546

CAPSCREW,Hex, 5/16" - 18 x 2 7/8", Gr 5

BOLT - hex, 5/16" - 18 NC x 2-7/8"

2шт.

66

192-110

LOCK WASHER,5/16"

WASHER - lock, 5/16"

2шт.

67

REF

INSTRUCTION

GOVERNOR ASSEMBLY - compressor, parts list Figure 254

1шт.

68

L13526

GASKET

- governor mounting

1шт.

Выбрано товаров: 101