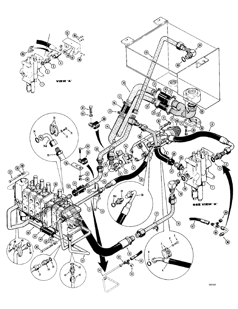
Запчасти Case 780 (278) - EQUIPMENT HYDRAULIC CIRCUIT, WITH INTERNAL HYDRAULIC FILTER B4 TRAC SN 5500550 & AFT (08) - HYDRAULICS

Схема запчастей Case 780 - (278) - EQUIPMENT HYDRAULIC CIRCUIT, WITH INTERNAL HYDRAULIC FILTER B4 TRAC SN 5500550 & AFT (08) - HYDRAULICS
FIT
1:1
100%

Артикул

Название

Примечание

Количество

1

REF

INSTRUCTION

VALVE - loader control, see Figures 332 - 342 for proper valve

1шт.

2

218-5086

HYD CONNECTOR,1 5/16"-12, 37 Degree x 1 5/8"-12, O-Ring

FITTING - male, straight, Includes: Ref. 3

1шт.

3

218-5011

O-RING,0.118" Thk x 1.475" ID, -920, Cl 6, 90 Duro

- fitting

1шт.

4

D54698

HOSE ASSY.

HOSE - valve to pump, 20" (508 mm) long

1шт.

5

13-720

BOLT,Hex, 7/16" - 14 x 1-1/4", Gr 5, Full Thd

- hex. 7/16" - 14 NC x 1"

4шт.

6

92-7

LOCK WASHER,7/16"

4шт.

7

A12301

CLAMP,Half

- split, 1-1/4"

2шт.

8

T13224

O-RING,1.484" ID x 1.762" OD x 0.139"

- fitting

1шт.

9

L23326

PUMP, HYDRAULIC

PUMP - equipment hydraulic, parts list Figure 330

1шт.

L23326 pump - It is ok for shaft to

1шт.

10

13-1028

BOLT,Hex, 5/8" - 11 x 1-3/4", Gr 5, Full Thd

2шт.

11

92-10

LOCK WASHER,5/8"

WASHER, LOCK, 5/8"

2шт.

11a

D53692

GASKET,0.79mm Thk

- equipment, Serial Range: pump-transmission

1шт.

12

13-820

BOLT,Hex, 1/2" - 13 x 1-1/4", Gr 5, Full Thd

4шт.

13

92-8

LOCK WASHER,1/2"

4шт.

14

L42760

TUBE - suction, lower front, Includes: Ref. 15 8.6, 3.2" L

1шт.

15

A14515

O-RING,0.139" Thk x 1.859" ID, -225, Cl 5, 75 Duro

- fitting

1шт.

16

L43263

HOSE - hydraulic, low pressure

2шт.

17

214-257

HOSE CLAMP,#24, 1.06" - 2", Type F Worm

4шт.

18

L47202

TUBE - suction, lower front 1.75" OD x 6.7, 6" L

1шт.

19

218-5122

ELBOW,90 Degree Elbow, 1-7/8" - 12 Male JIC x 1-5/16" - 12 Male ORB

FITTING - 90 degrees, adjustable, Includes: Ref. 20

1шт.

20

218-5010

O-RING,0.116" Thk x 1.171" ID, -916, Cl 6, 90 Duro

16-1, 90 Duro, 1.171" ID x .116" Thk, Fitting

1шт.

21

L42759

TUBE - suction, upper rear 1.5" OD x 19.3, 7.86" L

1шт.

22

L19007

HOSE - low pressure

1шт.

23

214-256

HOSE CLAMP,#20, 0.81" - 1.75", Type F Worm

CLAMP - hose

2шт.

24

L18841

INLET - "Y" joint

1шт.

25

A27996

O-RING,0.139" Thk x 2.734" ID, -232, Cl 5, 75 Duro

- inlet

1шт.

26

L14386

CLAMP

FLANGE - split, 2-1/2"

2шт.

27

92-8

LOCK WASHER,1/2"

4шт.

28

13-824

BOLT,Hex, 1/2" - 13 x 1-1/2", Gr 5, Full Thd

4шт.

29

218-5064

HYD CONNECTOR,1-1/16" - 12 Male JIC x 1-1/16" - 12 Male ORB

FITTING - male, straight, Incl. Ref. 29A

1шт.

29a

218-5008

O-RING,0.116" Thk x 0.924" ID, -912, Cl 6, 90 Duro

12-1, 90 Duro, .924 ID x .116" Thk, Fitting

1шт.

30

D55587

HOSE

- pump to backhoe valve, 25" (635 mm) long

1шт.

31

D56204

TUBE - pump to backhoe valve

1шт.

32

L45901

CLAMP

ASSEMBLY - tube

1шт.

33

L45894

BRACKET - tube support

1шт.

34

218-5077

HYD CONNECTOR,1-1/16" - 12 Male JIC x 1-5/16" - 12 Male ORB

FITTING - tube, straight, Incl. Ref. 35

1шт.

35

218-5010

O-RING,0.116" Thk x 1.171" ID, -916, Cl 6, 90 Duro

16-1, 90 Duro, 1.171" ID x .116" Thk, Fitting

1шт.

36

REF

INSTRUCTION

VALVE - backhoe control, parts list Figures 358-362

1шт.

37

13-896

BOLT,Hex, 1/2" - 13 x 6", Gr 5

1шт.

38

13-8104

BOLT,Hex, 1/2" - 13 x 6-1/2", Gr 5

2шт.

39

92-8

LOCK WASHER,1/2"

3шт.

40

95-8

WASHER,1/2"

flat 1/2"

3шт.

41

D53574

FITTING - tube, straight, Includes: Ref. 42

1шт.

42

218-5008

O-RING,0.116" Thk x 0.924" ID, -912, Cl 6, 90 Duro

12-1, 90 Duro, .924 ID x .116" Thk, Fitting

1шт.

43

L18994

TUBE ASSY.,1" OD

TUBE - backhoe return

1шт.

44

R12351

LARGE HOSE

HOSE - hydraulic, low pressure

1шт.

45

214-256

HOSE CLAMP,#20, 0.81" - 1.75", Type F Worm

CLAMP - hose

2шт.

46

D71827

TUBE

- backhoe return, rear

1шт.

47

13-720

BOLT,Hex, 7/16" - 14 x 1-1/4", Gr 5, Full Thd

4шт.

48

92-7

LOCK WASHER,7/16"

4шт.

49

A12301

CLAMP,Half

- split, 1-1/4"

2шт.

50

T13224

O-RING,1.484" ID x 1.762" OD x 0.139"

- tube

1шт.

51

D54626

HOSE - hydraulic, low pressure

1шт.

52

214-260

HOSE CLAMP,#36, 1.81" - 2.75", Type F Worm

2шт.

53

D55149

TUBE

- backhoe return center

1шт.

54

13-628

BOLT,Hex, 3/8" - 16 x 1-3/4", Gr 5

2шт.

55

D30474

CLAMP

-, Serial Range: tube-bracket

1шт.

56

D54628

CHASSIS

BRACKET - tube clamp

1шт.

57

92-6

LOCK WASHER,3/8"

2шт.

58

25-106

NUT,3/8"-16, G5

- hex, 3/8" - 16 NC

2шт.

59

D54387

TUBE - backhoe return, front

1шт.

60

R11860

CLAMP

- tube

1шт.

61

13-812

BOLT,Hex, 1/2" - 13 x 3/4", Gr 5

- hex, 1/2" - 13 NC x 3/4"

1шт.

62

92-8

LOCK WASHER,1/2"

1шт.

63

D56196

TUBE - backhoe return, at reservoir

1шт.

64

218-5113

ELBOW,90 Degree Elbow, 1-7/8" - 12 Male JIC x 1-7/8" - 12 Male ORB

FITTING - 90 degrees, adjustable, Includes: Ref. 65

1шт.

65

218-5012

O-RING,0.118" Thk x 1.720" ID, -924, Cl 6, 90 Duro

- fitting

1шт.

66

D54335

TUBE

- loader relief

1шт.

67

D51543

HOSE,1.25" ID x 8.00"

Relief Tube, Low Pressure 1.25" ID x 8.00"

1шт.

68

214-258

HOSE CLAMP,#28, 1.31" - 2.25", Type F Worm

2шт.

69

217-178

FITTING,1-1/4" Hose Barb x 1-5/8" - 12 Male ORB

Hose to valve, Incl. Ref. 70 1 1/4" Hose X 1 5/8"-12 ORB, Beaded

1шт.

70

218-5011

O-RING,0.118" Thk x 1.475" ID, -920, Cl 6, 90 Duro

- fitting

1шт.

71

13-620

BOLT,Hex, 3/8" - 16 x 1-1/4", Gr 5, Full Thd

4шт.

72

92-6

LOCK WASHER,3/8"

4шт.

73

A12306

FLANGE

- split, 1"

2шт.

74

A27577

O-RING,0.139" Thk x 1.234" ID, -218, Cl 5, 75 Duro

- tube

1шт.

74a

D56200

TUBE

- backhoe valve to loader valve, at backhoe valve

1шт.

75

D55586

HOSE

- backhoe valve to loader valve, 24" (610 mm) long

1шт.

76

D56202

TUBE

- backhoe valve to loader valve, at loader valve

1шт.

77

L45901

CLAMP

ASSEMBLY - tube

1шт.

78

218-5110

ELBOW,90 Degree Elbow, 1-5/16" - 12 Male JIC x 1-5/16" - 12 Male ORB

male adjustable, Incl. Ref. 79 90º, 1 5/16"-12, 37º x 1 5/16"-12, O-Ring

1шт.

79

218-5010

O-RING,0.116" Thk x 1.171" ID, -916, Cl 6, 90 Duro

16-1, 90 Duro, 1.171" ID x .116" Thk, Fitting

1шт.

80

13-628

BOLT,Hex, 3/8" - 16 x 1-3/4", Gr 5

2шт.

81

D56095

BRACKET

- tube mounting

1шт.

82

195-25

WASHER,3/8"

- flat, 3/8"

2шт.

83

92-6

LOCK WASHER,3/8"

2шт.

84

25-106

NUT,3/8"-16, G5

- hex, 3/8" - 16 NC

2шт.

85

L45901

CLAMP

- hose to bracket, includes nut and lockwasher

1шт.

86

195-21

WASHER,5/16"

flat, 5/16"

2шт.

87

D66033

HOSE - pump to tee, 13" (330 mm) long, if used

1шт.

88

218-587

TEE,37 Degree, 1 5/16"-12 x 1 1/16"-12, Br

FITTING - pressure check, if used

1шт.

89

218-335

CAP,37 Degree, 1 1/16"-12

Tee, if used 37º, 1 1/16"-12

1шт.

90

D66104

TUBE

- tee to loader valve, if used

1шт.

91

D68636

HOSE

- pump to tee, if used

1шт.

92

218-596

TEE,1 1/16"-12 37 Degree

FITTING - pressure check, if used

1шт.

93

218-335

CAP,37 Degree, 1 1/16"-12

Tee, if used 37º, 1 1/16"-12

1шт.

94

D62253

TUBE - pump pressure to backhoe valve, if used

1шт.

Выбрано товаров: 98