Запчасти Case 780 (284) - LOADER LIFT HYDRAULIC CIRCUIT, BEFORE TRACTOR SN. 5500550 (08) - HYDRAULICS

Схема запчастей Case 780 - (284) - LOADER LIFT HYDRAULIC CIRCUIT, BEFORE TRACTOR SN. 5500550 (08) - HYDRAULICS
FIT
1:1
100%

Артикул

Название

Примечание

Количество

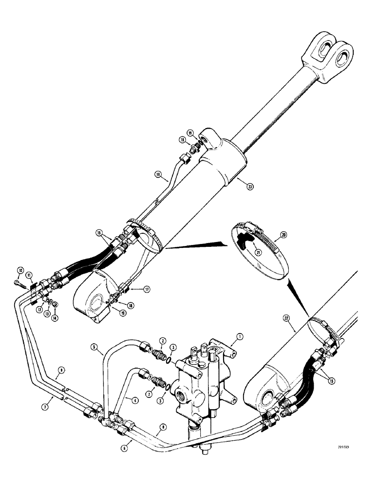
1

REF

INSTRUCTION

VALVE - loader control, see Figures 332 - 342 for proper valve

1шт.

2

218-5069

HYD CONNECTOR,1-5/16" - 12 Male JIC x 1-5/16" - 12 Male ORB

FITTING - male, straight, Incl. Ref. 3

2шт.

3

218-5010

O-RING,0.116" Thk x 1.171" ID, -916, Cl 6, 90 Duro

16-1, 90 Duro, 1.171" ID x .116" Thk, Fitting

1шт.

4

L18998

TUBE - valve to lift cylinder, lower 1" OD x 9.2, 3.9" L

1шт.

5

L18996

TUBE - valve to lift cylinder, upper 1" OD x 9.12, 3.9" L

1шт.

6

L18910

TUBE - valve to rod end lift cylinder, right-hand

1шт.

7

L18914

TUBE - valve to rod end lift cylinder, left-hand

1шт.

8

L18912

TUBE - valve to closed end lift cylinder, right-hand

1шт.

9

L18916

TUBE - valve to closed end lift cylinder, left-hand

1шт.

10

13-528

BOLT,Hex, 5/16" - 18 x 1-3/4", Gr 5

- hex, 5/16" - 18 NC x 1-3/4"

2шт.

11

D33316

CLAMP

- tube

2шт.

12

D76212

BUSHING

SPACER - tube

2шт.

13

92-5

LOCK WASHER,5/16"

2шт.

14

9635082

NUT,5/16" - 18, Gr 5

- hex, 5/16" - 18 NC

2шт.

15

D24349

HOSE ASSY.

HOSE - lift cylinder, 23" (584 mm) long

4шт.

16

D39784

TUBE

- lift cylinder, rod end

2шт.

17

D39786

TUBE

- lift cylinder, closed end

2шт.

18

218-5064

HYD CONNECTOR,1-1/16" - 12 Male JIC x 1-1/16" - 12 Male ORB

FITTING - tube, straight, Incl. Ref. 19

4шт.

19

218-5008

O-RING,0.116" Thk x 0.924" ID, -912, Cl 6, 90 Duro

12-1, 90 Duro, .924 ID x .116" Thk, Fitting

1шт.

20

214-275

HOSE CLAMP,#92, 5.38" - 6.25", Type F Worm

CLAMP - tube

2шт.

21

R24703

SUPPORT

SPACER - rubber, Serial Range: tube-cylinder

2шт.

22

REF

INSTRUCTION

CYLINDER - lift, right-hand, parts list Figures 402 and 404

1шт.

23

REF

INSTRUCTION

CYLINDER - lift, left-hand, parts list Figures 402 and 404

1шт.

Выбрано товаров: 23