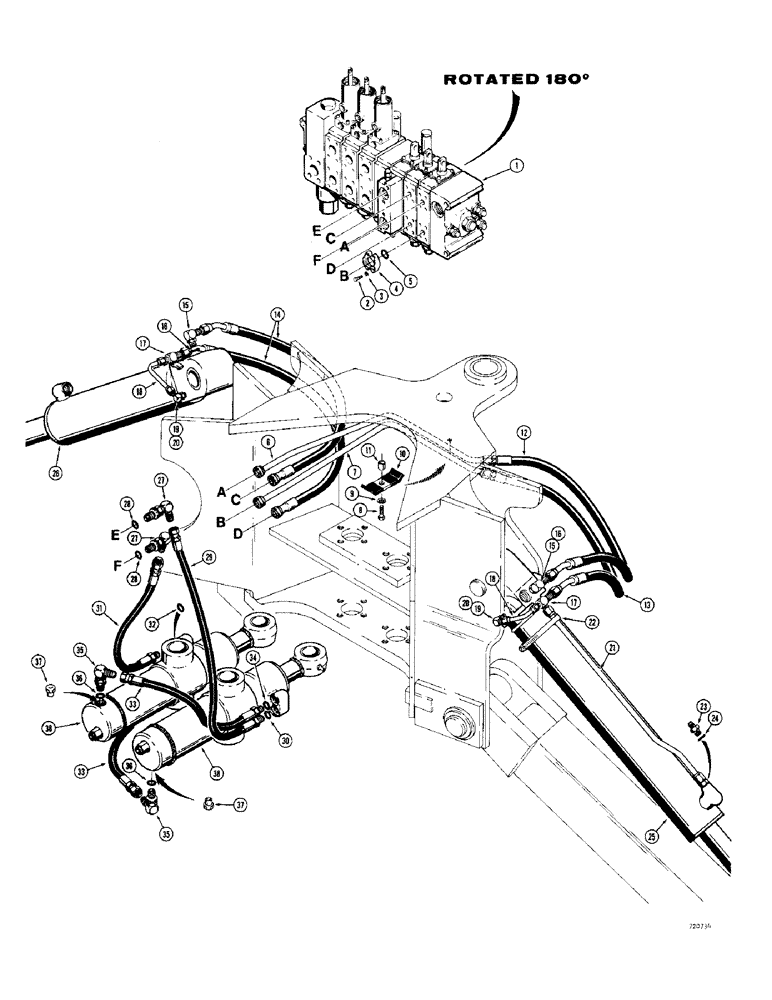
Запчасти Case 780 (298) - BACKHOE SWING & STABILIZER HYD CIRCUITS, TRAC SN 5500550 & AFT (08) - HYDRAULICS

Схема запчастей Case 780 - (298) - BACKHOE SWING & STABILIZER HYD CIRCUITS, TRAC SN 5500550 & AFT (08) - HYDRAULICS
FIT
1:1
100%

Артикул

Название

Примечание

Количество

1

REF

INSTRUCTION

VALVE - backhoe control, see Figures 358 - 362 for proper valve

1шт.

2

13-516

BOLT,Hex, 5/16" - 18 x 1", Gr 5

Stabilizer cyl circuit Hex, 5/16"-18 x 1", G5, Full Thd

16шт.

3

92-5

LOCK WASHER,5/16"

stabilizer cyl circuit 5/16"

16шт.

4

L18894

FLANGE - split, 1/2", stabilizer cyl circuit

8шт.

5

F62075

O-RING,0.139" Thk x 0.734" ID, -210, Cl 5, 75 Duro

flange, stabilizer cyl circuit

4шт.

6

D55672

to right-hand , closed end, at valve, stabilizer cyl circuit

1шт.

7

D55674

to right-hand rod end, at valve, stabilizer cyl circuit

1шт.

8

13-620

BOLT,Hex, 3/8" - 16 x 1-1/4", Gr 5, Full Thd

Stabilizer cyl circuit Hex, 3/8"-16 x 1 1/4", G5, Full Thd

1шт.

9

92-6

LOCK WASHER,3/8"

stabilizer cyl circuit 3/8"

1шт.

10

D40236

CLAMP

tube, stabilizer cyl circuit

1шт.

11

D33551

BUSHING

SPACER - clamp, stabilizer cyl circuit

1шт.

12

L46584

HOSE

to right-hand , closed end, 30" (762 mm) long, stabilizer cyl circuit

1шт.

13

L46583

HOSE

to right-hand , rod end, 36" (914 mm) long, stabilizer cyl circuit

1шт.

14

NLS

NO LONGER SERVICED

HOSE - to left-hand , 43" (1092 mm) long, stabilizer cyl circuit

2шт.

15

218-5121

ELBOW,90 Degree Elbow, 3/4" - 16 Male JIC x 7/8" - 14 Male ORB

adjustable, 90 degrees, stabilizer cyl circuit, Includes: Ref. 16

2шт.

16

237-6010

O-RING,0.097" Thk x 0.755" ID, -910, Cl 6, 90 Duro

fitting, stabilizer cyl circuit

1шт.

17

218-602

TEE,37 Degree, 3/4"-16 x 9/16"-18, Run

male, stabilizer cyl circuit

2шт.

18

L47199

TUBE,0.375" OD x 3.3, 1.9" L

to cylinder load check valve, stabilizer cyl circuit

2шт.

19

218-5105

ELBOW,90 Degree Elbow, 9/16" - 18 Male JIC x 9/16" - 18 Male ORB

FITTING - adjustable, 90 degrees, stabilizer cyl circuit, Includes: Ref. 20

2шт.

20

218-5005

O-RING,0.078" Thk x 0.468" ID, -906, Cl 6, 90 Duro

fitting, stabilizer cyl circuit

1шт.

21

L46389

TUBE ASSY.

to c, rod end, stabilizer cyl circuit

2шт.

22

214-275

HOSE CLAMP,#92, 5.38" - 6.25", Type F Worm

tube, stabilizer cyl circuit

2шт.

23

218-5060

HYD CONNECTOR,3/4" - 16 Male JIC x 7/8" - 14 Male ORB

Fitting, male, straight, stabilizer cyl circuit, Incl. Ref 24 3/4"-16, 37º x 7/8"-14, O-Ring

2шт.

24

237-6010

O-RING,0.097" Thk x 0.755" ID, -910, Cl 6, 90 Duro

fitting, stabilizer cyl circuit

1шт.

25

REF

INSTRUCTION

right-hand, parts list Figures 416 or 418, stabilizer cyl circuit

1шт.

26

REF

INSTRUCTION

left-hand, parts list Figures 416 or 418, swing cyl circuit

1шт.

27

218-5119

ELBOW,90 Degree Elbow, 7/8" - 14 Male JIC x 1-1/16" - 12 Male ORB

adjustable, 90 degree, at valve, swing cyl circuit, Includes: Ref. 28

2шт.

28

218-5008

O-RING,0.116" Thk x 0.924" ID, -912, Cl 6, 90 Duro

12-1, 90 Duro, .924 ID x .116" Thk, Fitting, Swing cyl circuit

1шт.

29

D55716

HOSE

to right-hand cylinder, rod end, lower port, 34" (864 mm) long, used with foot controls, swing cyl circuit, Includes: Ref. 30

1шт.

29

D50590

HOSE

to right-hand cylinder, rod end, lower port, 25-1/2" (648 mm) long, used with hand controls, swing cyl circuit, Includes: Ref. 20

1шт.

30

218-5006

O-RING,0.087" Thk x 0.644" ID, -908, Cl 6, 90 Duro

hose, swing cyl circuit

1шт.

31

D50590

HOSE

to left-hand , rod end, upper port, 25-1/2" (648 mm) long, swing cyl circuit, Includes: Ref. 32

1шт.

32

218-5006

O-RING,0.087" Thk x 0.644" ID, -908, Cl 6, 90 Duro

hose, swing cyl circuit

1шт.

33

D50590

HOSE

crossover, left-hand to right-hand, 25-1/2" (635 mm) long, swing cyl circuit, Includes: Ref. 34

2шт.

34

218-5006

O-RING,0.087" Thk x 0.644" ID, -908, Cl 6, 90 Duro

hose, swing cyl circuit

1шт.

35

218-5107

90 ELBOW,90 Degree Elbow, 7/8" - 14 Male JIC x 7/8" - 14 Male ORB

FITTING - adjustable, 90 degree, at swing cyl circuit, Incl. Ref. 36

2шт.

36

237-6010

O-RING,0.097" Thk x 0.755" ID, -910, Cl 6, 90 Duro

fitting, swing cyl circuit

1шт.

37

D41462

FITTING

RESTRICTOR - flow control, swing cyl circuit

2шт.

38

REF

INSTRUCTION

left-hand and right-hand, parts list Figures 420 - 426, swing cyl circuit

2шт.

Выбрано товаров: 39