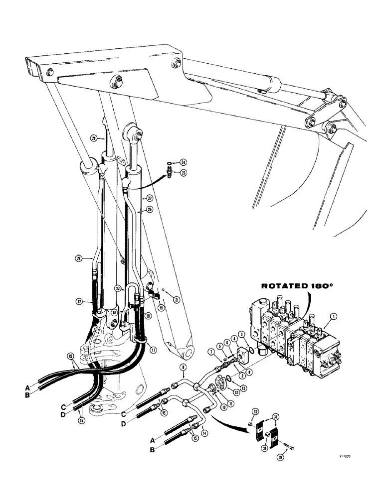
Запчасти Case 780 (300) - BACKHOE BOOM HYDRAULIC CIRCUIT, BEFORE TRACTOR SN. 5500550 (08) - HYDRAULICS

Схема запчастей Case 780 - (300) - BACKHOE BOOM HYDRAULIC CIRCUIT, BEFORE TRACTOR SN. 5500550 (08) - HYDRAULICS
FIT
1:1
100%

Артикул

Название

Примечание

Количество

1

REF

INSTRUCTION

VALVE - control, backhoe, see Figures 358 - 362 for proper valve

1шт.

2

L47556

CHECK VALVE

RESTRICTOR - check

1шт.

3

A7560

O-RING,0.139" Thk x 1.296" ID, -219, Cl 5, 75 Duro

- housing

1шт.

4

L46421

HOUSING - restrictor

1шт.

5

61-628

HEX SOC SCREW,3/8"-16 x 1 3/4"

SCREW - hex, socket head, 3/8" - 16 NC x 1-3/4"

4шт.

6

92-6

LOCK WASHER,3/8"

4шт.

7

218-5069

HYD CONNECTOR,1-5/16" - 12 Male JIC x 1-5/16" - 12 Male ORB

FITTING - straight, male connector, Incl. Ref. 8

1шт.

8

218-5010

O-RING,0.116" Thk x 1.171" ID, -916, Cl 6, 90 Duro

16-1, 90 Duro, 1.171" ID x .116" Thk, Fitting

1шт.

9

L46398

TUBE

- upper

1шт.

10

13-616

BOLT,Hex, 3/8" - 16 x 1", Gr 5, Full Thd

4шт.

11

92-6

LOCK WASHER,3/8"

4шт.

12

A12306

FLANGE

- split, 1"

2шт.

13

A7560

O-RING,0.139" Thk x 1.296" ID, -219, Cl 5, 75 Duro

- flange

1шт.

14

L46362

TUBE

- lower

1шт.

15

L46547

HOSE

- to boom cylinder, 58" (1473 mm) long

4шт.

16

RESERVED

1шт.

17

L46325

BRACKET - hose support

2шт.

18

13-628

BOLT,Hex, 3/8" - 16 x 1-3/4", Gr 5

2шт.

19

R15257

CLAMP

- hose

4шт.

20

RESERVED

1шт.

21

131-16

LOCK NUT,3/4"-10, GB

NUT - hex, lock, 3/8" - 16 NC

2шт.

22

L46400

TUBE

- cylinder, closed end

2шт.

23

218-5069

HYD CONNECTOR,1-5/16" - 12 Male JIC x 1-5/16" - 12 Male ORB

FITTING - male, straight connector, Incl. Ref. 24

4шт.

24

218-5010

O-RING,0.116" Thk x 1.171" ID, -916, Cl 6, 90 Duro

16-1, 90 Duro, 1.171" ID x .116" Thk, Fitting

1шт.

25

L46414

TUBE - cylinder, rod end, R.H.

1шт.

26

L46413

TUBE

- cylinder, rod end, L.H.

1шт.

27

REF

INSTRUCTION

CYLINDER - boom, R.H., see Figures 428 - 434 for proper cylinder

1шт.

28

REF

INSTRUCTION

CYLINDER - boom, L.H., see Figures 428 - 434 for proper cylinder

1шт.

29

413-632

BOLT,Hex, 3/8" - 16 x 2", Gr 5

- hex, 3/8" - 16 NC x 2"

2шт.

30

D41160

CLAMP

- tube

4шт.

31

D36524

BUSHING

SPACER - tube clamp

2шт.

32

131-6

LOCK NUT,3/8"-16, GC

NUT - hex, self lock, 3/8" - 16 NC

2шт.

Выбрано товаров: 32