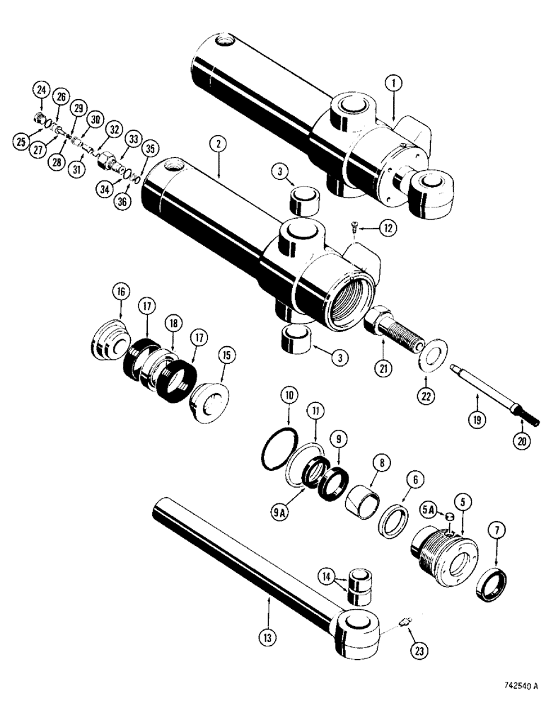
Запчасти Case 780 (422) - G32441 BACKHOE SWING CYLINDER, GLAND IS STAMPED WITH CYLINDER PN (08) - HYDRAULICS

Схема запчастей Case 780 - (422) - G32441 BACKHOE SWING CYLINDER, GLAND IS STAMPED WITH CYLINDER PN (08) - HYDRAULICS
FIT
1:1
100%

Артикул

Название

Примечание

Количество

1

G32441

ASSEMBLY - swing, 4-1/2" (114 mm) I.D. x 14-1/2" (368 mm) stroke, Includes: Ref. 2 - 23

2шт.

2

G32551

SCREW,4.5" ID x 22.38" L

TUBE ASSEMBLY - cylinder, Includes: Ref. 3 and 4

1шт.

3

G32669

BUSHING

tube

2шт.

4

RESERVED

1шт.

G104950

GLAND

ASSEMBLY - cylinder, Includes: Ref. 5 - 11

1шт.

5

NSS

NOT SOLD SEPARAT

GLAND - cylinder

1шт.

5a

G102569

PLUG

nylon, thread locking, gland, if used

1шт.

6

NSS

NOT SOLD SEPARAT

RING - retaining

1шт.

7

D95145

WIPER SEAL,54.79mm ID x 70.09mm OD x 7.91mm W

piston rod, outer

1шт.

Part of Cylinder Repair Seal Kit, P/N G105520

1шт.

8

G102426

BUSHING,57.15mm ID x 60.22mm OD x 37.85mm L

BEARING - Center

1шт.

Part of Cylinder Repair Seal Kit, P/N G105520

1шт.

9

D39359

RUBBER SEAL

SEAL - piston rod, see G100779 for option

1шт.

Part of Cylinder Repair Seal Kit, P/N G105520

1шт.

Part of Piston Rod Seal, P/N G100779

1шт.

9a

G103447

RING

SEAL - piston rod, narrow, used in addition to Ref. 9 in some glands

1шт.

Part of Cylinder Repair Seal Kit, P/N G105520

1шт.

10

A23316

O-RING,0.139" Thk x 4.484" ID, -246, Cl 5, 75 Duro

gland

1шт.

Part of Cylinder Repair Seal Kit, P/N G105520

1шт.

11

G32284

BACK-UP RING

backup

1шт.

Part of Cylinder Repair Seal Kit, P/N G105520

1шт.

12

187-1031

SELF-TAP SCREW,Pan, 0.164"-32 x 1/4"

self-tapping, no. 8-32 NC x 1/4", if used

1шт.

13

G32546

ASSEMBLY - piston, 2-1/4" (57 mm) dia, Includes: Ref. 14

1шт.

14

D52434

BUSHING

piston rod

2шт.

15

G32561

split, rod end

1шт.

16

G32558

split, bolt end

1шт.

17

D47205

PACKING

ASSEMBLY - piston, "V" type

2шт.

Part of Cylinder Repair Seal Kit, P/N G105520

1шт.

18

D47210

BEARING WASHER,82.58mm ID x 113.97mm OD x 19mm Thk

centering bearing

1шт.

19

G33064

PLUNGER

cushion relief

1шт.

20

G32557

SPRING

plunger bumper

1шт.

21

G33063

BOLT

piston and plunger

1шт.

22

G32559

WASHER

hardened

1шт.

23

219-1

LUBE NIPPLE,1/8" - 27 NPTF

FITTING - grease, straight, 1/8" NPT

1шт.

G105520

GASKET KIT

SEAL - cylinder repair, Includes Refs. 7, 8, 9, 9A, 10, 11 and 17 same as G34628 kit plus Ref. 9A

1шт.

G100779

SEAL

piston rod, service option, extreme heat or cold, Includes: Ref. 9

1шт.

D47557

VALVE

ASSEMBLY - relief D47577, Includes: Ref. 24 - 36

2шт.

24

D40354

PLUG

ASSEMBLY - relief valve, D47577, Includes: Ref. 25

1шт.

26

D40355

SHIM,.005" Thk

Spring guide (0.13 mm), D47577 relief valve .005" Thk

1шт.

26

16917

SHIM

spring guide, .010" (0.25 mm), D47577 relief valve

1шт.

27

D37150

GUIDE

spring, D47577 relief valve

1шт.

28

A51274

O-RING,0.145" ID x 0.285" OD

spring guide, D47577 relief valve

1шт.

29

D37147

RING

backup, D47577 relief valve

1шт.

30

D37148

SPRING

plunger, D47577 relief valve

1шт.

31

D37151

PLUNGER

relief valve, D47577

1шт.

32

D37075

SEAT

plunger, D47577 relief valve

1шт.

33

D47667

CAP

BODY - relief valve, D47577

1шт.

34

237-6010

O-RING,0.097" Thk x 0.755" ID, -910, Cl 6, 90 Duro

large, D47577 relief valve

1шт.

35

D26265

O-RING,1.78mm Thk x 14mm ID, 70 Duro

small, D47577 relief valve

1шт.

36

D37071

RING

backup, D47577 relief valve

1шт.

25

218-5006

O-RING,0.087" Thk x 0.644" ID, -908, Cl 6, 90 Duro

plug, D47577 relief valve

1шт.

Выбрано товаров: 51