Запчасти Case 780 (440) - G32762 BACKHOE BUCKET CYLINDER, GLAND HAS NO IDENTIFICATION MARKS USED B4 TRAC SN 5500550 (08) - HYDRAULICS

Схема запчастей Case 780 - (440) - G32762 BACKHOE BUCKET CYLINDER, GLAND HAS NO IDENTIFICATION MARKS USED B4 TRAC SN 5500550 (08) - HYDRAULICS
FIT
1:1
100%

Артикул

Название

Примечание

Количество

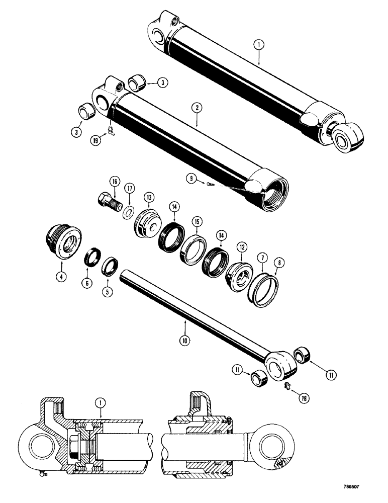
1

G32762

CYLINDER

ASSEMBLY - bucket, 5" (127 mm) I.D. x 30-3/4" (781 mm) stroke, Includes: Ref. 2 - 19

1шт.

2

G32763

TUBE ASSEMBLY - cylinder, Includes: Ref. 3 4.997" ID x 40.13" L

1шт.

3

D52579

BUSHING,57.38mm ID x 69.85mm OD x 28.57mm L

- tube

2шт.

G32803

GLAND

ASSEMBLY - cylinder, Includes: Ref. 4 - 8

1шт.

4

NSS

NOT SOLD SEPARAT

GLAND - cylinder

1шт.

5

D95148

WIPER SEAL

WIPER - piston rod, outer

1шт.

Part of Cylinder Repair Seal Kit, P/N G105531

1шт.

6

D45572

ROD

SEAL - piston rod, see G100782 for option

1шт.

Part of Cylinder Repair Seal Kit, P/N G105531

1шт.

Part of Piston Rod Seal, P/N G100782

1шт.

7

238-5248

O-RING,0.139" Thk x 4.734" ID, -248, Cl 5, 75 Duro

- gland, subs to 238-7248, CLAMP - tube

1шт.

Part of Cylinder Repair Seal Kit, P/N G105531

1шт.

8

S92639

RING

- backup, Serial Range: subs-G107970

1шт.

Part of Cylinder Repair Seal Kit, P/N G105531

1шт.

9

187-1031

SELF-TAP SCREW,Pan, 0.164"-32 x 1/4"

SCREW - self-tapping, no. 8-32 NC x 1/4"

1шт.

10

G33889

ROD

ASSEMBLY - piston, 3" (76 mm) dia., Includes: Ref. 11

1шт.

11

D52580

BUSHING

- piston rod

2шт.

12

G32663

SPARE PART

PISTON - split, rod end

1шт.

13

D49335

PISTON

- split, bolt end

1шт.

14

D47206

PACKING

ASSEMBLY - piston, "V" type

2шт.

Part of Cylinder Repair Seal Kit, P/N G105531

1шт.

15

D47211

BEARING WASHER,95.28mm ID x 126.69mm OD x 19mm Thk

RING - center bearing

1шт.

16

28-2456

BOLT,Hex, 1-1/2" - 12 x 3-1/2", Gr 8

- hex, 1-1/2" - 12 NF x 3-1/2", grade 8

1шт.

17

G32666

WASHER

- hardened

1шт.

18

219-1

LUBE NIPPLE,1/8" - 27 NPTF

FITTING - grease, straight, 1/8" NPT

1шт.

19

219-55

LUBE NIPPLE,90 Degree Elbow, 1/8" - 27 NPTF

NIPPLE, LUBE, 90º, 1/8" NPT x .84" lg

1шт.

G105531

SEAL

KIT - cylinder repair, Includes Refs. 5, 6, 7, 8 and 14 plus Ref. 6A on Figure 442

1шт.

G100782

SEAL

- piston rod, service option - extreme heat or cold, Includes: Ref. 6

1шт.

Выбрано товаров: 28