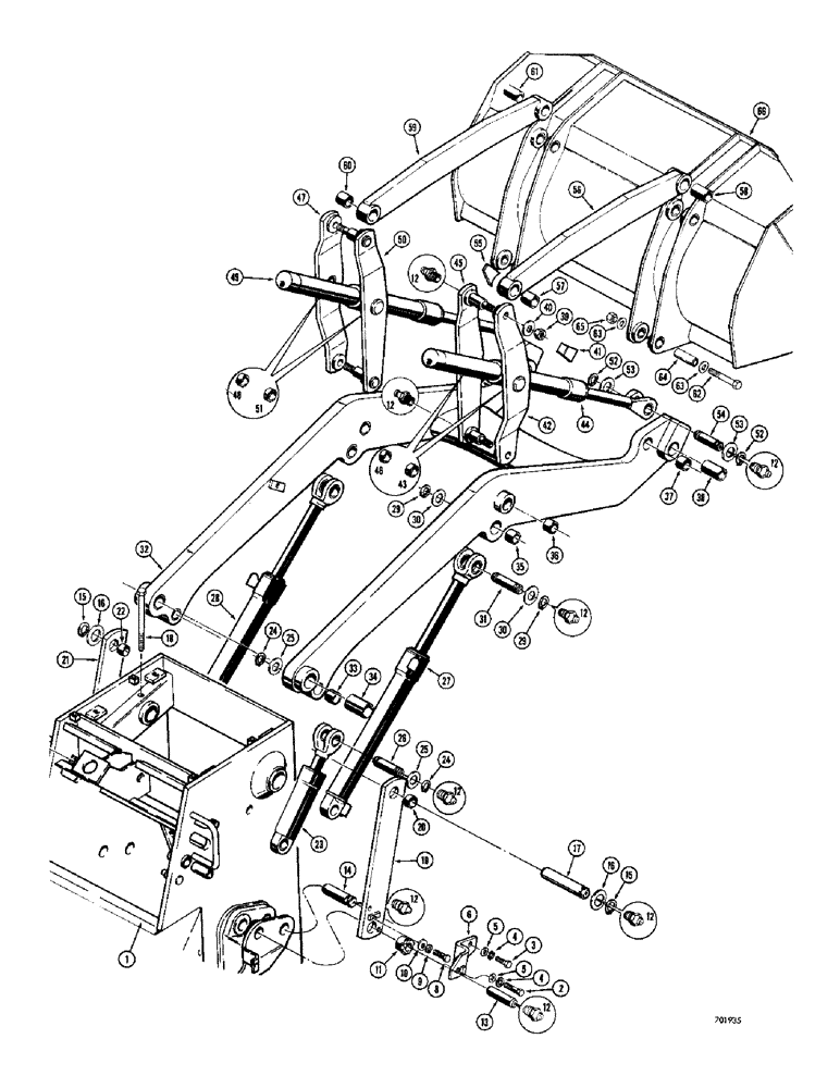
Запчасти Case 780 (452) - LOADER LIFT FRAME AND RELATED PARTS, BEFORE TRACTOR SN. 5500550 (09) - CHASSIS/ATTACHMENTS

Схема запчастей Case 780 - (452) - LOADER LIFT FRAME AND RELATED PARTS, BEFORE TRACTOR SN. 5500550 (09) - CHASSIS/ATTACHMENTS
FIT
1:1
100%

Артикул

Название

Примечание

Количество

1

REF

INSTRUCTION

CHASSIS ASSEMBLY - tractor, see Figure 562 for chassis and related parts

1шт.

2

13-1048

BOLT,Hex, 5/8" - 11 x 3", Gr 5

2шт.

3

13-1016

BOLT,Hex, 5/8" - 11 x 1", Gr 5, Full Thd

2шт.

4

92-10

LOCK WASHER,5/8"

4шт.

5

95-10

WASHER,5/8"

4шт.

6

D52282

STRAP

Pin retaining, RH

1шт.

7

D52283

STRAP

Pin retaining, LH, not shown

1шт.

8

13-820

BOLT,Hex, 1/2" - 13 x 1-1/4", Gr 5, Full Thd

2шт.

9

92-8

LOCK WASHER,1/2"

2шт.

10

195-33

WASHER,1/2"

2шт.

11

D41469

BUSHING

Eccentric, tension adjustment

2шт.

12

219-1

LUBE NIPPLE,1/8" - 27 NPTF

Straight, 1/8" NPT

16шт.

13

D40029

PIN

Hydra-Leveling, Serial Range: cylinder-chassis

2шт.

14

D40028

PIN

Lift, Serial Range: cylinder-chassis

2шт.

15

D40439

RING

Retaining

2шт.

16

D41472

WASHER

Special

2шт.

17

L26134

SPARE PART Lift arm pivot

2шт.

18

26-12144

BOLT,Hex, 3/4" - 10 x 9", Gr 8

2шт.

19

D41445

SPARE PART Tension, RH, Includes: Ref. 20

1шт.

20

G34984

BUSHING

Strap

1шт.

21

D41444

SPARE PART Tension, LH, Includes: Ref. 22

1шт.

22

G34984

BUSHING

Strap

1шт.

23

REF

INSTRUCTION

CYLINDER - Hydra-Leveling, see Figures 388 - 392 for proper cylinders

2шт.

24

D25280

SNAP RING,#175, Ext

4шт.

25

195-2152

WASHER,1 13/16" x 2 1/2" x .109"

Steel

4шт.

26

D40040

PIN

Hydra-Leveling cylinder to lift frame

2шт.

27

REF

INSTRUCTION

CYLINDER - lift, RH, parts list Figure 402 or 404

1шт.

28

REF

INSTRUCTION

CYLINDER - lift, LH, parts list Figure 402 or 404

1шт.

29

D26919

SNAP RING,#200, Ext

4шт.

30

195-2155

WASHER,2 1/16" x 3" x .109"

Steel

4шт.

31

D40041

PIN

Lift cylinder to lift frame

2шт.

32

D54369

ARM, LIFT

FRAME - loader lift, Includes: Ref. 33

1шт.

33

D40089

BUSHING

At Hydra-Leveling cylinder

2шт.

34

D41383

BUSHING

At chassis, Includes: Ref. 35 - 38

2шт.

35

D40050

BUSHING,51.03mm ID x 60.33mm OD x 50.8mm L

At lift cylinder

2шт.

36

D43508

BUSHING

At tilt linkage

2шт.

37

D30741

BUSHING,38.33mm ID x 47.63mm OD x 50.8mm L

At tilt cylinder

2шт.

38

D33627

BUSHING

At bucket

2шт.

39

26-1016

BOLT,Hex, 5/8" - 11 x 1", Gr 8

NUT - hex, 1" - 8 NC

4шт.

40

D36505

WASHER,26.99mm ID x 47.63mm OD x 2.38mm Thk

Special

4шт.

41

D40045

ELECTRICAL GAUGE

LEVELING - bucket, tilt link

1шт.

42

D41307

SPARE PART LINK - tilt, RH outer, Includes: Ref. 43

1шт.

43

D31512

BUSHING,47.75mm ID x 57.15mm OD x 19.05mm L

Link

1шт.

44

REF

INSTRUCTION

CYLINDER - RH bucket tilt, see Figures 394 - 400 for proper cylinder

1шт.

45

D47990

LINK

Tilt, RH, inner, Includes: Ref. 46

1шт.

46

D31512

BUSHING,47.75mm ID x 57.15mm OD x 19.05mm L

Link

1шт.

47

D47989

LINK

Tilt, LH, outer, Includes: Ref. 48

1шт.

48

D31512

BUSHING,47.75mm ID x 57.15mm OD x 19.05mm L

Link

1шт.

49

REF

INSTRUCTION

CYLINDER - LH, bucket tilt, see Figures 394 - 400 for proper cylinder

1шт.

50

D47991

LINK

Tilt, LH, inner, Includes: Ref. 51

1шт.

51

D31512

BUSHING,47.75mm ID x 57.15mm OD x 19.05mm L

Link

1шт.

52

D25279

SNAP RING,M35, Int

Retaining

4шт.

53

D28610

WASHER,38.5mm ID x 63.5mm OD x 2.66mm Thk

Special

4шт.

54

D40037

PIN,38.1mm OD x 127mm L

Tilt cylinder to lift frame

2шт.

55

D40033

GAUGE

LEVELING - bucket, tilt arm

1шт.

56

D56769

LINK

ARM - tilt, RH, Includes: Ref. 57 and 58

1шт.

57

D33023

BUSHING,51.02mm ID x 63.5mm OD x 50.8mm L

Arm, at tilt link, 2" (51 mm) long

1шт.

58

D33627

BUSHING

Arm, at bucket, 3-1/4" (83 mm) long

1шт.

59

D47865

POWER ARM

Tilt, LH, Includes: Ref. 60 and 61

1шт.

60

D33023

BUSHING,51.02mm ID x 63.5mm OD x 50.8mm L

Arm, at tilt link, 2" (51 mm) long

1шт.

61

D33627

BUSHING

Arm, at bucket, 3-1/4" (83 mm) long

1шт.

62

13-12140

BOLT,Hex, 3/4" - 10 x 8-3/4", Gr 5

4шт.

63

51200331

WASHER

Special

8шт.

64

R19659

PIN

Bucket, order (1) R27061 and (2) D26919

4шт.

65

230-41112

LOCK NUT,3/4"-10, GA

4шт.

66

REF

INSTRUCTION

BUCKET - loader, see Figure 460 for options

1шт.

Выбрано товаров: 66