Запчасти Case 780 (462) - 4-IN-1 LOADER BUCKET (09) - CHASSIS/ATTACHMENTS

Схема запчастей Case 780 - (462) - 4-IN-1 LOADER BUCKET (09) - CHASSIS/ATTACHMENTS
FIT
1:1
100%

Артикул

Название

Примечание

Количество

D91433

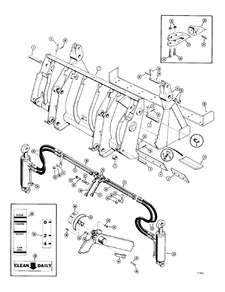
BUCKET - 4-in-1, 1-1/2 cu. yd. (1.2 metre), with teeth, machinery item - see Figure 2 for ordering, Includes: Ref. 1 - 39

1шт.

NSS

NOT SOLD SEPARAT

CLAM BLADE ASSEMBLY - bucket, Includes: Ref. 1 - 26

1шт.

N6742

MOLDBOARD

BLADE ASSEMBLY - bucket, Includes: Ref. 1 - 13

1шт.

1

NSS

NOT SOLD SEPARAT

BLADE - bucket

1шт.

2

D31142

BUSHING,51.02mm ID x 63.5mm OD x 38.1mm L

Bucket ear

8шт.

3

N6743

EDGE

CUTTING - end

2шт.

4

A17654

EDGE

CUTTING - center

1шт.

5

19-1232

CARRIAGE BOLT,#3, 3/4" - 10 x 2", Gr 5

BOLT - plow head, 3/4" - 10 NC x 2"

18шт.

6

25-1012

NUT,3/4"-10, G5

18шт.

7

S29582

PIN

Clam to blade, Includes: Ref. 8

2шт.

8

219-1

LUBE NIPPLE,1/8" - 27 NPTF

Straight, 1/8" NPT

1шт.

9

141-332

PIN

Clevis, A17660 pin

2шт.

10

132-48

COTTER PIN,1/8" x 1"

2шт.

11

A17662

PIN

Cylinder, Serial Range: base-clam

2шт.

12

S61971

CLEVIS PIN,15.88mm OD x 80.16mm L

Clevis, A17662 pin (Replaced 141-228 )

2шт.

13

132-48

COTTER PIN,1/8" x 1"

2шт.

N6744

CLAW

CLAM ASSEMBLY - bucket, Includes: Ref. 14 - 20

1шт.

14

NSS

NOT SOLD SEPARAT

CLAM - bucket

1шт.

15

A18662

BUSHING

Clam

4шт.

16

A17657

EDGE

CUTTING - clam, front

1шт.

17

S60047

PLATE ASSY.

Compaction, rear

1шт.

18

S18633

AXLE PIN,38.13mm OD x 102.36mm L

, Serial Range: Clam-cylinder

2шт.

19

141-332

PIN

Clevis, A17664 pin

2шт.

20

132-48

COTTER PIN,1/8" x 1"

2шт.

S200136

TOOTH

ASSEMBLY - bucket, Includes: Ref. 21 - 26

9шт.

21

NSS

NOT SOLD SEPARAT

SHANK - tooth

1шт.

22

A17667

TIP

Tooth

1шт.

23

138-207

LOCK PIN,1/2" x 2 1/4", Slotted

1шт.

24

13-1056

BOLT,Hex, 5/8" - 11 x 3-1/2", Gr 5

1шт.

25

13-1048

BOLT,Hex, 5/8" - 11 x 3", Gr 5

1шт.

26

25-1010

NUT,5/8"-11, G5

2шт.

27

S217387

SPARE PART, Serial Range: Bucket-hose

1шт.

28

S217388

SPARE PART, Serial Range: Bucket-hose

1шт.

29

218-595

TEE,7/8"-14, 37 Degree

FITTING - male, tube

2шт.

30

L32019

TUBE,0.625" OD x 25.875" L

Valve to clam cylinder, closed end of RH cylinder - rod end of LH cylinder

2шт.

31

A17697

TUBE

Valve to clam cylinder, rod end of RH cylinder - closed end of LH cylinder

2шт.

32

A17687

HOSE ASSY.

Valve to clam cylinders, 20" (508 mm) long

4шт.

33

REF

INSTRUCTION

CYLINDER - hydraulic, clam, RH, see Figures 408-414 for proper cylinder, Includes: Ref. 35 - 39

1шт.

34

REF

INSTRUCTION

CYLINDER - hydraulic, clam, LH, see Figures 408-414 for proper cylinder, Includes: Ref. 35 - 39

1шт.

35

25-106

NUT,3/8"-16, G5

3шт.

36

92-6

LOCK WASHER,3/8"

3шт.

37

S78067

SHIN

CLAMP -, Serial Range: tube-bucket

3шт.

38

S81109

DECAL

Clam opening

1шт.

39

S45226

DECAL

Clean out information

2шт.

40

13-412

BOLT,Hex, 1/4" - 20 x 3/4", Gr 5, Full Thd

4шт.

41

95-4

WASHER,1/4"

2шт.

42

92-4

LOCK WASHER,1/4"

4шт.

43

25-104

NUT,1/4"-20, G5

4шт.

44

L45166

SPARE PART INDICATOR - bucket postion

1шт.

45

L45165

SPARE PART Decal mounting

1шт.

46

321-1899

SPARE PART Bucket position

1шт.

Выбрано товаров: 51