Запчасти Case 780 (466) - LOADER CONTROLS, 2 SPOOL VALVE AND LEVERS (09) - CHASSIS/ATTACHMENTS

Схема запчастей Case 780 - (466) - LOADER CONTROLS, 2 SPOOL VALVE AND LEVERS (09) - CHASSIS/ATTACHMENTS
FIT
1:1
100%

Артикул

Название

Примечание

Количество

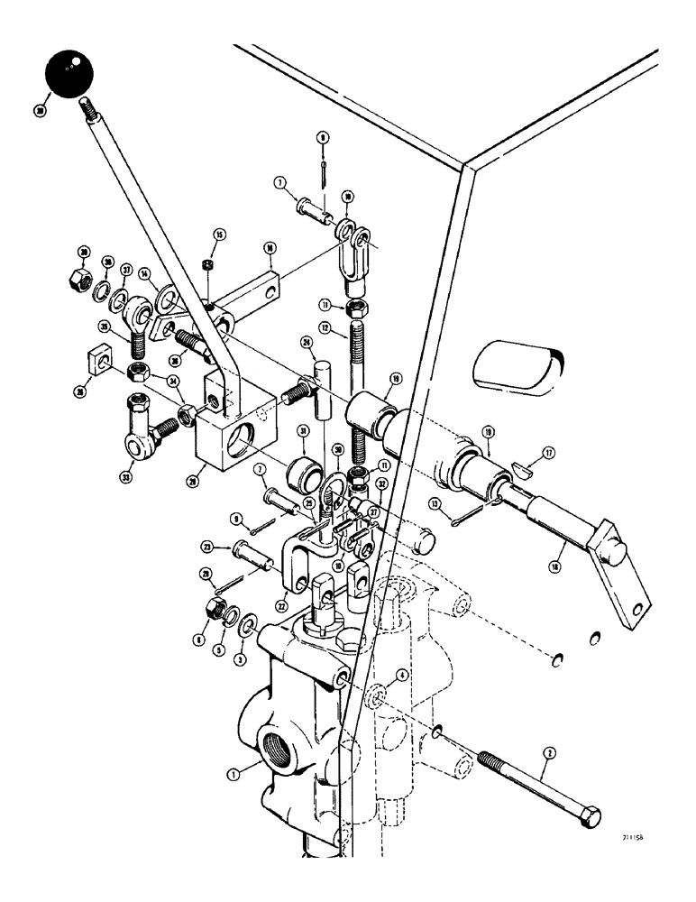
1

REF

INSTRUCTION

VALVE - loader control, see Figures 332 - 336 for proper valve

1шт.

2

13-892

BOLT,Hex, 1/2" - 13 x 5-3/4", Gr 5

3шт.

3

95-8

WASHER,1/2"

3шт.

4

F21190

SPARE PART SPACER - valve

3шт.

5

92-8

LOCK WASHER,1/2"

3шт.

6

25-108

NUT,1/2"-13, G5

3шт.

7

141-6

CLEVIS PIN,1/2" x 1.360"

2шт.

8

RESERVED

1шт.

9

132-48

COTTER PIN,1/8" x 1"

2шт.

10

213-6

ADJUSTABLE CLEVIS,1/2"-20 x 3"

YOKE

2шт.

11

25-158

JAM NUT,Jam, 1/2"-20, G5

NUT - hex, jam, 1/2" - 13 NC

2шт.

12

L23160

SPARE PART Link

1шт.

13

132-48

COTTER PIN,1/8" x 1"

1шт.

14

95-12

WASHER,3/4"

1шт.

15

83-64

SET SCREW,Hex Soc, 3/8"-16 x 1/4"

Cup pt.

1шт.

16

L19395

SPARE PART LINK

1шт.

17

126-24

WOODRUFF KEY,#15, 1/4" x 1"

1шт.

18

L19420

SPARE PART Tilt control

1шт.

19

B18325

BUSHING

Lever

2шт.

20

132-27

COTTER PIN,3/32" x 7/8"

1шт.

21

RESERVED

1шт.

22

L23151

SPARE PART Lift control, used with L43363 valve, Includes: Ref. 23

1шт.

22

D54402

LINK

Lift control, used with D54398 and D74985 valves, Includes: Ref. 23

1шт.

23

L23154

SPARE PART Clevis, included with L23151 and D54402 links

1шт.

24

L15937

BALL JOINT

1шт.

25

132-28

COTTER PIN,3/32" x 1"

1шт.

26

L23165

BLOCK

Wear

1шт.

27

138-96

LOCK PIN,3/16" x 1", Slotted

2шт.

28

L23172

LEVER

Loader control

1шт.

29

A19416

BALL

SPARE PART Lever, hand

1шт.

30

D1038223

SPRING

Ring, Snap, 1.438", Int, #143

1шт.

31

D38297

SPHERICAL BEARING,22.23mm ID x 36.51mm OD x 19.43mm W

BEARING - self-aligning

1шт.

32

L23162

SPARE PART Control pivot, tilt and lift

1шт.

33

L44143

BALL JOINT

90 degrees

1шт.

34

25-158

JAM NUT,Jam, 1/2"-20, G5

2шт.

35

L44151

END

BALL JOINT - straight, early production - uses 7/16" mounting bolts, order D58805

1шт.

35

D58805

SEAL

BALL JOINT - straight, late production - uses 1/2" mounting bolt

1шт.

36

13-724

BOLT,Hex, 7/16" - 14 x 1-1/2", Gr 5

L44151 ball joint

1шт.

36

13-824

BOLT,Hex, 1/2" - 13 x 1-1/2", Gr 5, Full Thd

D58805 ball joint

1шт.

37

95-6

WASHER,3/8"

1шт.

38

92-7

LOCK WASHER,7/16"

L44151 ball joint

1шт.

38

92-8

LOCK WASHER,1/2"

D58805 ball joint

1шт.

39

25-107

NUT,7/16"-14, G5

L44151 ball joint

1шт.

39

25-108

NUT,1/2"-13, G5

D58805 ball joint

1шт.

Выбрано товаров: 44