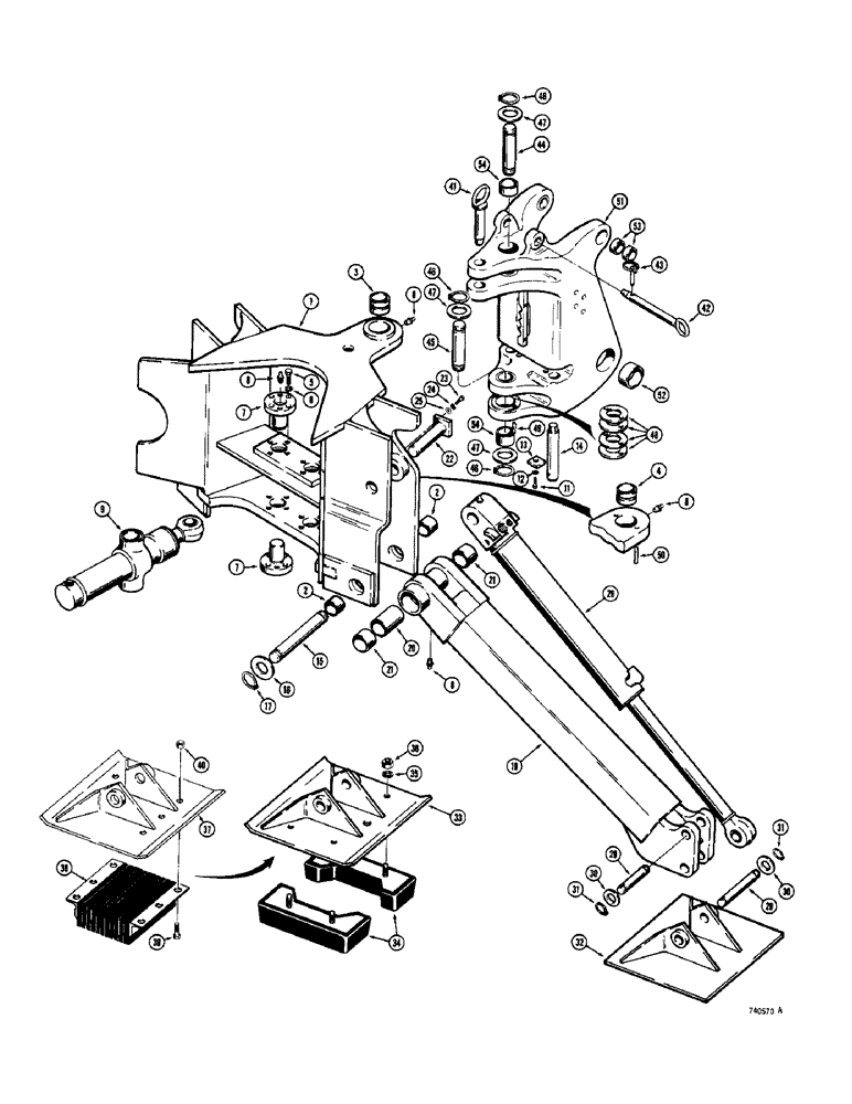
Запчасти Case 780 (476) - BACKHOE MOUNTING FRAME AND STABILIZERS (09) - CHASSIS/ATTACHMENTS

Схема запчастей Case 780 - (476) - BACKHOE MOUNTING FRAME AND STABILIZERS (09) - CHASSIS/ATTACHMENTS
FIT
1:1
100%

Артикул

Название

Примечание

Количество

1

L43594

SPARE PART Engine frame and backhoe mounting, used with D54477 and D54478 axles, Includes: Ref. 2 - 4

1шт.

1

D54539

CHASSIS

Engine frame and backhoe mounting, used with D86494 rear axle and non-turbocharged engine, Includes: Ref. 2 - 4

1шт.

1

D54672

FUNNEL

FRAME CHASSIS - engine frame and backhoe mounting, used with D86494 rear axle and turbo-charged engine, on models with twin backhoe control towers, Includes: Ref. 2 - 4

1шт.

1

D63001

SPARE PART CHASSIS - engine frame and backhoe mounting, used with D86494 rear axle and turbo-charged engine, on models with single backhoe control tower, Includes: Ref. 2 - 4

1шт.

2

L19617

BUSHING

Stabilizer leg

4шт.

3

L19628

BUSHING

Pivot, swing tower, upper

1шт.

4

L19629

BUSHING

Pivot, swing tower, lower

1шт.

5

13-834

BOLT,Hex, 1/2" - 13 x 2-1/8", Gr 5

16шт.

6

92-8

LOCK WASHER,1/2"

16шт.

7

L48391

PIN

Swing cylinder to mounting frame

4шт.

8

219-1

LUBE NIPPLE,1/8" - 27 NPTF

Straight, 1/8" NPT

8шт.

9

REF

INSTRUCTION

CYLINDER - swing, LH, see Figures 420-426 for proper cylinder

1шт.

10

REF

INSTRUCTION

CYLINDER - swing, RH, see Figures 420-426 for proper cylinder, not shown

1шт.

11

13-1028

BOLT,Hex, 5/8" - 11 x 1-3/4", Gr 5, Full Thd

2шт.

12

92-10

LOCK WASHER,5/8"

2шт.

13

L19094

PLATE

Locking, pin

2шт.

14

L41408

PIN

Swing cylinder to swing tower

2шт.

15

L25983

SPARE PART Stabilizer to main frame

2шт.

16

195-2167

WASHER,2 5/8" x 4" x .109"

4шт.

17

L16015

RING

4шт.

18

L42786

SPARE PART Leg, Not shown, Includes: Ref. 20 and 21

1шт.

19

L42785

SPARE PART Leg, Includes: Ref. 20 and 21

1шт.

20

L48783

SPACER

Bushing

1шт.

21

L26016

BUSHING

Stabilizer to main frame

2шт.

22

L17868

PIN

SPARE PART Stabilizer, Serial Range: cylinder-frame

2шт.

23

13-620

BOLT,Hex, 3/8" - 16 x 1-1/4", Gr 5, Full Thd

4шт.

24

92-6

LOCK WASHER,3/8"

4шт.

25

95-6

WASHER,3/8"

4шт.

26

REF

INSTRUCTION

CYLINDER - stabilizer, RH, parts list Figure 416 or 418

1шт.

27

REF

INSTRUCTION

CYLINDER - stabilizer, LH, parts list Figure 416 or 418, not shown

1шт.

28

D34132

SPARE PART Cylinder to stabilizer leg

2шт.

29

L25982

SPARE PART, Serial Range: Stabilizer-pads

2шт.

30

195-2152

WASHER,1 13/16" x 2 1/2" x .109"

8шт.

31

D25280

SNAP RING,#175, Ext

8шт.

32

L35936

PAD - stabilizer, standard

2шт.

33

L46175

PAD

Stabilizer, street, early production

2шт.

34

R31222

SHOE

PAD - rubber, used with L46175 pad only

4шт.

35

92-7

LOCK WASHER,7/16"

Used with R31222 pad only

8шт.

36

D29712

SPECIAL NUT

Special, used with R31222 pad only

8шт.

37

D61371

SPARE PART Stabilizer, street, late production

2шт.

38

D61368

PAD

Rubber, Used with D61371 pad only

2шт.

39

113-713

BOLT,Hex, 3/4" - 10 x 1-3/4", Gr 5

Used with D61368 pad only

12шт.

40

129-108

NUT,3/4"-10, G5

Used with D61368 only

12шт.

41

L41389

PIN

Locking, swing tower

1шт.

42

L40880

PIN

Locking, boom, used with L44254 tower only

1шт.

43

A30338

PIN

Klik, used with L40880 pin

1шт.

44

D95472

PIN

Swing tower to frame, upper

1шт.

45

L42676

PIN

Swing tower to frame, lower

1шт.

46

A60216

SNAP RING,#250, Ext

4шт.

47

L41507

SHIM

WASHER - special

4шт.

48

L41392

LARGE PLATE

PLATE, LARGE Bearing, 1/4" (6 mm) thick

4шт.

49

135-377

PIN, GROOVED

SPARE PART 3/8" x 1-3/4"

4шт.

50

135-379

PULLEY

PIN - groove, 3/8" x 2-1/4"

2шт.

51

REF

INSTRUCTION

TOWER - swing, see Figure 528 and 530 for proper tower, Includes: Ref. 52 - 54

1шт.

52

L44121

BUSHING

At boom pivot

2шт.

53

D33678

BUSHING,51.02mm ID x 63.5mm OD x 22.3mm L

At boom cylinder pivot, I.D. is 2"

4шт.

D33678 boom cylinder pivot bushing -

1шт.

54

D51545

BUSHING,63.75mm ID x 76.2mm OD x 38.1mm L

Swing tower pivot, I.D. is 2 1/2"

4шт.

D51545 swing tower pivot bushing -

1шт.

Выбрано товаров: 59