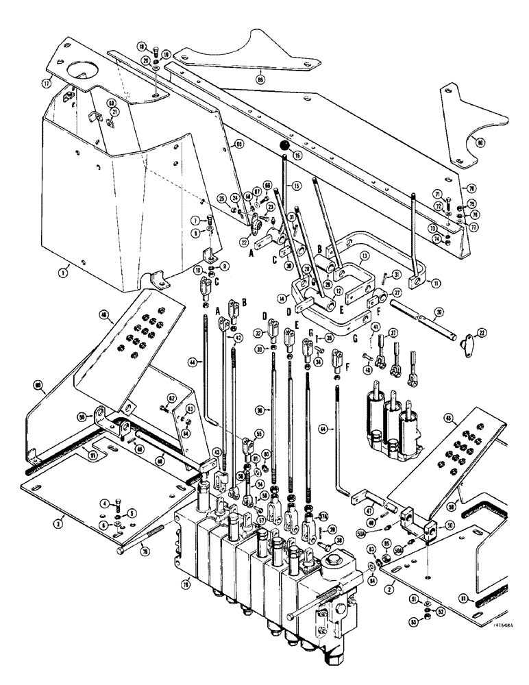
Запчасти Case 780 (490) - BACKHOE CONTROLS, USED ON MODELS WITH SINGLE BACKHOE CONTROL TWR (09) - CHASSIS/ATTACHMENTS

Схема запчастей Case 780 - (490) - BACKHOE CONTROLS, USED ON MODELS WITH SINGLE BACKHOE CONTROL TWR (09) - CHASSIS/ATTACHMENTS
FIT
1:1
100%

Артикул

Название

Примечание

Количество

1

D63561

CONSOLE

TOWER - backhoe control

1шт.

2

D63695

SPARE PART Side, RH

1шт.

3

D63831

SPARE PART Side, LH

1шт.

4

13-616

BOLT,Hex, 3/8" - 16 x 1", Gr 5, Full Thd

Plate mounting

8шт.

5

92-6

LOCK WASHER,3/8"

8шт.

6

195-25

WASHER,3/8"

8шт.

7

13-612

BOLT,Hex, 3/8" - 16 x 3/4", Gr 5, Full Thd

Tower mounting

4шт.

8

195-25

WASHER,3/8"

4шт.

9

92-6

LOCK WASHER,3/8"

4шт.

10

25-106

NUT,3/8"-16, G5

4шт.

11

D63618

SPARE PART RH, Stabilizer

1шт.

12

D63627

SPARE PART HANDLE - boom

1шт.

13

D63629

SPARE PART HANDLE - dipper

1шт.

14

D63625

SPARE PART HANDLE - bucket

1шт.

15

D63616

SPARE PART HANDLE - LH, stabilizer

1шт.

16

D59912

KNOB

Control handles

5шт.

17

D64040

PLATE

Top access, models without lock up kit, order D72367

1шт.

17

D72367

LARGE PLATE

PLATE, LARGE Top access, models with lockup kit

1шт.

18

13-612

BOLT,Hex, 3/8" - 16 x 3/4", Gr 5, Full Thd

3шт.

19

92-6

LOCK WASHER,3/8"

3шт.

20

195-25

WASHER,3/8"

3шт.

21

131-634

SPRING NUT,J, Ret, 3/8"-16

Speed type

3шт.

22

L48412

FLANGED BEARING

Control shaft

2шт.

23

13-612

BOLT,Hex, 3/8" - 16 x 3/4", Gr 5, Full Thd

4шт.

24

92-6

LOCK WASHER,3/8"

4шт.

25

25-106

NUT,3/8"-16, G5

4шт.

26

D63619

SPARE PART Backhoe control

1шт.

27

D63623

SPARE PART Swing

1шт.

28

219-4

LUBE NIPPLE,1/8" - 27 NPTF

2шт.

29

D95537

SPARE PART Between bucket and dipper levers

1шт.

30

D63621

SPARE PART Swing, LH

1шт.

31

138-136

LOCK PIN,1/4" x 1 1/4", Slotted

2шт.

32

213-4

ADJUSTABLE CLEVIS,3/8"-24 x 2 1/2"

YOKE - rod end, 3/8"

6шт.

33

25-116

NUT,Hex, 3/8"-24, G5

6шт.

34

141-4

CLEVIS PIN,3/8" x 1.060"

7шт.

35

132-25

COTTER PIN,3/32" x 5/8"

7шт.

36

D65243

SPARE PART Control, bucket, dipper and boom, used on models without hydraulic assist

3шт.

37

D58335

SPARE PART Control, bucket, dipper and boom, used on models with hydraulic assist

3шт.

37a

213-6

ADJUSTABLE CLEVIS,1/2"-20 x 3"

YOKE - rod end, 1/2"

3шт.

38

141-6

CLEVIS PIN,1/2" x 1.360"

Yoke, 1/2", used without hydraulic assist

3шт.

39

132-46

COTTER PIN,1/8" x 3/4"

3шт.

40

141-2

CLEVIS PIN,1/4" x .770"

Yoke, 1/4", used with hydraulic assist

3шт.

41

132-5

COTTER PIN,1/16" x 1/2"

If used

3шт.

42

D58334

SPARE PART Control, stabilizer

2шт.

43

L11182

YOKE,3/8" - 24

UNIVERSAL JOINT YOKE Offset, 3/8"

1шт.

44

D63611

SPARE PART Control, swing

2шт.

45

D58220

PEDAL

Swing, RH

1шт.

46

D58221

PEDAL

Swing, LH

1шт.

47

D63609

SPARE PART Swing, Pedal, RH

1шт.

48

D63610

SPARE PART Swing, Pedal, LH

1шт.

49

138-136

LOCK PIN,1/4" x 1 1/4", Slotted

2шт.

50

D89849

BRACKET

Swing pedal mounting

2шт.

50a

86636814

LUBE NIPPLE,1/4"-28 x .52" lg

2шт.

51

195-25

WASHER,3/8"

4шт.

52

92-6

LOCK WASHER,3/8"

4шт.

53

25-106

NUT,3/8"-16, G5

4шт.

54

D58332

ROD

Control, swing

1шт.

55

D37600

YOKE

UNIVERSAL JOINT YOKE 3/8"

1шт.

56

25-116

NUT,Hex, 3/8"-24, G5

1шт.

57

141-4

CLEVIS PIN,3/8" x 1.060"

3шт.

58

132-25

COTTER PIN,3/32" x 5/8"

3шт.

59

D64041

SPARE PART Foot pedal, RH

1шт.

60

D64042

SPARE PART Foot pedal, LH

1шт.

61

D50352

LINING

TRIM - Edge, 30" (762 mm) long

2шт.

62

13-612

BOLT,Hex, 3/8" - 16 x 3/4", Gr 5, Full Thd

4шт.

63

92-6

LOCK WASHER,3/8"

4шт.

64

25-106

NUT,3/8"-16, G5

4шт.

65

D63724

SPARE PART Access, backhoe tower

1шт.

66

13-612

BOLT,Hex, 3/8" - 16 x 3/4", Gr 5, Full Thd

4шт.

67

92-6

LOCK WASHER,3/8"

4шт.

68

195-25

WASHER,3/8"

4шт.

69

131-634

SPRING NUT,J, Ret, 3/8"-16

Speed type

4шт.

70

L46055

SPARE PART Cover, backhoe rear

1шт.

71

13-616

BOLT,Hex, 3/8" - 16 x 1", Gr 5, Full Thd

2шт.

72

195-25

WASHER,3/8"

2шт.

73

92-6

LOCK WASHER,3/8"

2шт.

74

25-106

NUT,3/8"-16, G5

2шт.

75

195-25

WASHER,3/8"

4шт.

76

92-6

LOCK WASHER,3/8"

4шт.

77

25-106

NUT,3/8"-16, G5

4шт.

78

REF

INSTRUCTION

VALVE - backhoe control, see Figures 358 - 362 for proper valve

1шт.

79

13-896

BOLT,Hex, 1/2" - 13 x 6", Gr 5

1шт.

80

92-8

LOCK WASHER,1/2"

1шт.

81

95-8

WASHER,1/2"

1шт.

82

15-8104

BOLT - hex, 1/2" - 13 NC x 6-1/2"

2шт.

83

92-8

LOCK WASHER,1/2"

2шт.

84

95-8

WASHER,1/2"

2шт.

85

25-108

NUT,1/2"-13, G5

2шт.

86

L47936

SPARE PART Rock guard

2шт.

Выбрано товаров: 89