Запчасти Case 780 (546) - HYDRAULIC TANK AND CONSOLE COVER (09) - CHASSIS/ATTACHMENTS

Схема запчастей Case 780 - (546) - HYDRAULIC TANK AND CONSOLE COVER (09) - CHASSIS/ATTACHMENTS
FIT
1:1
100%

Артикул

Название

Примечание

Количество

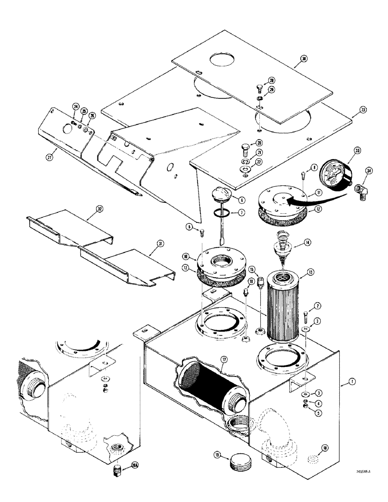
1

L18650

TANK - hydraulic reservoir, used before tractor SN. 5502546

1шт.

1

D89861

TANK - hydraulic reservoir, used on tractor SN. 5502546 and after, not shown

1шт.

1a

L79834

VENT

BREATHER - used with D89861 hydraulic tank, not shown

1шт.

2

13-624

BOLT,Hex, 3/8" - 16 x 1-1/2", Gr 5

- hex, 3/8" - 16 NC x 1-1/2"

3шт.

3

95-6

WASHER,3/8"

- flat, 3/8"

6шт.

4

92-6

LOCK WASHER,3/8"

3шт.

5

25-106

NUT,3/8"-16, G5

- hex, 3/8" - 16 NC

3шт.

6

L18673

DIPSTICK

- hydraulic oil level

1шт.

7

A7552

O-RING,0.21" Thk x 1.975" ID, -329, Cl 5, 75 Duro

- dipstick

1шт.

8

D50550

BOLT

- special sealing, used before tractor SN. 5502546

12шт.

9

RESERVED

1шт.

10

D34977

CAP

COVER - hydraulic tank, dipstick

1шт.

11

D34976

COVER - hydraulic tank, return filter, used before tractor SN. 5502546

1шт.

12

D50547

GASKET,1.52mm Thk

- cover, used before tractor SN 5502546

2шт.

13

D55204

FILTER

- hydraulic oil, return, used before tractor SN. 5502546

1шт.

Filter used on SN 5502546 and after, see Figure 548

1шт.

D55204 hydraulic oil return filter - For

1шт.

14

L51620

VALVE

- filter bypass, used before tractor SN. 5502546

1шт.

15

R15538

VALVE

- hydraulic tank, air inlet, used before tractor SN. 5502546

1шт.

16

R15536

VALVE

- hydraulic tank, relief, used before tractor SN. 5502546

1шт.

17

L18659

FILTER

- hydraulic oil, suction

1шт.

18

L15043

MAGNET

- hydraulic tank

1шт.

19

L44185

PLUG - tank drain, special, 3" dia., before tractor SN. 5500180

1шт.

19a

221-14

DRAIN PLUG,Sq Hd, 1/2"-14 NPTF

PLUG - pipe, square head, 1/2" NPT, tractor SN. 5500180 and after

1шт.

20

13-820

BOLT,Hex, 1/2" - 13 x 1-1/4", Gr 5, Full Thd

4шт.

21

92-8

LOCK WASHER,1/2"

4шт.

22

95-8

WASHER,1/2"

flat 1/2"

4шт.

23

L19403

WRAPPER - hydraulic tank and console

1шт.

24

173-214

SCREW,Phil Rnd Hd, 1/4" - 20 x 3/4"

- machine, Phillips head, 1/4" - 20 NC x 3/4"

2шт.

25

192-19

LOCK WASHER,Helical Spring, 0.256" ID, CST, ZND

WASHER, LOCK, 1/4"

2шт.

26

195-518

WASHER,1/4", SAE

- flat, 1/4"

2шт.

27

L22524

COVER - console access

1шт.

28

13-610

BOLT,Hex, 3/8" - 16 x 5/8", Gr 5, Full Thd

2шт.

29

92-6

LOCK WASHER,3/8"

2шт.

30

L19566

COVER - access, hydraulic tank

1шт.

30

D91498

COVER - access, hydraulic tank, used with D74437 condition indicator gauge, not shown

1шт.

31

D55346

PANEL - under dash enclosure, R.H., used on units with noise control option, see Figure 580 for padding

1шт.

32

D55345

PANEL - under dash enclosure, L.H. used on units with noise control option, see Figure 580 for padding

1шт.

33

D74437

GAUGE

- condition indicator, used on some models before tractor SN. 5502546

1шт.

34

217-1084

45 ELBOW,45 Degree, 1/8"-27 Female x 1/8"-27 Male

1шт.

D100201

KIT

- used on some models before tractor SN. 5502546 includes D74437 condition indicator gauge and related parts

1шт.

Ref D100201 kit - Must order primes (37). This

1шт.

Kit uses A42242 filter element.

1шт.

Выбрано товаров: 43