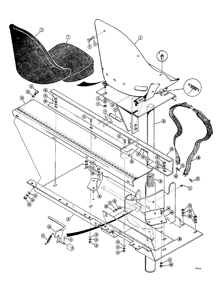
Запчасти Case 780 (552) - SEAT, SEAT PLATFORM AND TOOL BOX, USED ON MODELS WITH TWIN BACKHOE CONTROL TWR (09) - CHASSIS/ATTACHMENTS

Схема запчастей Case 780 - (552) - SEAT, SEAT PLATFORM AND TOOL BOX, USED ON MODELS WITH TWIN BACKHOE CONTROL TWR (09) - CHASSIS/ATTACHMENTS
FIT
1:1
100%

Артикул

Название

Примечание

Количество

L46484

SEAT

ASSEMBLY - operator's, interchangeable with L77247 seat, see Figure 560, order L77247, Includes: Ref. 1 - 7

1шт.

1

A18407

CUSHION ASSY.

CUSHION - seat

1шт.

2

A42747

BACKREST

CUSHION - backrest

1шт.

3

L32870

PIN

- cushion alignment

2шт.

4

NSS

NOT SOLD SEPARAT

SHELL - seat

1шт.

5

113-205

BOLT,Hex, 3/8" - 16 x 5/8", Gr 5

5шт.

6

195-525

WASHER,3/8", SAE

- flat, 3/8"

5шт.

7

L30533

VALVE SPRING

SPRING - adjusting

2шт.

7a

195-2027

WASHER,.344" x 1" x .065"

- flat, 5/16"

4шт.

8

192-20

LOCK WASHER,Helical Spring, 0.318" ID, CST, ZND

WASHER, LOCK, 5/16"

4шт.

9

129-122

NUT,5/16"-24, G5

4шт.

10

L43325

SUPPORT - seat

1шт.

11

136-8

PIN - cotter, external hair type, 1/2" x 1-23/64"

2шт.

12

L41660

PIN - seat catch

1шт.

13

A31080

VALVE SPRING

SPRING - seat catch

1шт.

14

L43312

CATCH

- seat

1шт.

15

136-4

PIN - cotter, external hair type, 1/4" x 11/16"

1шт.

16

T51274

VALVE SPRING

SPRING - seat

1шт.

17

219-1

LUBE NIPPLE,1/8" - 27 NPTF

FITTING - grease, straight, 1/8" NPT

1шт.

18

25-106

NUT,3/8"-16, G5

- hex, 3/8" - 16 NC

6шт.

19

92-6

LOCK WASHER,3/8"

6шт.

20

95-6

WASHER,3/8"

- 3/8"

6шт.

21

L43344

PLATE - floor, rear, seat platform

1шт.

22

13-616

BOLT,Hex, 3/8" - 16 x 1", Gr 5, Full Thd

2шт.

23

L43718

PLATE - tool box, front, if used, early production

1шт.

24

95-6

WASHER,3/8"

- 3/8"

2шт.

25

92-6

LOCK WASHER,3/8"

2шт.

26

25-106

NUT,3/8"-16, G5

- hex, 3/8" - 16 NC

2шт.

27

13-48

BOLT,Hex, 1/4" - 20 x 1/2", Gr 5

3шт.

28

92-4

LOCK WASHER,1/4"

WASHER, LOCK, 1/4"

3шт.

29

95-4

WASHER,1/4"

- flat, 1/4"

3шт.

30

L43635

PLATE - tool box divider, if used, early production

1шт.

31

13-616

BOLT,Hex, 3/8" - 16 x 1", Gr 5, Full Thd

4шт.

32

95-6

WASHER,3/8"

- 3/8"

8шт.

33

L43661

LID - tool box, if used, early production

1шт.

34

92-6

LOCK WASHER,3/8"

4шт.

35

25-106

NUT,3/8"-16, G5

- hex, 3/8" - 16 NC

4шт.

36

13-612

BOLT,Hex, 3/8" - 16 x 3/4", Gr 5, Full Thd

3шт.

37

92-6

LOCK WASHER,3/8"

3шт.

38

95-6

WASHER,3/8"

- 3/8"

3шт.

39

D55825

COVER - brake cylinder access, used only if tractor is equipped with fender mounted tool box

1шт.

40

D83760

SAFETY BELT

SEAT BELT - operator, complete, 3" (76 mm) wide, if used

1шт.

40

D75428

SAFETY BELT

SAFETY BELT, Operator, Complete, 2" (51 mm) wide, If used

1шт.

41

F42236

STEP BOLT

BOLT - shoulder, seat belt

2шт.

42

192-22

LOCK WASHER,7/16"

WASHER, LOCK, 7/16"

2шт.

43

425-117

NUT,7/16"-20, G5

- hex, 7/16" - 20 NF

2шт.

44

13-616

BOLT,Hex, 3/8" - 16 x 1", Gr 5, Full Thd

4шт.

45

F42233

BRACKET - belt mounting R.H.

1шт.

46

F42234

BRACKET - belt mounting L.H.

1шт.

47

92-6

LOCK WASHER,3/8"

4шт.

48

25-106

NUT,3/8"-16, G5

- hex, 3/8" - 16 NC

4шт.

Выбрано товаров: 51