Запчасти Case 780 (556) - SEAT, SEAT PLATFORM AND TOOL BOX, USED ON MODELS WITH SINGLE BACKHOE CONTROL TWR (09) - CHASSIS/ATTACHMENTS

Схема запчастей Case 780 - (556) - SEAT, SEAT PLATFORM AND TOOL BOX, USED ON MODELS WITH SINGLE BACKHOE CONTROL TWR (09) - CHASSIS/ATTACHMENTS
FIT
1:1
100%

Артикул

Название

Примечание

Количество

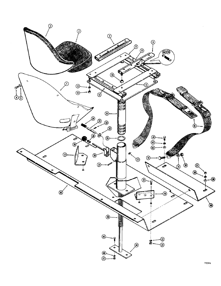
D58296

SEAT ASSY.

SPARE PART Operator's, Includes: Ref. 1 - 14

1шт.

1

NSS

NOT SOLD SEPARAT

SHELL - seat

1шт.

2

D59685

CUSHION

SPARE PART Seat

1шт.

3

L30536

BACKREST

SPARE PART CUSHION

1шт.

4

113-118

BOLT,Hex, 5/16" - 18 x 5/8", Gr 5

15шт.

5

195-103

WASHER,5/16"

15шт.

6

L35490

ADJUSTER

Rail, RH

1шт.

7

D56887

SEAT

ADJUSTER - rail, LH

1шт.

8

D59686

BRACKET

RH

1шт.

9

D59687

BRACKET

LH

1шт.

10

D59689

SPACER

Adjusters

4шт.

11

D59688

SLIDE

ADJUSTER - rail, front, Includes: Ref. 11A

1шт.

11a

L35503

SPRING

Adjuster rail

1шт.

12

L35272

ADJUSTER

Rail, rear

1шт.

13

192-20

LOCK WASHER,Helical Spring, 0.318" ID, CST, ZND

10шт.

14

9635082

NUT,5/16" - 18, Gr 5

10шт.

15

D83760

SAFETY BELT

SEAT - operator, complete, 3" (76 mm) wide, if used

1шт.

15

D75428

SAFETY BELT

Operator, Complete, 2" (51 mm) wide, If used

1шт.

16

F42233

SPARE PART Belt mounting, RH

1шт.

17

F42234

SPARE PART Belt mounting, LH

1шт.

18

F42236

STEP BOLT

Shoulder, seat belt

2шт.

19

192-22

LOCK WASHER,7/16"

2шт.

20

425-117

NUT,7/16"-20, G5

2шт.

21

13-616

BOLT,Hex, 3/8" - 16 x 1", Gr 5, Full Thd

4шт.

22

92-6

LOCK WASHER,3/8"

4шт.

23

25-106

NUT,3/8"-16, G5

Hex

4шт.

24

D58295

SPARE PART Seat, inner

1шт.

25

D49776

SNAP RING,#187, 2.008", Int, Spiral

Retaining

1шт.

26

D49775

SPRING

Seat lift

1шт.

27

219-1

LUBE NIPPLE,1/8" - 27 NPTF

Straight, 1/8" NPT

1шт.

28

D38258

LOCK

Seat post

1шт.

29

D38643

KNOB

Lock handle

1шт.

30

D38673

RING

TAB - knob locking

1шт.

31

138-137

LOCK PIN,1/4" x 1 3/8", Slotted

1шт.

32

D49941

SPRING WASHER

Spacer

1шт.

33

138-94

LOCK PIN,3/16" x 7/8", Slotted

1шт.

34

D49774

SPRING

Seat post latch

1шт.

35

D84285

PIN,12.7mm OD x 84.07mm L

Seat post latch

1шт.

36

D64174

SPARE PART PLATE - floor, rear, seat mounting

1шт.

37

25-106

NUT,3/8"-16, G5

Hex

6шт.

38

92-6

LOCK WASHER,3/8"

6шт.

39

195-25

WASHER,3/8"

6шт.

40

D64172

SPARE PART Brake cylinder access

1шт.

41

13-612

BOLT,Hex, 3/8" - 16 x 3/4", Gr 5, Full Thd

3шт.

42

92-6

LOCK WASHER,3/8"

3шт.

43

195-25

WASHER,3/8"

3шт.

44

D58293

SPARE PART Base spacer

1шт.

45

13-620

BOLT,Hex, 3/8" - 16 x 1-1/4", Gr 5, Full Thd

2шт.

46

92-6

LOCK WASHER,3/8"

2шт.

47

25-106

NUT,3/8"-16, G5

2шт.

48

REF

INSTRUCTION

TOOL BOX - see Figure 562, not shown

1шт.

Выбрано товаров: 51