Запчасти Case 780 (562) - CHASSIS, FENDERS AND STEPS (09) - CHASSIS/ATTACHMENTS

Схема запчастей Case 780 - (562) - CHASSIS, FENDERS AND STEPS (09) - CHASSIS/ATTACHMENTS
FIT
1:1
100%

Артикул

Название

Примечание

Количество

1

L43594

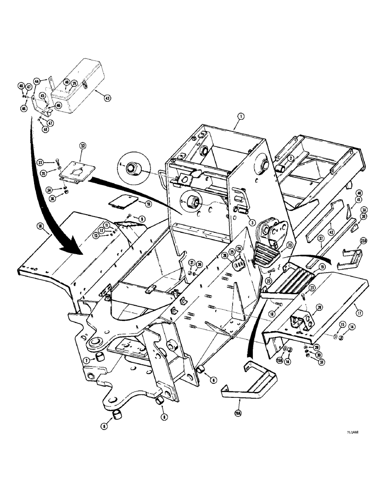
CHASSIS - engine frame and backhoe mounting, used with D54477 and D54478 axles, Includes: Ref. 2 - 8

1шт.

1

D54539

CHASSIS

- engine frame and backhoe mounting, used with D86494 rear axle and non turbo-charged engine, order D54672, Includes: Ref. 2 - 8

1шт.

1

D54672

FUNNEL

CHASSIS - engine frame and backhoe mounting, used with D86494 rear axle and turbo-charged engine, on units with twin backhoe control towers, Includes: Ref. 2 - 8

1шт.

1

D63001

CHASSIS - engine frame and backhoe mounting, used with D86494 rear axle and turbo-charged engine, on units with single backhoe control tower, Includes: Ref. 2 - 8

1шт.

2

L19668

BUSHING - pivot, lift arm

2шт.

3

B18325

BUSHING

- side plate, loader control

2шт.

4

L18896

BEARING - shift lever

2шт.

5

L43829

BEARING - transmission control lever cross shaft

2шт.

6

L19617

BUSHING

- stabilizer leg

4шт.

7

L19628

BUSHING

- pivot, swing tower, upper

1шт.

8

L19629

BUSHING

- pivot, swing tower, lower

1шт.

9

11-310

CARRIAGE BOLT,Short NK, 3/16"-24 x 5/8", G2, Full Thd

BOLT, CARRIAGE, Short NK, 3/16"-24 x 5/8", G2, Full Thd

3шт.

10

L43617

DOOR - fuel filler, for models with cab, see Figures 566 or 568

1шт.

11

95-3

WASHER,#12

- flat, 3/16"

3шт.

12

92-3

LOCK WASHER,#10

WASHER, LOCK, #10

3шт.

13

129-7

NUT,Hex, #10 - 24

- hex, NC #10-24

3шт.

14

131-10

NUT,1/2"-13, GB

NUT, LOCK, 1/2"-13, GB

16шт.

15

195-2054

WASHER,17/32" x 2" x .238"

- flat, 1/2"

4шт.

15a

95-8

WASHER,1/2"

flat 1/2"

12шт.

16

L17768

FENDER - tractor, L.H.

1шт.

17

L19655

FENDER - tractor, R.H.

1шт.

18

13-628

BOLT,Hex, 3/8" - 16 x 1-3/4", Gr 5

4 required with D56314 step, 8 required with L13647 step Hex, 3/8"-16 x 1 3/4", G5

4-8шт.

19

L13647

STEP

- compartment, lower, when stock is exhausted, supply D56314 and D56317 steps for service

2шт.

19a

D56314

STEP - compartment, lower, two steps must be ordered if replacing L13647

2шт.

20

92-6

LOCK WASHER,3/8"

4 required with D56314 step, 8 required with L13647 step 3/8"

4-8шт.

21

25-106

NUT,3/8"-16, G5

- hex, 3/8" - 16 NC, 4 required with D56314 step, 8 required with L13647 step

4-8шт.

22

13-824

BOLT,Hex, 1/2" - 13 x 1-1/2", Gr 5, Full Thd

4шт.

23

L42894

STEP - compartment, upper, when stock is exhausted, supply D56317 and D56314 for service

2шт.

23a

D56317

STEP - compartment, upper, two steps must be ordered if replacing L42894

2шт.

24

95-8

WASHER,1/2"

flat 1/2"

4шт.

25

92-8

LOCK WASHER,1/2"

4шт.

26

26-108

NUT - hex, 1/2" - 13 NC

4шт.

27

13-616

BOLT,Hex, 3/8" - 16 x 1", Gr 5, Full Thd

4шт.

28

L43825

LARGE PIN

BRACKET - light mounting, rear, standard

2шт.

29

95-6

WASHER,3/8"

- flat, 3/8"

4шт.

30

92-6

LOCK WASHER,3/8"

4шт.

31

25-106

NUT,3/8"-16, G5

- hex. 3/8" - 16 NC

4шт.

32

D53350

PLATE - mounting, brake treadle

1шт.

33

413-632

BOLT,Hex, 3/8" - 16 x 2", Gr 5

- hex, 3/8" - 16 NC x 2"

3шт.

34

92-6

LOCK WASHER,3/8"

3шт.

35

95-6

WASHER,3/8"

- flat, 3/8"

3шт.

36

25-106

NUT,3/8"-16, G5

- hex, 3/8" - 16 NC

3шт.

D71140

KIT - chassis reinforcement, used on models prior to tractor SN. 5501401, Includes: Ref. 37 - 42

1шт.

37

NSS

NOT SOLD SEPARAT

PLATE - suport, rear

2шт.

38

NSS

NOT SOLD SEPARAT

PLATE - support, L.H., rear

1шт.

39

NSS

NOT SOLD SEPARAT

PLATE - support, R.H., rear

1шт.

40

NSS

NOT SOLD SEPARAT

GUSSET - support, L.H., front

1шт.

41

NSS

NOT SOLD SEPARAT

GUSSET - support, R.H., front

1шт.

42

NSS

NOT SOLD SEPARAT

PLATE - support, front

2шт.

43

D55624

TOOL

BOX - tool, fender mounted

1шт.

44

D55872

BRACKET - mounting, tool box

2шт.

45

113-207

BOLT,Hex, 3/8" - 16 x 1", Gr 5

4шт.

46

195-525

WASHER,3/8", SAE

- flat, 3/8", plated

6шт.

47

192-21

LOCK WASHER,3/8"

WASHER, LOCK, 3/8"

4шт.

48

129-103

NUT,Hex, 3/8" - 16, Gr 5

NUT, 3/8"-16, G5

4шт.

Выбрано товаров: 55