Запчасти Case 780 (598) - F93455 WIPER MOTOR (09) - CHASSIS/ATTACHMENTS

Схема запчастей Case 780 - (598) - F93455 WIPER MOTOR (09) - CHASSIS/ATTACHMENTS
FIT
1:1
100%

Артикул

Название

Примечание

Количество

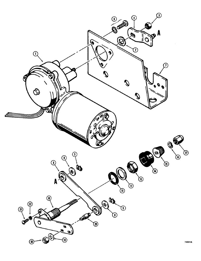
F93455

MOTOR, ELECTRIC

MOTOR - wiper, front, spade connectors, Includes: Ref. 1 - 22

1шт.

1

NSS

NOT SOLD SEPARAT

MOTOR - 24 volt, Includes: Ref. 2 and 3

1шт.

2

D71411

WASHER

- wave

1шт.

3

193-1001

NUT,Keps, w/LW, 1/4"-28

AND EXTERNAL WASHER - 1/4" - 28 NF

1шт.

4

A36091

ARM

- drive

1шт.

5

D71414

CLIP

- spring

2шт.

6

D72849

SCREW

AND WASHER - no. 10 - 32 NF

2шт.

7

D72850

BRACKET

1шт.

8

D71427

LINK,85.85mm L

1шт.

9

A22431

WASHER

SPACER - washer

2шт.

D72848

SHAFT

AND PIVOT, Includes: Ref. 10 - 20

1шт.

10

NSS

NOT SOLD SEPARAT

SHAFT

1шт.

11

D71417

SPECIAL WASHER

WASHER - felt

1шт.

12

D71418

WASHER

- flat

1шт.

13

D71419

NUT

1шт.

14

D71420

CAP

COVER - rubber

1шт.

15

D71421

TOOL

SPROCKET - drive

1шт.

16

193-9

LOCK WASHER,Ext Tooth, 5/16"

WASHER, LOCK, Ext Tooth, 5/16"

1шт.

17

D71422

NUT

- cap

1шт.

18

425-154

JAM NUT,Jam, 1/4"-28, G5

1шт.

19

193-60

LOCK WASHER,Int Tooth, 1/4"

WASHER - flat, 1/4"

1шт.

20

D73642

PIN

PIN - threaded

1шт.

21

F44456

SCREW,0.19" - 32 x 3 3/4"

- round head slotted, no. 10 - 32 NF x 3/8"

2шт.

22

92-3

LOCK WASHER,#10

WASHER, LOCK, , If used #10

2шт.

Выбрано товаров: 24