Запчасти Case 780 (046) - CYLINDER BLOCK, 336 BDT TURBOCHARGED ENG, ENG SN 10151968 & AFT W/FRONT MOUNTED OIL PUMP (02) - ENGINE

Схема запчастей Case 780 - (046) - CYLINDER BLOCK, 336 BDT TURBOCHARGED ENG, ENG SN 10151968 & AFT W/FRONT MOUNTED OIL PUMP (02) - ENGINE
FIT
1:1
100%

Артикул

Название

Примечание

Количество

A151749

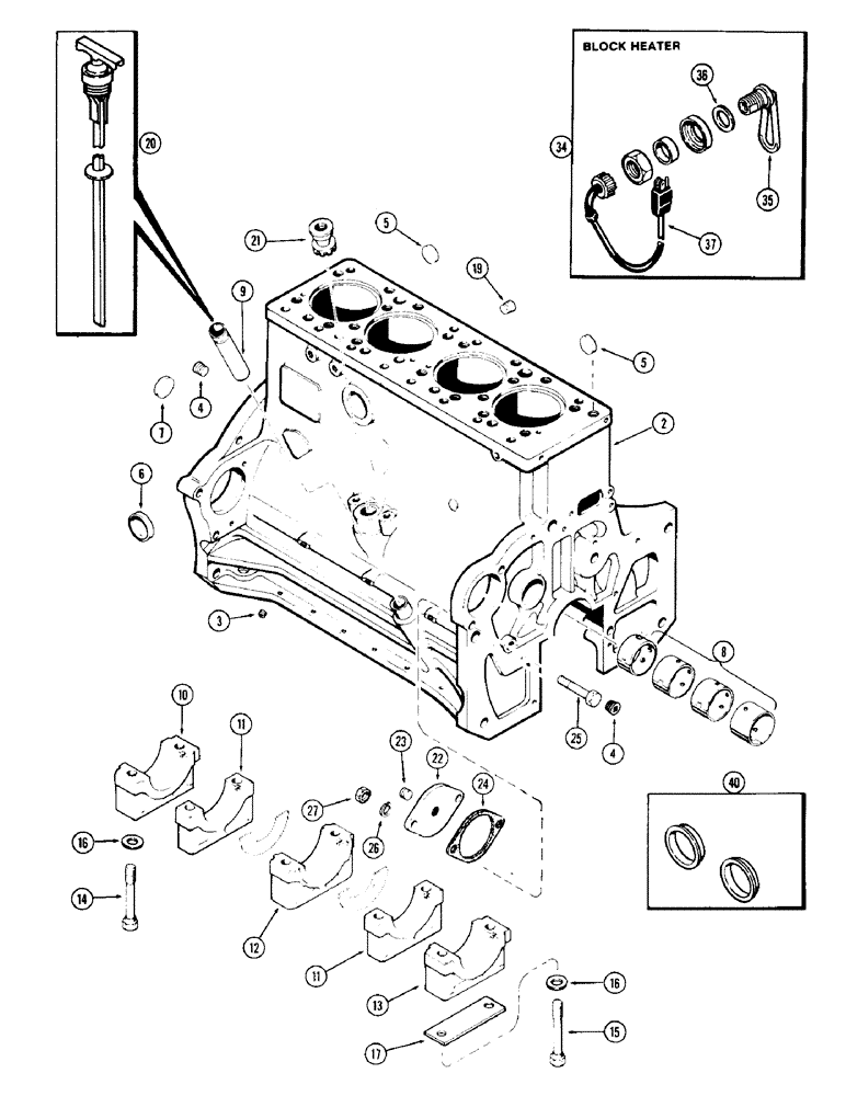
SKELETON ENGINE

BLOCK ASSEMBLY - short (Includes stripped block, camshaft, connecting rods and bearings, piston assy, crankshaft and bearings and timing gears), Includes: Ref. 2 - 17

1шт.

2

A151757

BLOCK ASSEMBLY - stripped (Casting no. A58502), Includes: Ref. 3 - 17

1шт.

3

221-1849

PLUG

1/8" PT hex socket head

2шт.

4

221-1843

PLUG

3/8" PT, hex socket head

3шт.

5

A58568

PLUG,Cup, 1 3/8", Stainless

1-3/8" cup type (34.92 mm)

2шт.

6

A58569

PLUG,Cup, 2", Stainless

2" cup type (50.8 mm)

1шт.

7

A24361

PLUG

2-3/8" cup type (60.32 mm)

1шт.

8

A23577

KIT

BUSHING - camshaft

1шт.

9

A34540

TUBE

oil filler and dipstick

1шт.

10

A58562

CAP

main bearing, rear (Wide)

1шт.

11

A58563

CAP

main bearing, intermediate (Narrow)

2шт.

12

A58564

CAP

main bearing, thrust, center (Wide)

1шт.

13

A58561

CAP

main bearing, front (Wide)

1шт.

14

A66948

STEP BOLT

bearing caps (5/8" NC x 5")

8шт.

15

A66949

STEP BOLT

ront bearing cap (5/8" NC x 7-1/4")

2шт.

16

A58629

BEARING WASHER,16.66mm ID x 25.4mm OD x 3.04mm Thk

bearing cap bolts, 5/8 x 1 x 3/16" (15.87 x 25.4 x 4.76 mm)

10шт.

17

A58859

SHIM,.005" Thk

Oil pump to cap (0.127 mm) .005" Thk

4шт.

19

221-845

PLUG,Hex Soc, 3/4"-14

3/4" PT hex socket head

1шт.

20

A138330

DIPSTICK

ASSEMBLY

1шт.

21

A34266

DRIVE

ASSEMBLY - tachometer

1шт.

22

A58891

COVER

auxiliary pump hole

1шт.

23

221-1843

PLUG

3/8" PT, hex socket head

1шт.

24

A58617

GASKET

cover

1шт.

25

13-656

BOLT,Hex, 3/8" - 16 x 3-1/2", Gr 5

- 3/8 x 3-1/2" NC hex

2шт.

26

92-6

LOCK WASHER,3/8"

2шт.

27

25-106

NUT,3/8"-16, G5

3/8" NC hex

2шт.

34

A155436

RESISTOR

HEATER ASSEMBLY - block (Replaces A47474), Includes: Ref. 35 - 37

1шт.

35

NSS

NOT SOLD SEPARAT

ELEMENT ASSEMBLY - heater, block

1шт.

36

A45114

GASKET

element, block heater

1шт.

37

A44813

CABLE EXTENSION

CORD ASSEMBLY, block heater

1шт.

A44006

SLEEVE

KIT - block heater adapter, Includes: Ref. 40

1шт.

40

NSS

NOT SOLD SEPARAT

SLEEVE - 2-1/16" diameter heater hole (52.39 mm), block

1шт.

40

NSS

NOT SOLD SEPARAT

SLEEVE - 2-1/8" diameter heater hole (53.97 mm), block

1шт.

Выбрано товаров: 33