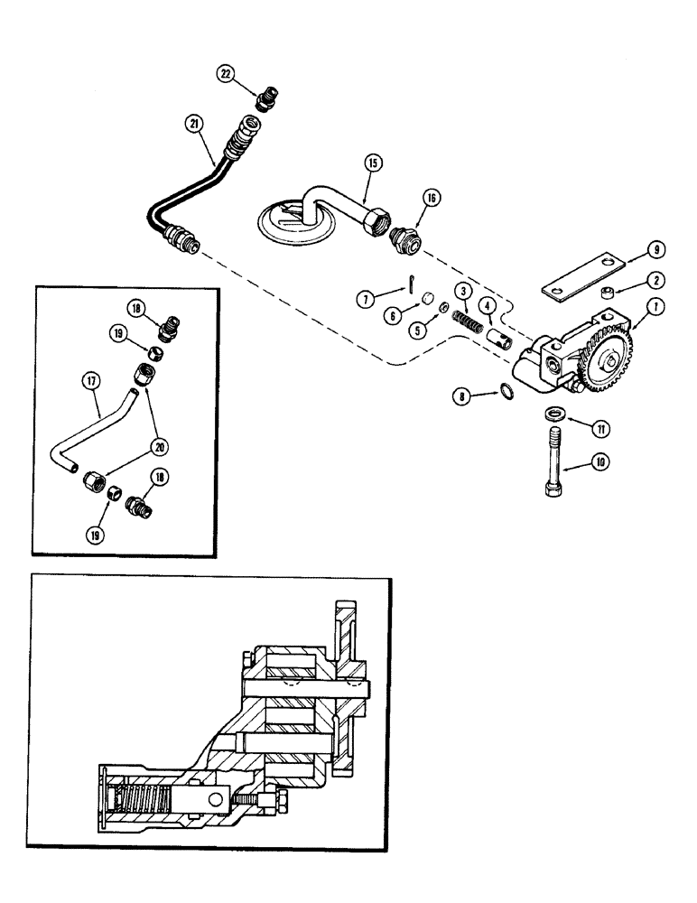
Запчасти Case 780 (066) - OIL PUMP, (336BDT) TURBOCHARGED ENGINES, ENGINE SERIAL NO. 10151968 & AFT, FRONT MOUNTED (02) - ENGINE

Схема запчастей Case 780 - (066) - OIL PUMP, (336BDT) TURBOCHARGED ENGINES, ENGINE SERIAL NO. 10151968 & AFT, FRONT MOUNTED (02) - ENGINE
FIT
1:1
100%

Артикул

Название

Примечание

Количество

1

A153000

PUMP

ASSEMBLY - oil, Includes: Ref. 2 - 7

1шт.

2

A58915

SLEEVE

- pump locating

1шт.

3

A151960

SPRING

- relief valve

1шт.

4

A65083

VALVE

- relief

1шт.

5

A57470

WASHER

- cup seat

1шт.

6

41-1011

PLUG,Cup, 11/16"

- relief valve, 11/16" cup type

1шт.

7

132-32

COTTER PIN,3/32" x 1 1/2"

Pin, Split (Cotter), 3/32" x 1 1/2"

1шт.

8

A64434

O-RING,0.93" ID x 1.142" x 0.106"

- 1 x 1-1/8 x 1/16" (25.4 x 28.57 x 1.59 mm)

1шт.

9

A58859

SHIM,.005" Thk

Pump to brg. cap (0.127 mm) .005" Thk

1шт.

10

A66949

STEP BOLT

BOLT - pump and bearing cap (5/8" NC x 7-1/4")

2шт.

11

A58629

BEARING WASHER,16.66mm ID x 25.4mm OD x 3.04mm Thk

WASHER - bearing cap bolt

2шт.

15

A143671

SCREEN

TUBE ASSEMBLY - suction, with screen

1шт.

16

A142004

CONNECTOR, ELEC

CONNECTOR - suction, Serial Range: tube-pump

1шт.

17

A143670

TUBE

- oil pump to block (Order Ref. 21 and 22)

1шт.

18

222-31

HYD CONNECTOR,1"-18 x 1/2" NPTF w/Nut

CONNECTOR ASSEMBLY - tube, Includes: Ref. 19 and 20

2шт.

19

222-106

SLEEVE,5/8" Tube

- for 5/8" Tube

1шт.

20

222-116

TUBE NUT,1"-18

NUT - for 5/8" tube

1шт.

21

A155196

HOSE,0.50" ID x 19.00"

- Oil pump to Block (Replaces A143670) 0.50" ID x 19.00"

1шт.

22

218-445

HYD CONNECTOR,7/8" - 14 Male JIC x 1/2" - 14 Male NPTF

CONNECTOR - hose to pump, 1/2" PT

1шт.

Выбрано товаров: 19