Запчасти Case 780 (080) - INJECTION PUMP DRIVE, (336BD) AND (336BDT) DIESEL ENGINES (03) - FUEL SYSTEM

Схема запчастей Case 780 - (080) - INJECTION PUMP DRIVE, (336BD) AND (336BDT) DIESEL ENGINES (03) - FUEL SYSTEM
FIT
1:1
100%

Артикул

Название

Примечание

Количество

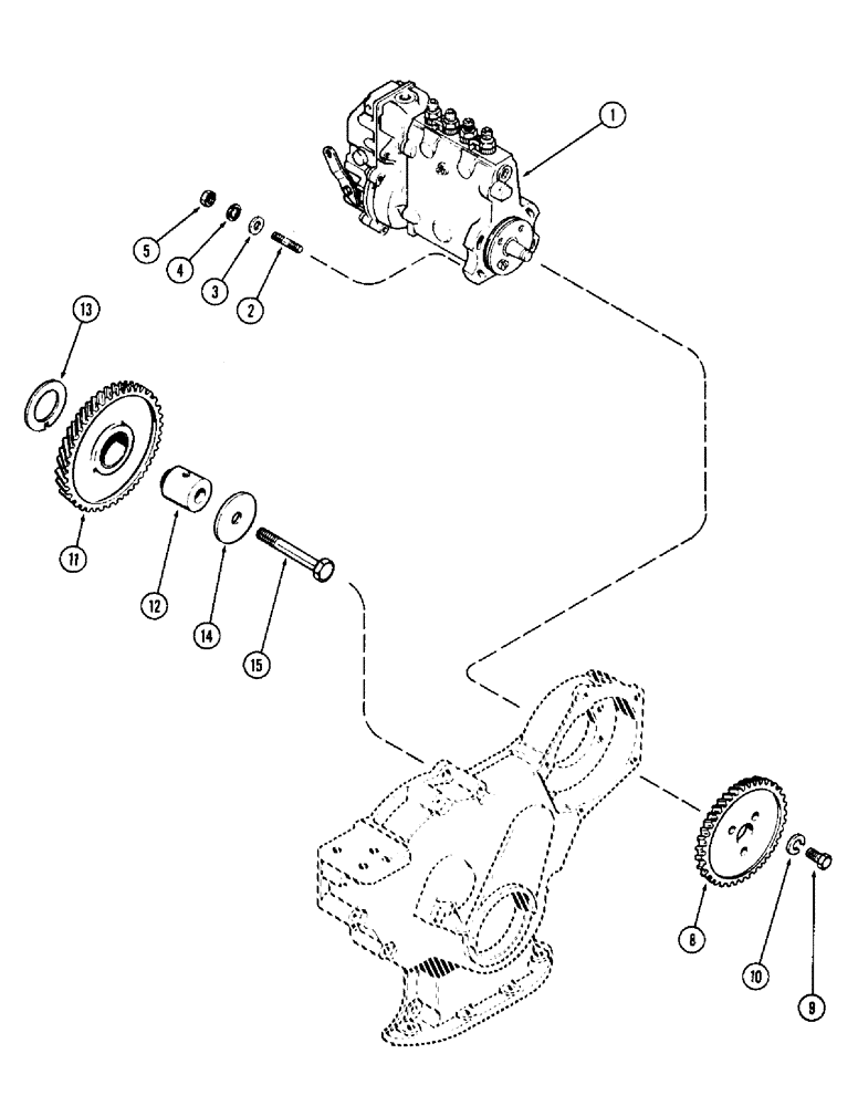
1

REF

INSTRUCTION

PUMP ASSEMBLY - fuel injection (See Figure 82 and 84)

1шт.

2

A59077

STUD

- pump mounting (3/8" NC x 1-7/8") (Without drilled hole)

3шт.

2

A142092

STUD

- pump mounting (3/8" NC x 1-7/8") (With drilled hole for anti-tamper wire)

1шт.

3

A57470

WASHER

- 3/8 x 11/16 x 16 gauge

4шт.

4

193-30

LOCK WASHER,Int Tooth, 3/8"

WASHER, LOCK, Int Tooth, 3/8"

4шт.

5

25-106

NUT,3/8"-16, G5

- 3/8" NC hex (Used with A59077 stud)

3шт.

5

25-126

SLOTTED NUT,3/8"-16, G5

NUT - 3/8" NC slotted hex (Used A142092 stud)

1шт.

8

A58693

GEAR

- drive, injection pump

1шт.

9

13-616

BOLT,Hex, 3/8" - 16 x 1", Gr 5, Full Thd

3шт.

10

92-6

LOCK WASHER,3/8"

3шт.

11

A62542

GEAR

ASSEMBLY - idler, with bushing

1шт.

12

A58690

SHAFT

- idler gear

1шт.

13

A58691

WASHER

- thrust, idler gear

1шт.

14

A58692

PLATE

- thrust, idler shaft

1шт.

15

13-868

BOLT,Hex, 1/2" - 13 x 4-1/4", Gr 5

1шт.

Выбрано товаров: 15