Запчасти Case 780 (092) - FUEL TANK (03) - FUEL SYSTEM

Схема запчастей Case 780 - (092) - FUEL TANK (03) - FUEL SYSTEM
FIT
1:1
100%

Артикул

Название

Примечание

Количество

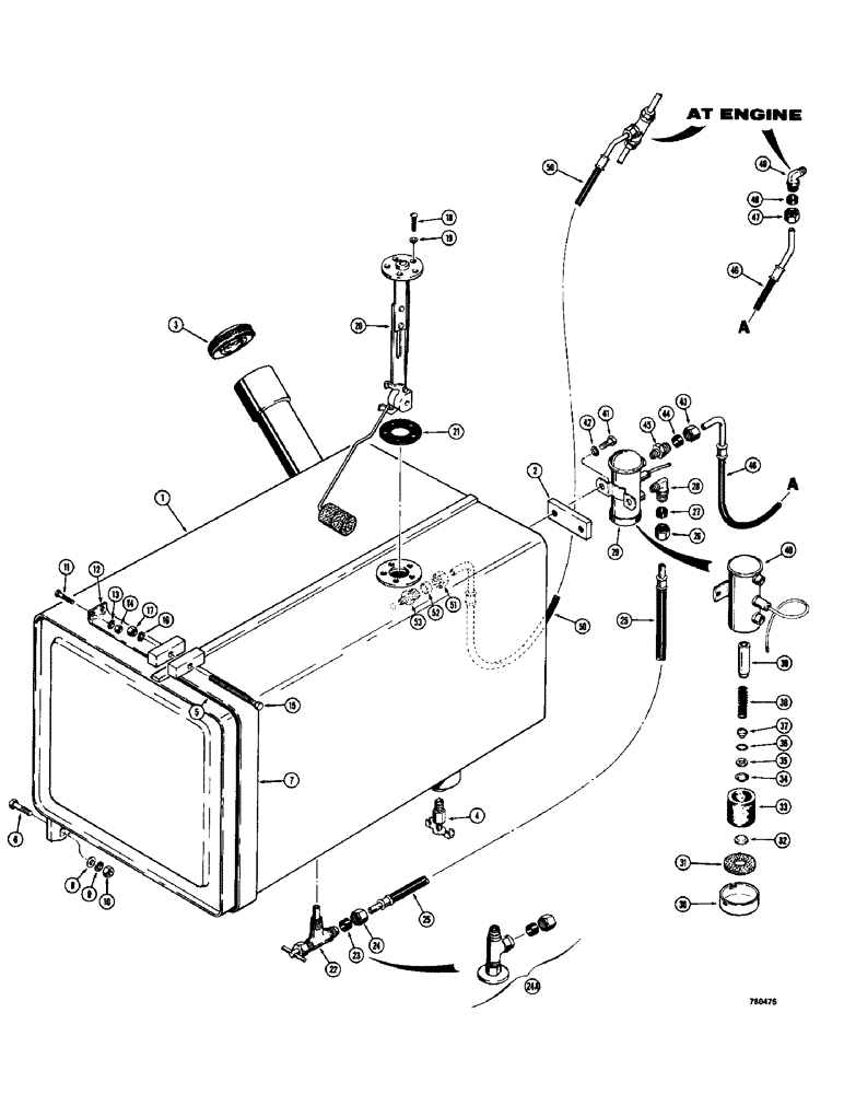
1

L17480

TANK

- fuel, used before tractor SN. 5502019, uses A27955 valve

1шт.

1

D76468

TANK

- fuel, used on tractor SN. 5502019 and after, uses D74027 valve

1шт.

2

L44292

PLATE - mounting, fuel pump

1шт.

3

A33558

CAP

- tank filler

1шт.

4

217-81

VALVE

- fuel tank drain

1шт.

5

L17484

PAD

-, Serial Range: tank-strap

2шт.

6

13-624

BOLT,Hex, 3/8" - 16 x 1-1/2", Gr 5

- hex, 3/8" - 16 NC x 1-1/2"

4шт.

7

L19921

STRAP - tank mounting

2шт.

8

95-6

WASHER,3/8"

- flat, 3/8"

4шт.

9

92-6

LOCK WASHER,3/8"

4шт.

10

25-106

NUT,3/8"-16, G5

- hex, 3/8" - 16 NC

4шт.

11

13-420

BOLT,Hex, 1/4" - 20 x 1-1/4", Gr 5

4шт.

12

L45309

STRAP - anchor, tank mounting

2шт.

13

92-4

LOCK WASHER,1/4"

WASHER, LOCK, 1/4"

4шт.

14

25-104

NUT,1/4"-20, G5

4шт.

15

113-225

BOLT,Hex, 3/8" - 16 x 5", Gr 5, Full Thd

Strap tension Hex, 3/8"-16 x 5", G5, Full Thd

2шт.

16

92-6

LOCK WASHER,3/8"

2шт.

17

25-106

NUT,3/8"-16, G5

- hex, 3/8" - 16 NC

2шт.

18

173-221

SCREW,Sl Rnd Hd, #10 - 32 x 7/16"

- machine, round head, #10 - 32 NF x 7/16"

5шт.

19

192-18

LOCK WASHER,Helical Spring, #10, 0.196" ID, CST, ZND

WASHER, LOCK, #10

5шт.

20

A17219

UNIT

SENDING UNIT - fuel gauge

1шт.

21

A11822

GASKET

- sending unit

1шт.

A27955

VALVE

ASSEMBLY - needle, used before tractor SN. 5502019, Includes: Ref. 22 - 24

1шт.

22

NSS

NOT SOLD SEPARAT

VALVE - needle, fuel tank

1шт.

23

222-104

SLEEVE,3/8" Tube

- tube

1шт.

24

222-114

NUT,5/8"-24

NUT - tube

1шт.

24a

D74027

VALVE

- needle, use on tractor SN. 5502019 and after

1шт.

25

L43267

HOSE

- tank to fuel pump

1шт.

222-46

ELBOW,90 Degree, 5/8"-24 Fem x 1/8"-27 NPTF

FITTING ASSEMBLY - hose, 90 degrees, inlet, Includes: Ref. 26 - 28

1шт.

26

222-114

NUT,5/8"-24

NUT - fitting

1шт.

27

222-104

SLEEVE,3/8" Tube

- fitting

1шт.

28

NSS

NOT SOLD SEPARAT

BODY - fitting

1шт.

29

L14569

PUMP

- fuel, electric, when stock is exhausted, order L52634 for service, Includes: Ref. 30 - 40

1шт.

29

L52634

PUMP

- fuel, electric, Includes: Ref. 30 - 40

1шт.

30

A40312

COVER

- fuel pump

1шт.

31

A40315

GASKET

- cover

1шт.

32

A40311

MAGNET

- plunger

1шт.

33

A40314

FILTER CARTRIDGE

FILTER - fuel, L14569 pump

1шт.

33

L33210

FILTER SCREEN

SCREEN - filtering, L52634 pump

1шт.

34

A40316

RETAINER

- seal, "O" ring

1шт.

35

A40317

WASHER

- special, retainer

1шт.

36

A40318

O-RING,0.429" ID x 0.106"

- valve

1шт.

37

A40313

CUP

VALVE - cup

1шт.

38

L35316

SPRING

- plunger

1шт.

39

A40310

PLUNGER

- fuel pump

1шт.

40

NSS

NOT SOLD SEPARAT

BODY - fuel pump

1шт.

41

13-48

BOLT,Hex, 1/4" - 20 x 1/2", Gr 5

2шт.

42

92-4

LOCK WASHER,1/4"

WASHER, LOCK, 1/4"

2шт.

222-22

FITTING,1/2"-24 x 1/8" NPTF w/Nut

ASSEMBLY - straight, connector, Includes: Ref. 43 - 45

1шт.

43

87017024

TUBE NUT,1/2"-24

NUT - connector

1шт.

44

222-102

SLEEVE,1/4" Tube

1шт.

45

NSS

NOT SOLD SEPARAT

BODY - connector

1шт.

46

L26374

HOSE

- to injection pump

1шт.

222-43

ELBOW,90 Degree, 1/2"-24 Fem x 1/4"-27 NPTF

FITTING ASSEMBLY - 90 degrees, at strainer, Includes: Ref. 47 - 49

1шт.

47

87017024

TUBE NUT,1/2"-24

NUT - fitting

1шт.

48

222-102

SLEEVE,1/4" Tube

1шт.

49

NSS

NOT SOLD SEPARAT

BODY - fitting

1шт.

50

L26374

HOSE

-, Serial Range: return,-tank

1шт.

222-23

FITTING,1/2"-24 x 1/4" NPTF w/Nut

ASSEMBLY - straight, Includes: Ref. 51 - 53

1шт.

51

87017024

TUBE NUT,1/2"-24

NUT - fitting

1шт.

52

222-102

SLEEVE,1/4" Tube

1шт.

53

NSS

NOT SOLD SEPARAT

BODY - fitting

1шт.

Выбрано товаров: 62