Запчасти Case 780 (120) - EXTENDAHOE DIPPER LIGHT (04) - ELECTRICAL SYSTEMS

Схема запчастей Case 780 - (120) - EXTENDAHOE DIPPER LIGHT (04) - ELECTRICAL SYSTEMS
FIT
1:1
100%

Артикул

Название

Примечание

Количество

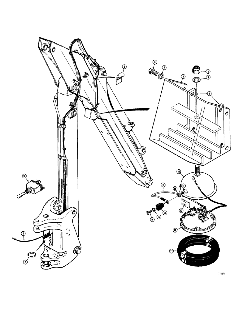
1

D61127

HARNESS - wiring, dipper light

1шт.

2

L18331

CABLE TIE,375.9mm L, Nylon, Black

STRAP, CABLE, Wire harness

11шт.

3

D48071

CLAMP

- wire retaining

2шт.

4

D52595

BAR

BLOCK - tapped, dipper light mounting, Serial Range: welded-dipper

2шт.

5

D52591

HOUSING

SHIELD - dipper light

1шт.

6

13-612

BOLT,Hex, 3/8" - 16 x 3/4", Gr 5, Full Thd

4шт.

7

92-6

LOCK WASHER,3/8"

4шт.

8

131-354

LOCK NUT,1/2"-13, GA

NUT - hex, self lock, 1/2" - 13 NC

1шт.

9

195-33

WASHER,1/2"

- flat, 1/2"

2шт.

L45149

HEADLIGHT

LIGHT ASSEMBLY - dipper, Includes: Ref. 10 - 17

1шт.

10

NSS

NOT SOLD SEPARAT

BODY AND WIRE - light

1шт.

11

A40333

WIRE -, Serial Range: light-insulator

1шт.

12

10927

SPRING

- retainer

1шт.

13

B50293

TERMINAL CONNECTOR

- light connection

1шт.

14

173-73

SCREW,Sl Rnd Hd, #8 - 32 x 1/4"

- machine, round head, #8 - 32 NC x 1/4"

2шт.

15

193-25

LOCK WASHER,Int Tooth, 0.172" ID x 0.332" OD, STL, PLN

WASHER, LOCK, Int Tooth, #8

2шт.

16

L10499

LAMP

LIGHT - sealed beam, 24 volt, #4589

1шт.

17

D31441

RETAINER

-, Serial Range: light-body

1шт.

18

T31464

SWITCH

- dipper light, L.H. instrument panel

1шт.

Выбрано товаров: 0