Запчасти Case 780 (122) - ROTATING BEACON (04) - ELECTRICAL SYSTEMS

Схема запчастей Case 780 - (122) - ROTATING BEACON (04) - ELECTRICAL SYSTEMS
FIT
1:1
100%

Артикул

Название

Примечание

Количество

1

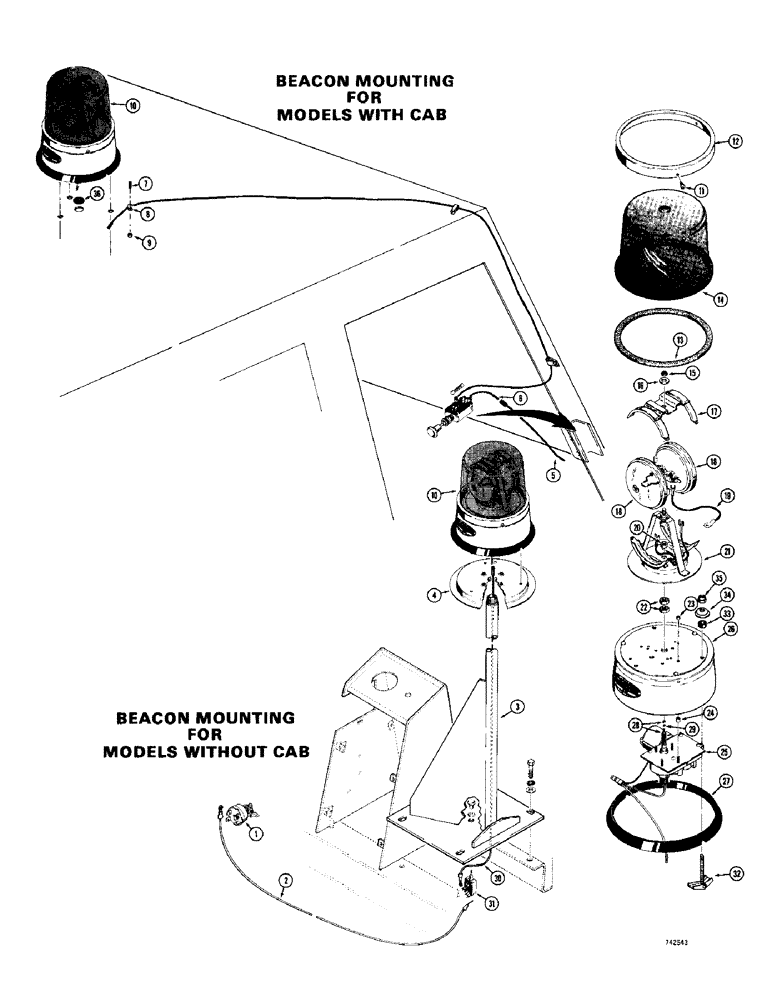
REF

INSTRUCTION

SWITCH AND KEY - electrical, see Figure 108

1шт.

2

D44376

ELECTRICAL WIRE

WIRE Jumper, to beacon switch, 101" (2565 mm) long

1шт.

3

D54474

SPARE PART PLATE - beacon support

1шт.

4

L16101

SPARE PART, Serial Range: Beacon-support

1шт.

5

REF

INSTRUCTION

HARNESS - wiring, see Figure 594-596, used on models w/ cab

1шт.

6

D55015

SPARE PART Jumper, to beacon switch, 3-1/2" (89 mm) long, used on models w/ cab

1шт.

7

173-205

X

SCREW - machine, #10 - 24 NC x 5/8", used on models w/ cab

3шт.

8

L18299

CLAMP

Harness to cab, used on models w/ cab

3шт.

9

86625057

NUT,#10-24, GB

Used on models w/ cab

3шт.

10

L16100

BEACON

AND MOUNTING PARTS - rotating, amber lens, used on models with and w/o cab, Includes: Ref. 11 - 37

1шт.

11

168-70

DRIVE SCREW,Type U, Rnd Hd, #8 x 3/8"

Self-tapping, #8 - 32 NC x 3/8", used on models with and w/o cab

3шт.

12

L32219

SPARE PART Lens retainer, used on models with and w/o cab

1шт.

13

L32220

SPARE PART Lens, used on models with and w/o cab

1шт.

14

L32221

LENS

Beacon, used on models with and w/o cabn, amber

1шт.

15

131-204

NUT,1/4"-20

Used on models with and w/o cab

1шт.

16

193-94

SPARE PART Internal tooth lock, 3/8", used on models with and w/o cab

1шт.

17

L32222

SPARE PART Top, beam retainer, used on models with and w/o cab

1шт.

18

L32223

LAMP

Sealed beam, 24 volt, #4505, used on models with and w/o cab

2шт.

19

L35144

SPARE PART Sealed beam, used on models with and w/o cab

2шт.

20

129-303

NUT,3/8"-16, G5, LH

SPARE PART Hex, 3/8" - 24 NF, LH thread, used on models with and w/o cab

1шт.

21

L32224

SPARE PART BRACKET - bottom, light retainer, used on models with and w/o cab

1шт.

22

L32225

NUT

SPARE PART Special, recessed, used on models with and w/o cab

2шт.

23

131-29

LOCK NUT,#8-32, GB

Used on models with and w/o cab

4шт.

24

L32228

SPACER

SPARE PART Motor to base, used on models with and w/o cab

4шт.

25

L32229

SPARE PART Electric, 24 volt, used on models with and w/o cab

1шт.

26

L32226

BASE

SPARE PART Motor and lens, used on models with and w/o cab

1шт.

27

L32227

GASKET

Motor base, used on models with and w/o cab

1шт.

28

129-3

NUT,#4-40

Used on models with and w/o cab

2шт.

29

192-3

LOCK WASHER

Lock, #4, used on models with and w/o cab

1шт.

L35092

KIT

Wiring and mounting, used on models with and w/o cab, Includes: Ref. 30 - 37

1шт.

30

L35145

HARNESS

WIRE - jumper, beacon to switch, cut to proper length, used on models with and w/o cab

1шт.

31

L16099

SWITCH

Beacon, used on models with and w/o cab

1шт.

32

L35148

BOLT

Toggle, used on models with and w/o cab

3шт.

33

F13115

GROMMET

Rubber, toggle bolt, used on models with and w/o cab

3шт.

34

L35146

LOCK WASHER

Toggle bolt, used on models with and w/o cab

3шт.

35

86625057

NUT,#10-24, GB

Used on models with and w/o cab

3шт.

36

A43211

GROMMET

Beacon wire, used on models with and w/o cab

1шт.

37

L35147

NUT - wire connecting, not shown, used on models with and w/o cab

1шт.

Выбрано товаров: 38