Запчасти Case 780 (125A) - L106562 STARTER (04) - ELECTRICAL SYSTEMS

Схема запчастей Case 780 - (125A) - L106562 STARTER (04) - ELECTRICAL SYSTEMS
FIT
1:1
100%

Артикул

Название

Примечание

Количество

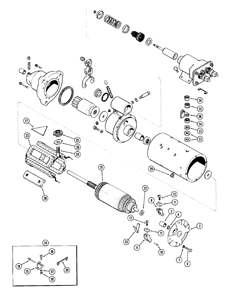
L106562

STARTER MOTOR

STARTER ASSEMBLY - new, Delco-Remy #1113534, Includes: Ref. 2 - 35

1шт.

104213A1R

REMAN-STARTER

Remanufactured Starter

1шт.

104213A1C

CORE-STARTER

Return Number

1шт.

104213A2R

REMAN-STARTER

Remanufactured Starter

1шт.

A47498

STARTING MOTOR

STARTER ASSEMBLY - remanufactured, Includes: Ref. 2 - 35 and Ref. 40 - 76 on Figure 125C

1шт.

A47500

REMAN-STARTER

Reman For New P/N A47498

1шт.

A47499

CORE-STARTER

Return Number - use this part no. to return starter core for credit, Includes: Ref. 2 - 35

1шт.

2

A45003

FRAME

FRAME ASSEMBLY - commutator end, Includes: Ref. 3 and 4

1шт.

3

A45152

BUSHING

BUSHING - frame

1шт.

4

A47133

WICK

WICK - oil (Felt pad)

1шт.

6

114-1

BOLT,Hex, 1/4" - 28 x 1", Gr 5

BOLT, Hex, 1/4"-28 x 1", G5

4шт.

7

192-19

LOCK WASHER,Helical Spring, 0.256" ID, CST, ZND

WASHER, LOCK, 1/4"

4шт.

8

R21590

HOLDER

HOLDER - brush, insulated

2шт.

9

A40217

HOLDER

HOLDER - brush, grounded

2шт.

10

47-310

RIVET,FH, 3/16" x 5/8"

RIVET - brush support

4шт.

11

R15024

BRUSH, COMMUTATOR

BRUSH BRUSH - starter

4шт.

12

D32481

SELF-TAP SCREW,Sltd Pan Hd, #8-32 x 13/16", w/LW

SCREW - brush, #8 - 32 x 13/16" self-tapping

4шт.

13

R15025

SPRING

SPRING - brush tension

2шт.

14

A47072

BRUSH, COMMUTATOR

BRUSH BRUSH SUPPORT KIT, Includes: Ref. 15 - 20

2шт.

15

NSS

NOT SOLD SEPARAT

SUPPORT

1шт.

16

182-541

SCREW,Cross Pan Hd, #10-24 x 3/4"

SCREW - support to body, #10 - 32 x 3/4" pan head

2шт.

17

192-18

LOCK WASHER,Helical Spring, #10, 0.196" ID, CST, ZND

WASHER, LOCK, #10

2шт.

18

129-17

NUT,Hex, #10 - 24

NUT - #10 NF hex

2шт.

19

A47260

PIN

PIN - brush holder

1шт.

20

R15030

ELECTRICAL WIRE

WIRE LEAD - brush

1шт.

21

A40909

ARMATURE

ARMATURE - starter

1шт.

22

A41917

WASHER,14.25mm ID x 24.89mm OD x 1.57mm Thk

WASHER - thrust, commutator end

1шт.

23

A43860

COIL

COIL ASSEMBLY - field, Includes: Ref. 24

1шт.

24

A40896

STUD

STUD - field terminal

1шт.

A41925

BUSHING

BUSHING ASSEMBLY - inner, field terminal stud insulating, Includes: Ref. 25 and 26

1шт.

25

NSS

NOT SOLD SEPARAT

INSULATOR - field coil stud, inner

1шт.

26

NSS

NOT SOLD SEPARAT

SUPPORT - stud insulator

1шт.

27

A41977

RUBBER INSULATOR

INSULATOR - field coil

2шт.

28

R15115

SHOE

SHOE - pole

4шт.

29

A42127

SCREW,3/8" - 24 x 0.20"

SCREW - pole shoes, 3/8 x 5/8" NF, flat slotted head

8шт.

30

A40894

CONNECTOR, ELEC

CONNECTOR CONNECTOR - field, Serial Range: terminal-solenoid

1шт.

32

D30005

INSULATOR

INSULATOR - field stud, outer, 1/2 x 1 x 3/32" (12.7 x 25.4 x 2.38 mm)

2шт.

33

D30006

WASHER

WASHER - terminal stud, 1/2 x 7/8 x 1/32" (12.7 x 22.23 x 0.79 mm)

1шт.

34

129-145

JAM NUT,Jam, 1/2"-13, G5

NUT, , Terminal stud Jam, 1/2"-13, G5

2шт.

35

A47890

NUT

NUT - 1/2" NC hex lock

1шт.

Выбрано товаров: 40