Запчасти Case 780 (160) - FRONT AXLE AND SPINDLES, USED ON MODELS WITH TWIN BACKHOE CONTROL TOWERS (05) - STEERING

Схема запчастей Case 780 - (160) - FRONT AXLE AND SPINDLES, USED ON MODELS WITH TWIN BACKHOE CONTROL TOWERS (05) - STEERING
FIT
1:1
100%

Артикул

Название

Примечание

Количество

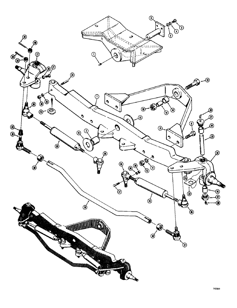
1

D16421

AXLE

- front steering, before tractor SN. 5500264, Includes: Ref. 2 and 2A

1шт.

1

D54464

AXLE HOUSING

AXLE - front steering, tractor SN. 5500264 and after, Includes: Ref. 2 and 2A

1шт.

2

L12814

TRUNNION

BUSHING - axle pivot

1шт.

2a

L17795

PLATE

- thrust, Serial Range: spindle-axle

2шт.

3

13-816

BOLT,Hex, 1/2" - 13 x 1", Gr 5, Full Thd

2шт.

4

92-8

LOCK WASHER,1/2"

2шт.

5

95-8

WASHER,1/2"

flat 1/2"

2шт.

6

L17770

PIN

- pivot, Serial Range: axle-chassis

1шт.

7

219-1

LUBE NIPPLE,1/8" - 27 NPTF

FITTING - grease, straight, 1/8" NPT

1шт.

8

13-1672

BOLT,Hex, 1" - 8 x 4-1/2", Gr 5

4шт.

9

L23548

ROD - radius, Includes: Ref. 10

1шт.

10

L16825

BUSHING

- radius rod

1шт.

11

92-16

LOCK WASHER,1"

WASHER, LOCK, 1"

4шт.

12

25-1016

NUT,1"-8, G5

4шт.

13

13-2088

BOLT,Hex, 1-1/4" - 7 x 5-1/2", Gr 5

- hex, 1-1/4" - 7 NC x 5-1/2"

1шт.

14

L16826

BUSHING

SLEEVE - radius rod bolt

1шт.

15

L45146

WASHER

- trunnion thrust

1шт.

16

131-201

NUT,1 1/8"-7, GC

- hex, lock, 1-1/4" - 7 NC

1шт.

17

L17367

SPINDLE

ASSEMBLY - steering, L.H., Includes: Ref. 19

1шт.

18

L17853

SPINDLE ASSEMBLY - steering, R.H., Includes: Ref. 19

1шт.

19

L17786

BUSHING

- steering spindle

2шт.

20

219-55

LUBE NIPPLE,90 Degree Elbow, 1/8" - 27 NPTF

NIPPLE, LUBE, 90º, 1/8" NPT x .84" lg

4шт.

21

A27731

PLUG

- steering spindle

4шт.

22

L26396

PLATE

- thrust, lower

2шт.

23

L20353

PIN

KING PIN - steering spindle

2шт.

24

A27729

LOCK

- king, Serial Range: pin-axle

2шт.

25

92-10

LOCK WASHER,5/8"

WASHER, LOCK, 5/8"

2шт.

26

25-1110

NUT,5/8"-18, G5

- hex, 5/8" - 18 NF

2шт.

27

13-1024

BOLT,Hex, 5/8" - 11 x 1-1/2", Gr 5, Full Thd

Steering arm stop Hex, 5/8"-11 x 1 1/2", G5, Full Thd

2шт.

28

425-1410

JAM NUT,Jam, 5/8"-11, G5

- hex, lock, 5/8" - 11 NC

2шт.

29

L23547

ROD

TIE ROD - steering

1шт.

30

L23542

LOCK NUT

- lock, ball joint

2шт.

31

L23320

JOINT

BALL JOINT - tie rod to spindle arms, Includes: Ref. 32

2шт.

32

L32972

SEAL

- boot, ball joint

1шт.

33

25-1314

SLOTTED NUT,7/8"-14, G5

NUT - hex, slotted, 7/8" - 14 NF

2шт.

34

132-52

COTTER PIN,1/8" x 1 1/2"

Pin, Split (Cotter), 1/8" x 1 1/2"

2шт.

35

L12173

CYLINDER

- steering, parts list Figure 158

2шт.

36

L23674

END

BALL JOINT - steering cylinders to spindles and axle, Includes: Ref. 36A

4шт.

36a

D66251

SEAL

- ball joint, not shown

1шт.

37

13-628

BOLT,Hex, 3/8" - 16 x 1-3/4", Gr 5

4шт.

38

92-6

LOCK WASHER,3/8"

4шт.

39

25-106

NUT,3/8"-16, G5

- hex, 3/8" - 16 NC

4шт.

40

25-1314

SLOTTED NUT,7/8"-14, G5

NUT - hex, slotted, 7/8" - 14 NF

4шт.

41

132-52

COTTER PIN,1/8" x 1 1/2"

Pin, Split (Cotter), 1/8" x 1 1/2"

4шт.

Выбрано товаров: 44