Запчасти Case 780B (196) - BRAKE SYSTEM, AIR COMPRESSOR (07) - BRAKES

Схема запчастей Case 780B - (196) - BRAKE SYSTEM, AIR COMPRESSOR (07) - BRAKES
FIT
1:1
100%

Артикул

Название

Примечание

Количество

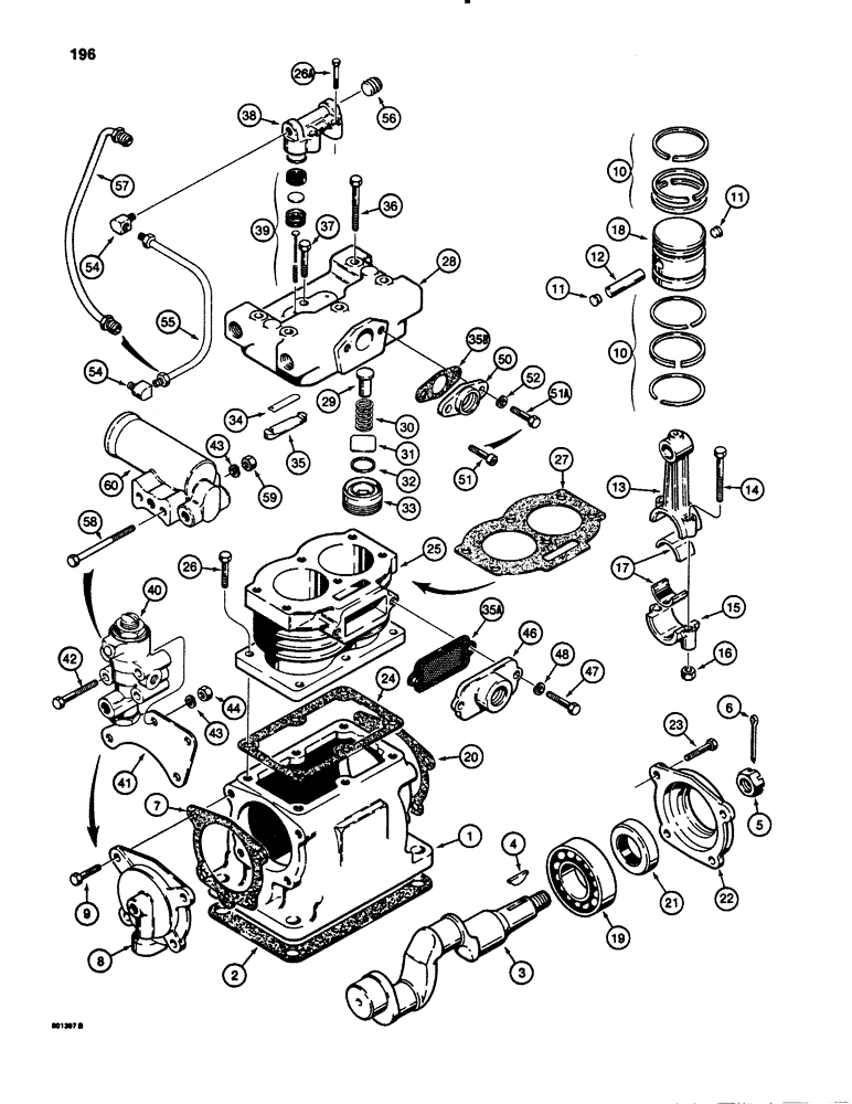
L105648

COMPRESSOR

AIR, ASSEMBLY - brake, water cooled, Midland-Ross No. N5303-Z, no longer available, order L112909 for service, Includes: Ref. 1 - 59

1шт.

L112909

COMPRESSOR

AIR, ASSEMBLY - brake, water cooled, Midland-Ross No. N5303-AB, Includes: Ref. 1 - 59

1шт.

LR112909

REMAN-COMPRESSOR

Compressor Only

1шт.

LC112909

CORE-COMPRESSOR

Return Part Number

1шт.

N7283

COMPRESSOR

AIR, brake, Midland-Ross, Includes: Ref. 1 - 59

1шт.

1

N7285

CRANKCASE

Air compressor

1шт.

2

N7284

GASKET

Base

1шт.

3

N7288

CRANKSHAFT

SPARE PART Air compressor

1шт.

4

126-124

WOODRUFF KEY,#15, 1/4" x 1", HT

1шт.

5

86632554

SLOTTED NUT,3/4"-16, G5

1шт.

6

132-50

COTTER PIN,1/8" x 1 1/4"

1шт.

7

N7293

GASKET

Rear bearing cap

1шт.

8

N7289

BALL BEARING,1.3812" ID x 2.8322" OD x 0.94"

BEARING CAP - rear

1шт.

9

113-123

BOLT,Locking, 5/16" - 18 x 1", Gr 5

Hex

4шт.

N7287

PISTON

AND ROD ASSEMBLY - air compressor, Includes: Ref. 10 - 18

2шт.

10

N7297

SET

RING, standard

6шт.

10

N7298

RING

Set, .010" (0.254 mm) oversized

6шт.

10

N7299

RING

Set, .020" (0.508 mm) oversized

6шт.

11

N7521

BUTTON

Wrist pin

2шт.

12

N7522

PIN

WRIST, piston

1шт.

N7520

ROD

ASSEMBLY - piston, Includes: Ref. 13 - 16

1шт.

13

NSS

NOT SOLD SEPARAT

ROD - connecting

1шт.

14

NSS

NOT SOLD SEPARAT

BOLT - special, connecting rod

2шт.

15

NSS

NOT SOLD SEPARAT

CAP - rod

1шт.

16

131-1

LOCK NUT,1/4"-28, GB

Cap

2шт.

17

N7300

BEARING SET

INSERT KIT - set of 2, standard

1шт.

17

N7301

BEARING SET

INSERT KIT - set of 2, .010" (0.254 mm) undersized

1шт.

17

N7302

BEARING

INSERT KIT - set of 2, .020" (0.508 mm) undersized

1шт.

17

N7303

BEARING

INSERT KIT - set of 2, .030" (0.762 mm) undersized

1шт.

18

N7304

PISTON

Standard

1шт.

18

N7305

PISTON

.010" (0.254 mm) oversized

1шт.

18

N7306

PISTON

.020" (0.508 mm) oversized

1шт.

19

N7292

BALL BEARING,1.378" ID x 2.8346" OD x 0.6693"

Crankshaft

1шт.

20

N7293

GASKET

Front bearing cap

1шт.

21

N7291

SEAL

Front cover

1шт.

22

N7290

CAP

SPARE PART BEARING, front

1шт.

23

113-123

BOLT,Locking, 5/16" - 18 x 1", Gr 5

Hex

4шт.

24

N7294

GASKET

, Serial Range: Case-block

1шт.

25

N7286

BLOCK ASSY.

Cylinder

1шт.

26

113-123

BOLT,Locking, 5/16" - 18 x 1", Gr 5

Hex

6шт.

N7295

HEAD

ASSEMBLY - air compressor, includes N7307 Head Repair Kit, see below, Includes: Ref. 26A - 35B

1шт.

26a

113-4

BOLT,Hex, 1/4" - 20 x 1", Gr 5

2шт.

27

N7310

CYLINDER HEAD GASKET

Head

1шт.

28

NSS

NOT SOLD SEPARAT

HEAD - air compressor

1шт.

29

N7554

SEAT

Exhaust valve

2шт.

30

NSS

NOT SOLD SEPARAT

SPRING - exhaust valve

2шт.

31

NSS

NOT SOLD SEPARAT

VALVE - exhaust

2шт.

32

N7555

WASHER

Special

2шт.

33

N7556

STOP

Exhaust valve

2шт.

34

NSS

NOT SOLD SEPARAT

VALVE - inlet

2шт.

35

N7553

SEAT

GUARD - inlet valve

2шт.

35a

N7308

GASKET

Intake manifold

1шт.

35b

N7309

GASKET

Exhaust manifold

1шт.

36

113-186

BOLT,Hex, 5/16" - 18 x 2-3/8", Gr 5

5шт.

37

113-120

BOLT,Hex, 5/16" - 18 x 1-3/4", Gr 5

1шт.

N7296

VALVE

UNLOADER - assembly, Includes: Ref. 38 and 39

1шт.

38

NSS

NOT SOLD SEPARAT

BODY - unloader

1шт.

39

N7311

KIT

Repair, unloader

1шт.

40

N7281

BAR

GOVERNOR - air compressor, parts list Figure 200, used with L105648 compressor

1шт.

41

N7282

BRACKET

Governor to air compressor

1шт.

42

114-122

BOLT,Hex, 5/16" - 24 x 2", Gr 5

2шт.

43

192-20

LOCK WASHER,Helical Spring, 0.318" ID, CST, ZND

2шт.

44

129-122

NUT,5/16"-24, G5

2шт.

45

RESERVED

1шт.

46

N7278

FLANGE

PORT - inlet

1шт.

47

113-113

BOLT,Hex, 5/16" - 18 x 7/8", Gr 5

2шт.

48

192-20

LOCK WASHER,Helical Spring, 0.318" ID, CST, ZND

2шт.

49

RESERVED

1шт.

50

N7279

FLANGE

PORT - outlet

1шт.

51

61-514

SPARE PART BOLT - hex socket head, 5/16" - 18 NC x 7/8", used with L105648 compressor

2шт.

51s

113-103

BOLT,Hex, 5/16" - 18 x 1", Gr 5

5/16" - 18 NC x 7/8", Used with L112909 compressor

2шт.

52

192-20

LOCK WASHER,Helical Spring, 0.318" ID, CST, ZND

2шт.

53

N8782

REGULATOR

GOVERNOR - air compressor, used with L112909 compressor, parts lists Figure 201A

1шт.

This part is incorrectly labeled in illustration as Ref. 60. It should be 53.

1шт.

54

222-1022

ELBOW,90 Degree, 7/16"-24 Inv Fl x 1/8" NPT

Tube

2шт.

55

N7280

TUBE

Unloader, used with L105648 compressor

1шт.

56

221-849

PLUG,Hex Soc, 1/8"-27

Unloader

1шт.

57

N8781

TUBE,5.65, 3.68" L

Governor, used with L112909 compressor

1шт.

58

113-177

BOLT,Hex, 5/16" - 18 x 3", Gr 5

Used with L112909 compressor

2шт.

59

9635082

NUT,5/16" - 18, Gr 5

Used with L112909 compressor

2шт.

N7307

KIT

Head repair and gaskets, Includes Refs. 27, 30, 31, 34, 35A, and 35B

1шт.

Выбрано товаров: 81