Запчасти Case 780B (214) - EQUIPMENT HYDRAULIC CIRCUIT, RESERVOIR TO HYDRAULIC PUMPS & LOADER CONTROL VALVE (08) - HYDRAULICS

Схема запчастей Case 780B - (214) - EQUIPMENT HYDRAULIC CIRCUIT, RESERVOIR TO HYDRAULIC PUMPS & LOADER CONTROL VALVE (08) - HYDRAULICS
FIT
1:1
100%

Артикул

Название

Примечание

Количество

1

REF

INSTRUCTION

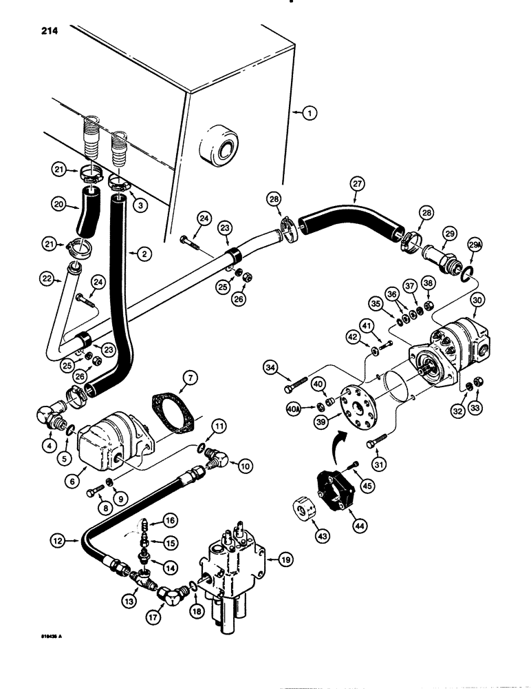
HYDRAULIC RESERVOIR - see Figure 344

1шт.

2

L103811

HOSE,1.25" ID x 30.00", SAE 100R1A

to Rear Pump 1.25" ID x 30.00", SAE 100R1A

1шт.

3

214-175

HOSE CLAMP,1-1/4" - 2-1/8", HD Worm

2шт.

4

217-355

FITTING,90 Degree Elbow, 1-1/4" Hose Barb x 1-5/8" - 12 Male ORB

ELBOW, 90°, 1 1/4" Hose x 1 5/8"-12 ORB Beaded, At rear pump, Includes Ref. 5

1шт.

5

218-5011

O-RING,0.118" Thk x 1.475" ID, -920, Cl 6, 90 Duro

- stem fitting

1шт.

6

D127915

PUMP, HYDRAULIC

HYDRAULIC PUMP - rear, parts list Figure 276

1шт.

7

L103397

GASKET

- hydraulic, Serial Range: pump-transmission

1шт.

8

13-824

BOLT,Hex, 1/2" - 13 x 1-1/2", Gr 5, Full Thd

2шт.

9

92-8

LOCK WASHER,1/2"

2шт.

10

218-5118

ELBOW,90 Degree Elbow, 1-1/16" - 12 Male JIC x 1-5/16" - 12 Male ORB

- 90 degree, hydraulic pump outlet, Includes: Ref. 11

1шт.

11

218-5010

O-RING,0.116" Thk x 1.171" ID, -916, Cl 6, 90 Duro

- elbow

1шт.

12

L54137

HOSE ASSY.

HOSE - rear pump to loader control valve, 25" (635 mm) long

1шт.

13

218-576

TEE,1 1/16"-12, 37 Degree x 3/4"-14, NPTF Fem Br

- pressure check

1шт.

14

217-1092

HYD CONNECTOR,3/4"-14 NPTF x 1/4"-18 NPTF

ADAPTER - tee to coupling

1шт.

15

S206607

DISC

COUPLING - pressure check

1шт.

16

S206608

CAP

- dust

1шт.

17

L59310

ELBOW UNION

ELBOW - 90 degree, at loader control valve, Includes: Ref. 18

1шт.

18

218-5008

O-RING,0.116" Thk x 0.924" ID, -912, Cl 6, 90 Duro

- elbow

1шт.

19

REF

INSTRUCTION

CONTROL VALVE - loader, parts list Figures 242 and 244

1шт.

20

L108096

HOSE,1.50" ID x 7.00", SAE 100R1 Type A

- at reservoir, to front hydraulic pump, 7" (177 mm) long

1шт.

21

214-175

HOSE CLAMP,1-1/4" - 2-1/8", HD Worm

2шт.

22

L103265

TUBE - to front hydraulic pump 1.5" OD x 38.14, 14.95" L

1шт.

23

D47198

CLAMP

- tube

2шт.

24

13-828

BOLT,Hex, 1/2" - 13 x 1-3/4", Gr 5

- hex head, 1/2" - 13 NC x 1-3/4"

2шт.

25

92-8

LOCK WASHER,1/2"

2шт.

26

25-108

NUT,1/2"-13, G5

- hex, 1/2" - 13 NC

2шт.

27

L102881

HOSE - to front hydraulic pump, 17" (432 mm) long

1шт.

28

214-175

HOSE CLAMP,1-1/4" - 2-1/8", HD Worm

2шт.

29

217-176

FITTING,1-1/2" Hose Barb x 1-5/8" - 12 Male ORB

STEM FITTING - at front hydraulic pump, Includes: Ref. 29A

1шт.

29a

218-5011

O-RING,0.118" Thk x 1.475" ID, -920, Cl 6, 90 Duro

- fitting

1шт.

30

D127914

PUMP

HYDRAULIC PUMP - front, parts list Figure 274

1шт.

31

13-832

BOLT,Hex, 1/2" - 13 x 2", Gr 5

1шт.

32

92-8

LOCK WASHER,1/2"

1шт.

33

25-108

NUT,1/2"-13, G5

- hex head, 1/2" - 13 NC

1шт.

34

13-844

BOLT,Hex, 1/2" - 13 x 2-3/4", Gr 5

Hex, 1/2"-13 x 2 3/4", G5

1шт.

35

193-87

LOCK WASHER,Ext-Int Tooth, 1/2"

WASHER, LOCK, Ext-Int Tooth, 1/2"

1шт.

36

95-8

WASHER,1/2"

flat 1/2"

2шт.

37

92-8

LOCK WASHER,1/2"

1шт.

38

25-108

NUT,1/2"-13, G5

- hex, 1/2" - 13 NC

1шт.

L104726

COUPLING

ASSEMBLY - hydraulic pump, used before tractor SN 9151365, except not used on SN 9151359, Includes: Ref. 39 and 40

1шт.

39

NSS

NOT SOLD SEPARAT

COUPLING - hydraulic pump

1шт.

40

G36905

BLOCK

BUSHING - coupling assembly

8шт.

40a

L108479

WASHER

- special, used with L104726 coupling

1шт.

41

113-2611

PREV TORQUE BOLT,Locking, 7/16"-14 x 1 1/2", G5

BOLT - hex head, 7/16" - 14 NC x 1-1/2", used with L104726 coupling

8шт.

42

L79092

WASHER

- special, 7/16", used with L104726 coupling

8шт.

L60825

COUPLING

ASSEMBLY - hydraulic pump, used on tractor SN 9151359 and on SN 9151365 and after, Includes: Ref. 43 - 45

1шт.

43

NSS

NOT SOLD SEPARAT

HUB - coupling

1шт.

44

N8314

COUPLING

- hydraulic pump

1шт.

45

864-14040

HEX SOC SCREW,M14 x 40mm, Cl 8.8

BOLT - hex socket head, 14 mm - 20 x 40 mm (8.8), plated

6шт.

Выбрано товаров: 49