Запчасти Case 780B (012) - RADIATOR, FAN, AND MOUNTING PARTS (02) - ENGINE

Схема запчастей Case 780B - (012) - RADIATOR, FAN, AND MOUNTING PARTS (02) - ENGINE
FIT
1:1
100%

Артикул

Название

Примечание

Количество

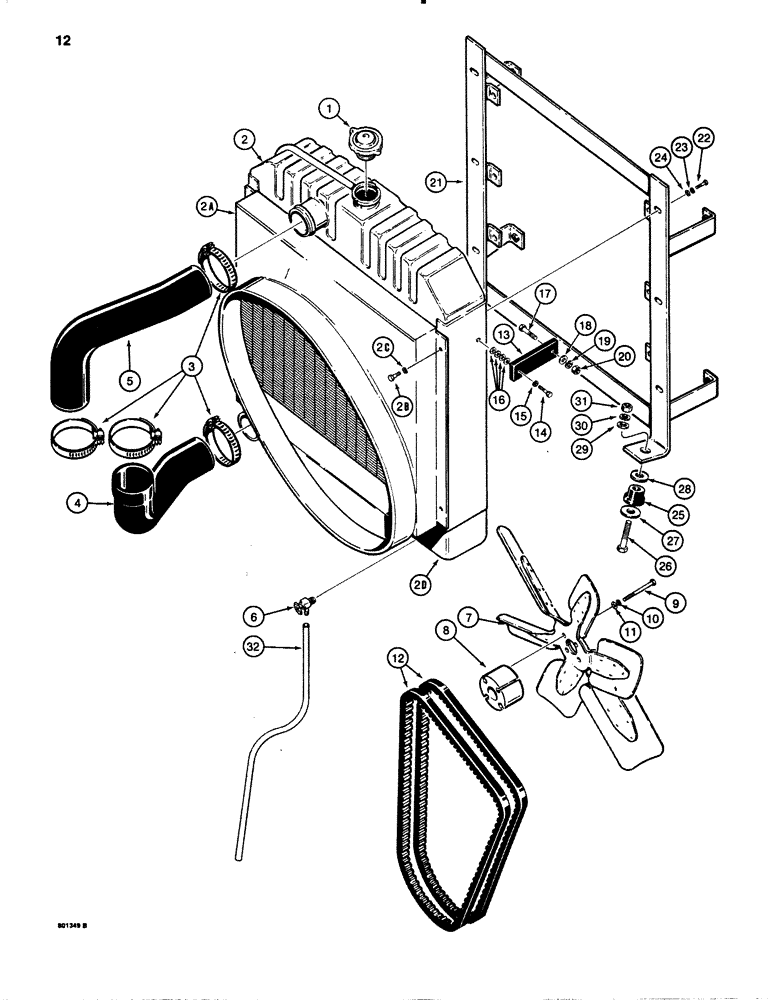
1

D25826

CAP

- radiator, 7 PSI (48 kPa)

1шт.

2

L108998

RADIATOR

- engine cooling, Includes: Ref. 2A - 2D

1шт.

2a

N7957

GUARD

SHROUD - radiator

1шт.

2b

113-1

BOLT,Hex, 1/4" - 20 x 1/2", Gr 5

4шт.

2c

192-19

LOCK WASHER,Helical Spring, 0.256" ID, CST, ZND

WASHER, LOCK, 1/4"

4шт.

2d

L111959

COOLER

- oil, bottom tank

1шт.

This is a transmission oil cooler.

1шт.

3

214-262

HOSE CLAMP,#44, 2.31" - 3.25", Type F Worm

CLAMP - radiator hose

4шт.

4

L101913

RADIATOR HOSE

Lower

1шт.

5

L107755

RADIATOR HOSE,63.50 mm ID x 340.90 mm, SAE 20R4 Class C or D-1

Upper 63.50 mm ID x 340.90 mm, SAE 20R4 Class C or D-1

1шт.

6

A27862

COCK, DRAIN

VALVE - radiator drain

1шт.

7

D90413

FAN

- suction

1шт.

8

L101259

FAN

SPACER - fan

1шт.

9

13-652

BOLT,Hex, 3/8" - 16 x 3-1/4", Gr 5

- hex head, 3/8" - 16 NC x 3-1/4"

4шт.

10

92-6

LOCK WASHER,3/8"

4шт.

11

95-6

WASHER,3/8"

- flat, 3/8"

4шт.

12

A59296

SET OF BELTS,0.69" W x 60.00" L

SET OF 2 BELTS , Matched, Fan and alternator drive 0.69" W x 60.00" L

1шт.

L45532

V-BELT 52.00" L, Air conditioner, Not shown 52.00" L

1шт.

L108218

BELT,0.50" W x 46.40" L

Brake air compressor drive, Not shown 0.50" W x 46.40" L

1шт.

13

L50641

CONNECTING STRIP

STRAP - radiator mounting

2шт.

14

13-520

BOLT,Hex, 5/16" - 18 x 1-1/4", Gr 5

- hex head, 5/16" - 18 NC x 1-1/4"

2шт.

15

92-5

LOCK WASHER,5/16"

2шт.

16

95-5

WASHER,3/8" x 7/8" x .083"

- flat, 5/16"

8шт.

17

13-620

BOLT,Hex, 3/8" - 16 x 1-1/4", Gr 5, Full Thd

2шт.

18

95-6

WASHER,3/8"

- flat, 3/8"

2шт.

19

92-6

LOCK WASHER,3/8"

2шт.

20

25-106

NUT,3/8"-16, G5

- hex, 3/8" - 16 NC

2шт.

21

L104674

SUPPORT - radiator, use with L108816 oil cooler only, see Figure 210

1шт.

21a

L107318

SUPPORT - radiator, not shown, use with L106968 oil cooler only, see Figure 210

1шт.

22

14-512

BOLT,Hex, 5/16" - 24 x 3/4", Gr 5, Full Thd

6шт.

23

92-5

LOCK WASHER,5/16"

6шт.

24

95-5

WASHER,3/8" x 7/8" x .083"

- flat, 5/16"

6шт.

25

L46821

SHOCK ABSORBER

BUSHING - radiator mounting

2шт.

26

13-840

BOLT,Hex, 1/2" - 13 x 2-1/2", Gr 5

- hex head, 1/2" - 13 NC x 2-1/2"

2шт.

27

195-2061

WASHER,5/8" x 1 7/8" x .134"

- flat, 1/2", special

2шт.

28

195-2262

WASHER,41/64" x 2 1/2" x .109"

- flat, 9/16", special

1шт.

29

95-8

WASHER,1/2"

flat 1/2"

2шт.

30

92-8

LOCK WASHER,1/2"

2шт.

31

25-108

NUT,1/2"-13, G5

- hex, 1/2" - 13 NC

2шт.

32

L60451

HOSE

- drain, 27" (686 mm) long, cut from C18274 bulk hose, see below

1шт.

C18274

HOSE

- bulk, 60" (1524 mm) long

1шт.

Выбрано товаров: 41