Запчасти Case 780B (232) - BACKHOE DIPPER CYLINDER HYDRAULIC CIRCUIT (08) - HYDRAULICS

Схема запчастей Case 780B - (232) - BACKHOE DIPPER CYLINDER HYDRAULIC CIRCUIT (08) - HYDRAULICS
FIT
1:1
100%

Артикул

Название

Примечание

Количество

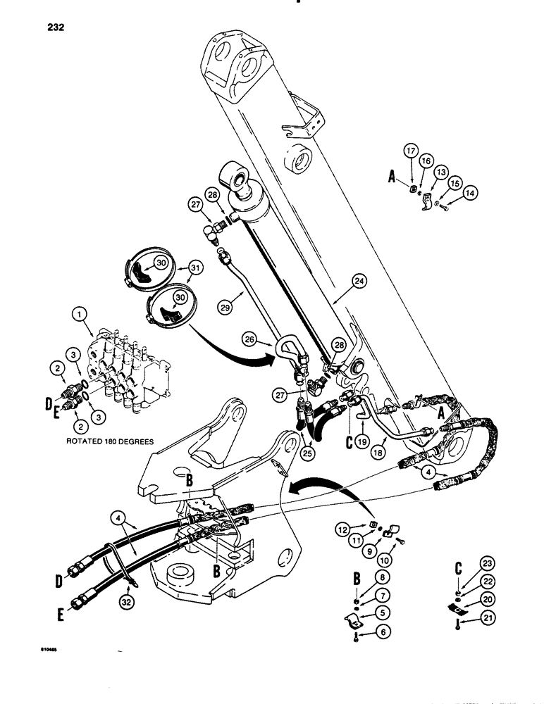
1

REF

INSTRUCTION

CONTROL VALVE - backhoe, parts list Figure 256

1шт.

2

218-5069

HYD CONNECTOR,1-5/16" - 12 Male JIC x 1-5/16" - 12 Male ORB

Adapter - male, straight, Incl. Ref. 3

2шт.

3

218-5010

O-RING,0.116" Thk x 1.171" ID, -916, Cl 6, 90 Duro

- adapter

1шт.

4

L103780

HOSE,0.75" ID x 63.00", SAE 100R2

Control Valve to Dipper Cylinder 0.75" ID x 63.00", SAE 100R2

2шт.

5

L102375

CLAMP

- hose

2шт.

6

13-620

BOLT,Hex, 3/8" - 16 x 1-1/4", Gr 5, Full Thd

2шт.

7

92-6

LOCK WASHER,3/8"

2шт.

8

25-106

NUT,3/8"-16, G5

- hex, 3/8" - 16 NC

2шт.

9

L102375

CLAMP

- hose

2шт.

10

13-616

BOLT,Hex, 3/8" - 16 x 1", Gr 5, Full Thd

2шт.

11

92-6

LOCK WASHER,3/8"

2шт.

12

25-286

NUT,Sq, 3/8"-16, G2, Hvy

SQUARE NUT - 3/8" - 16 NC

2шт.

13

D41165

CLAMP,19mm ID, 10.5mm Bolt Hole, J Type

- hose

2шт.

14

13-616

BOLT,Hex, 3/8" - 16 x 1", Gr 5, Full Thd

2шт.

15

95-6

WASHER,3/8"

- flat, 3/8"

2шт.

16

92-6

LOCK WASHER,3/8"

2шт.

17

25-286

NUT,Sq, 3/8"-16, G2, Hvy

SQUARE NUT - 3/8" - 16 NC

2шт.

18

L108667

TUBE ASSY.,0.75" OD

TUBE - hose to dipper cylinder, left-hand, closed end

1шт.

19

L108669

TUBE ASSY.,0.75" OD

TUBE - hose to dipper cylinder, right-hand, rod end

1шт.

20

D33316

CLAMP

- tube

1шт.

21

13-528

BOLT,Hex, 5/16" - 18 x 1-3/4", Gr 5

- hex head, 5/16" - 18 NC x 1-3/4"

1шт.

22

95-5

WASHER,3/8" x 7/8" x .083"

- flat, 5/16"

1шт.

23

131-4

LOCK NUT,5/16"-18, GB

NUT - hex, self-locking, 5/16" - 18 NC

1шт.

24

G103050

CYLINDER

- dipper, parts list page 293

1шт.

25

L103642

HOSE,0.75" ID x 16.00", SAE 100R2A

Tube to Dipper Cylinder 0.75" ID x 16.00", SAE 100R2A

2шт.

26

L103622

TUBE ASSY.,1" OD

TUBE - dipper cylinder, closed end

1шт.

27

L114092

ELBOW

- 90 degree, special, Includes: Ref. 28

2шт.

28

218-5008

O-RING,0.116" Thk x 0.924" ID, -912, Cl 6, 90 Duro

- elbow

1шт.

29

L103700

TUBE ASSY.,1" OD x 42.02" L

TUBE - dipper cylinder, rod end

1шт.

30

L79937

SADDLE

SPACER - rubber, tube clamp

2шт.

31

214-277

HOSE CLAMP,#100, 5.88" - 6.75", Type F Worm

CLAMP - tube to dipper cylinder

2шт.

32

L18337

CABLE TIE,9.95"-12.1" lg

STRAP - tie, 15 inch, nylon

1шт.

Выбрано товаров: 32