Запчасти Case 780B (300) - LOADER LIFT FRAME AND MOUNTING PARTS (09) - CHASSIS/ATTACHMENTS

Схема запчастей Case 780B - (300) - LOADER LIFT FRAME AND MOUNTING PARTS (09) - CHASSIS/ATTACHMENTS
FIT
1:1
100%

Артикул

Название

Примечание

Количество

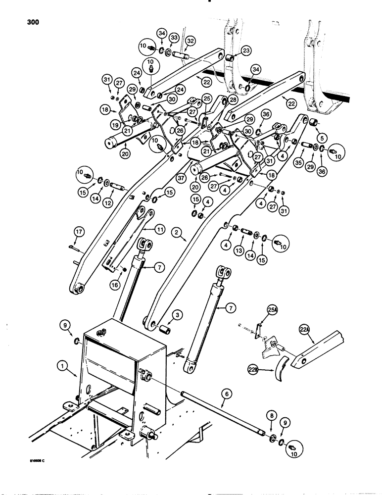
1

REF

INSTRUCTION

CHASSIS ASSEMBLY - parts list Figure 344

1шт.

2

L101629

FRAME ASSEMBLY - loader lift, Includes: Ref. 3 - 5

1шт.

3

L104381

BUSHING

- lift frame at chassis

2шт.

4

D46405

BUSHING,44.68mm ID x 53.98mm OD x 19.05mm L

- at lift cylinders, bucket linkage, and bucket cylinder

12шт.

5

L71372

BUSHING,51.03mm ID x 63.65mm OD x 44.45mm L

- lift frame at bucket

2шт.

6

L108428

SHAFT

PIN - pivot, lift arm and lift, Serial Range: cylinders-chassis

2шт.

7

REF

INSTRUCTION

CYLINDER - loader lift, see Figure 278

2шт.

8

195-2161

WASHER,2 5/16" x 3 1/2" x .134"

- special

1шт.

9

L101691

RING, SNAP

SNAP RING - pin retaining

4шт.

10

219-1

LUBE NIPPLE,1/8" - 27 NPTF

GREASE FITTING - straight, 1/8" NPT

14шт.

11

L103636

STRUT

- loader frame

1шт.

12

L103585

PIN

- strut, loader frame, left-hand

1шт.

13

D40040

PIN

- mounting, lift cylinder to lift frame, right-hand

1шт.

14

195-2152

WASHER,1 13/16" x 2 1/2" x .109"

- special

1шт.

15

D25280

SNAP RING,#175, Ext

Ring, Snap, , pin #175, Ext

4шт.

16

D42106

GROMMET

- rubber

1шт.

17

L78801

AXLE PIN

PIN - hitch

1шт.

18

L104305

ARM ASSY.

LINK ASSEMBLY - includes bushing, Includes: Ref. 19

4шт.

19

D31512

BUSHING,47.75mm ID x 57.15mm OD x 19.05mm L

- link at cylinder

1шт.

20

REF

INSTRUCTION

CYLINDER - bucket tilt, see Figure 280

2шт.

21

195-2154

WASHER,1 29/32" x 2 1/2" x .134"

- special, bucket cylinder

4шт.

22

L101636

LINK ASSEMBLY - bucket, used before tractor SN 9145144, and on tractor SN 9145145-9145164, 9145166 and 9145167

2шт.

22a

L108268

LINK ASSY.

LINK ASSEMBLY - bucket, used on tractor SN 9145144, 9145165, and 9145168 and after

2шт.

22b

L108411

BRACKET

INDICATOR - bucket, welded to right-hand link assembly L108268, Includes: Ref. 23 and 24

1шт.

23

L71372

BUSHING,51.03mm ID x 63.65mm OD x 44.45mm L

- link, at bucket, included in L101636 and L108268 links

1шт.

24

D46405

BUSHING,44.68mm ID x 53.98mm OD x 19.05mm L

- link, at bellcrank, included in L101636 and L108268 links

2шт.

25

L107670

LEVEL

INDICATOR - bucket, bellcrank, used on tractor SN 9145144, 9145165, and 9145188 and after

1шт.

25a

L100866

BRACKET

INDICATOR - bucket, bellcrank, used before tractor SN 9145144, and on tractor SN 9145145-9145164, 9145166 and 9145167

1шт.

26

26-1280

BOLT,Hex, 3/4" - 10 x 5", Gr 8

- hex head, 3/4" - 10 NC x 5", grade 8

4шт.

27

D34666

WASHER,33.34mm ID x 63.5mm OD x 2.38mm Thk

- special

8шт.

28

193-15

LOCK WASHER,Ext Tooth, 3/4"

WASHER, LOCK, Ext Tooth, 3/4"

1шт.

29

195-2152

WASHER,1 13/16" x 2 1/2" x .109"

- special

1шт.

30

L101686

PIN

- bellcrank mounting

4шт.

31

129-108

NUT,3/4"-10, G5

- hex, 3/4" - 10 NC, grade 8

4шт.

32

L105080

AXLE PIN

PIN - bucket link and lift, Serial Range: arm-bucket

4шт.

33

195-2155

WASHER,2 1/16" x 3" x .109"

- flat, special

1шт.

34

D26919

SNAP RING,#200, Ext

Ring, Snap, , pin #200, Ext

8шт.

35

D40040

PIN

- bucket cylinder to lift frame

2шт.

36

D25280

SNAP RING,#175, Ext

Ring, Snap, , pin #175, Ext

4шт.

37

L111393

PLATE

- lift frame, spacer

1шт.

Выбрано товаров: 40