Запчасти Case 780B (326) - BACKHOE MOUNTING FRAME AND STABILIZERS (09) - CHASSIS/ATTACHMENTS

Схема запчастей Case 780B - (326) - BACKHOE MOUNTING FRAME AND STABILIZERS (09) - CHASSIS/ATTACHMENTS
FIT
1:1
100%

Артикул

Название

Примечание

Количество

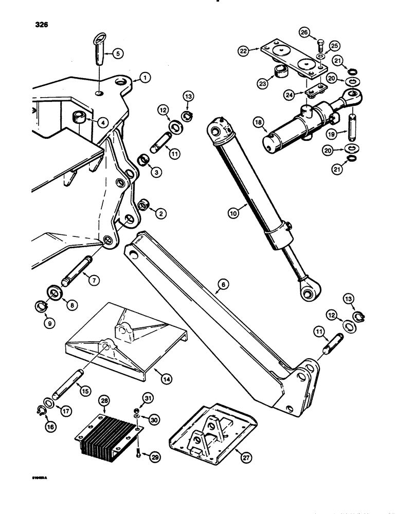
1

REF

INSTRUCTION

CHASSIS - frame assembly, parts list Figure 344, Includes: Ref. 2 - 4

1шт.

2

D33024

BUSHING,51.02mm ID x 63.5mm OD x 25.4mm L

- stabilizer, Serial Range: leg-frame

4шт.

3

D34340

BUSHING,44.68mm ID x 53.98mm OD x 25.4mm L

- stabilizer, Serial Range: cylinder-frame

4шт.

4

D60159

BUSHING,60.55mm ID x 69.85mm OD x 38.1mm L

- swing cylinder

2шт.

5

L70598

AXLE PIN

PIN - swing lock

1шт.

6

L105935

STABILIZER

LEG - stabilizer

2шт.

7

L103135

PIN

-, Serial Range: stabilizer-chassis

2шт.

8

195-2155

WASHER,2 1/16" x 3" x .109"

- spacer

4шт.

9

D26919

SNAP RING,#200, Ext

Ring, Snap, , pin #200, Ext

4шт.

10

REF

INSTRUCTION

CYLINDER - stabilizer, parts list Figure 284

2шт.

11

D25079

AXLE PIN,44.45mm OD x 157.2mm L

PIN - stabilizer, Serial Range: cylinder-stabilizer

4шт.

12

195-2152

WASHER,1 13/16" x 2 1/2" x .109"

- spacer

1шт.

13

D25280

SNAP RING,#175, Ext

Ring, Snap, , pin #175, Ext

8шт.

14

L109068

PAD

PLATE - stabilizer, service, fabricated type

2шт.

14

L110512

PAD

PLATE - stabilizer, original equipment, cast type, order L109068 plate for service

2шт.

15

D37612

PIN,38.1mm OD x 222.25mm L

- stabilizer to plate, used with L109068 fabricated plate

2шт.

15

L71043

AXLE PIN

PIN - stabilizer to plate, used with L110512 cast plate

2шт.

16

D25279

SNAP RING,M35, Int

- pin retaining

4шт.

17

195-2142

WASHER,1 17/32" x 2 1/16" x .109"

- spacer

1шт.

18

REF

INSTRUCTION

CYLINDER - swing, parts list Figure 286

2шт.

19

D127101

PIN

- swing, Serial Range: cylinder-tower

2шт.

20

T15465

WASHER

- special

4шт.

21

D25280

SNAP RING,#175, Ext

Ring, Snap, , pin #175, Ext

4шт.

22

L104211

PLATE ASSY.

PLATE - swing cylinder mounting

1шт.

23

D60159

BUSHING,60.55mm ID x 69.85mm OD x 38.1mm L

- plate

2шт.

24

L106669

RETAINER

BLOCK - bolt retaining

2шт.

25

D30196

WASHER

- special

4шт.

26

13-1644

BOLT,Hex, 1" - 8 x 2-3/4", Gr 5

- hex head, 1" - 8 NC x 2-3/4"

4шт.

27

L78070

PLATE ASSY.

PLATE - cemetery and street, if used

2шт.

28

D61368

PAD

Rubber, bolt on, street and cemetery plate, if used

2шт.

29

111-616

BOLT,Short NK, 5/8"-11 x 1 3/4", G2

- hex head, 5/8" - 11 NC x 1-3/4", if used

8шт.

30

95-10

WASHER,5/8"

- flat, , if used 5/8"

16шт.

31

25-1010

NUT,5/8"-11, G5

If used 5/8"-11, G5

8шт.

Выбрано товаров: 33