Запчасти Case 780B (346) - OPERATORS COMPARTMENT FRAME AND MOUNTING (09) - CHASSIS/ATTACHMENTS

Схема запчастей Case 780B - (346) - OPERATORS COMPARTMENT FRAME AND MOUNTING (09) - CHASSIS/ATTACHMENTS
FIT
1:1
100%

Артикул

Название

Примечание

Количество

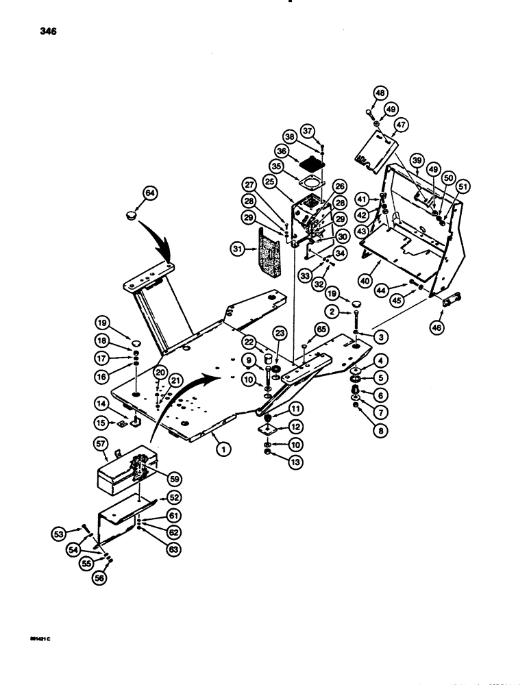
1

L107623

FRAME - operators compartment, used before tractor SN 9145079

1шт.

1

L108867

FUNNEL

FRAME - operators compartment, used on tractor SN 9145079 and after

1шт.

2

13-1056

BOLT,Hex, 5/8" - 11 x 3-1/2", Gr 5

- hex head, 5/8" - 11 NC x 3-1/2"

2шт.

3

D43266

WASHER

- special

2шт.

4

L78455

WASHER

- special

2шт.

5

L105792

SPACER

- insulator

2шт.

6

A59516

RUBBER MOUNTING,63.5mm OD x 50.8mm L

INSULATOR - frame mounting, rubber, front

2шт.

7

CASD35009

WASHER,16.67mm ID x 63.5mm OD

- special

2шт.

8

131-656

LOCK NUT,5/8"-11, GB

NUT - hex, self-locking, 5/8" - 11 NC

2шт.

9

28-1276

BOLT,Hex, 3/4" - 16 x 4-3/4", Gr 8

- hex head, 3/4" - 16 NC x 4-3/4", grade 8

2шт.

10

L79179

WASHER

- special

4шт.

11

A19066

MOUNTING PARTS

INSULATOR - frame mounting, rubber, rear

2шт.

12

L107405

SPACER

- insulator

2шт.

13

131-1251

LOCK NUT,3/4"-16, GC

NUT - hex, self-locking, 3/4" - 10 NC

2шт.

14

L103861

PAD

- rear insulator

2шт.

15

L103868

SHIM,.050" Thk

Rear insulator pad .050" Thk

1шт.

16

95-6

WASHER,3/8"

- flat, 3/8"

2шт.

17

92-6

LOCK WASHER,3/8"

2шт.

18

25-106

NUT,3/8"-16, G5

- hex, 3/8" - 16 NC

2шт.

19

205-67

HOLE PLUG BUTTON,2"

PLUG - floor, 2"

4шт.

20

353-402

PLUG,Dome, .375" hole, Nylon

4шт.

21

353-404

PLUG,Dome, .500" hole, Nylon

1шт.

22

L103917

PLUG

- floor, rear

2шт.

23

L107028

GROMMET

- floor

1шт.

24

RESERVED

1шт.

25

L105116

BRACKET

CONSOLE - loader control lever

1шт.

26

13-640

BOLT,Hex, 3/8" - 16 x 2-1/2", Gr 5

- hex head, 3/8" - 16 NC x 2-1/2"

1шт.

27

13-616

BOLT,Hex, 3/8" - 16 x 1", Gr 5, Full Thd

3шт.

28

92-6

LOCK WASHER,3/8"

4шт.

29

95-6

WASHER,3/8"

- flat, 3/8"

4шт.

30

193-72

LOCK WASHER

- internal-external tooth lock, 3/8", plated

1шт.

31

L105114

COVER

- loader console, black, if used

1шт.

31

L111758

COVER ASSY

COVER - loader console, brown, if used

1шт.

32

13-412

BOLT,Hex, 1/4" - 20 x 3/4", Gr 5, Full Thd

4шт.

33

92-4

LOCK WASHER,1/4"

WASHER, LOCK, 1/4"

4шт.

34

95-4

WASHER,1/4"

- flat, 1/4"

4шт.

35

L105377

PLATE ASSY.

PLATE - boot mounting

1шт.

36

L105188

INSULATOR BLOCK

BOOT - loader console

1шт.

37

187-1912

SCREW,Cross Pan Hd, #10 x 3/4"

- No. 10 - 24 NC x 3/4", special

4шт.

38

F43576

WASHER

- special

4шт.

39

L107642

PANEL - firewall

1шт.

40

L102568

PLATE ASSY.

PLATE - front, removable

1шт.

41

13-616

BOLT,Hex, 3/8" - 16 x 1", Gr 5, Full Thd

7шт.

42

92-6

LOCK WASHER,3/8"

7шт.

43

95-6

WASHER,3/8"

- flat, 3/8"

7шт.

44

13-820

BOLT,Hex, 1/2" - 13 x 1-1/4", Gr 5, Full Thd

4шт.

45

R24718

WASHER

- special

4шт.

46

L108558

BLOCK

- tapped

2шт.

47

L101724

BRACKET

- steering column, mounting

1шт.

48

13-824

BOLT,Hex, 1/2" - 13 x 1-1/2", Gr 5, Full Thd

2шт.

49

95-8

WASHER,1/2"

flat 1/2"

4шт.

50

92-8

LOCK WASHER,1/2"

2шт.

51

25-108

NUT,1/2"-13, G5

- hex, 1/2" - 13 NC

2шт.

52

L107762

PLATE ASSY.

PLATE - tool box mounting, used on models without cab

1шт.

For tool box mounting plate used on models with cab, see Figure 369.

1шт.

53

13-616

BOLT,Hex, 3/8" - 16 x 1", Gr 5, Full Thd

2шт.

54

95-6

WASHER,3/8"

- flat, 3/8"

4шт.

55

92-6

LOCK WASHER,3/8"

2шт.

56

25-106

NUT,3/8"-16, G5

- hex, 3/8" - 16 NC

2шт.

57

D120453

TOOL

BOX - black, if used

1шт.

57

D124090

BOX, TOOL

TOOL BOX - brown, if used

1шт.

58

RESERVED

1шт.

59

13-412

BOLT,Hex, 1/4" - 20 x 3/4", Gr 5, Full Thd

2шт.

60

RESERVED

1шт.

61

95-4

WASHER,1/4"

- flat, 1/4"

2шт.

62

92-4

LOCK WASHER,1/4"

WASHER, LOCK, 1/4"

2шт.

63

25-104

NUT,1/4"-20, G5

2шт.

64

353-412

PLUG,Dome, 1.093" hole, Nylon

- 1-1/8", canopy models only

2шт.

65

343-413

PLUG - 1-3/16", if used

1шт.

Выбрано товаров: 69