Запчасти Case 780B (360) - D124104 STANDARD SEAT SUPPORT AND MOUNTING (09) - CHASSIS/ATTACHMENTS

Схема запчастей Case 780B - (360) - D124104 STANDARD SEAT SUPPORT AND MOUNTING (09) - CHASSIS/ATTACHMENTS
FIT
1:1
100%

Артикул

Название

Примечание

Количество

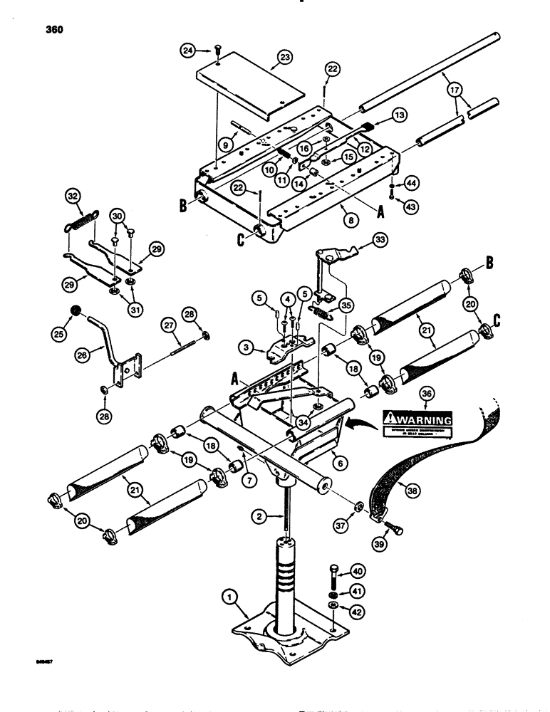
D124104

SUPPORT ASSY.

SUPPORT ASSEMBLY - seat, with tube for seat belt mounting, Includes: Ref. 1 - 33

1шт.

Parts 1 - 5 are for a five-hole swivel latch. If old seat support has a three-hole swivel latch, refer to CE Service Bulletin 26-83 to update to current spec and for proper lubrication and operation.

1шт.

1

N8385

BASE

- seat support assembly

1шт.

2

N8340

SHAFT

- seat support

1шт.

3

N8339

LATCH

- seat swivel

1шт.

4

164-407

HEX SOC SCREW,Btn Hd, 5/16" - 18 x 1/2"

SCREW - button head, 5/16" - 18 NC x 1/2"

2шт.

5

135-84

GROOVED PIN,5/16" x 3/4", Type A

PIN, GROOVED, 5/16" x 3/4", Type A

2шт.

6

N6947

SUPPORT TUBE

RISER - seat support

1шт.

7

219-16

LUBE NIPPLE,5/16" NPTF

GREASE FITTING - 5/16" drive type

1шт.

8

N6959

SLIDE

- seat

1шт.

9

N6958

PIN

- slide release

1шт.

10

N8342

SPRING

- slide release

1шт.

11

A27795

RING

- spring retaining

1шт.

12

N6956

LEVER

HANDLE - slide release, Includes: Ref. 13

1шт.

13

N13687

GRIP

- vinyl

1шт.

14

N6957

SPACER

- handle

1шт.

15

131-433

PUSH-ON NUT,Push, 1/4"

NUT - special, 1/4"

1шт.

16

195-102

WASHER,1/4"

- flat, 1/4"

1шт.

17

N6943

TUBE,1.006" OD x 21.1" L

- slide

2шт.

18

N6950

TUBE,1.015" ID x 1.1905" OD x 1"

BEARING - slide tube

4шт.

19

N6966

CLAMP

- plastic, 1-1/2" (38 mm) diameter

4шт.

20

N6965

CLAMP

- plastic, 1" (25 mm) diameter

4шт.

21

N6967

BELLOWS

- slide tube

4шт.

22

132-52

COTTER PIN,1/8" x 1 1/2"

Pin, Split (Cotter), 1/8" x 1 1/2"

2шт.

23

N6969

BRACKET

- seat

1шт.

24

N6944

CLIP

- bracket, nylon

2шт.

N6934

TUBE

KIT - handle, seat height adjustment, Includes: Ref. 25 - 28

1шт.

25

NSS

NOT SOLD SEPARAT

KNOB - handle

1шт.

26

NSS

NOT SOLD SEPARAT

HANDLE - seat height adjustment

1шт.

27

NSS

NOT SOLD SEPARAT

SHAFT - handle

1шт.

28

131-434

LOCK NUT,Push, 5/16"

NUT - special, 5/16"

2шт.

29

N6963

LATCH

- seat height adustment

2шт.

30

N6964

PIN,9.53mm OD x 19.05mm L

- latch

2шт.

31

131-435

PUSH-ON NUT,Push, 3/8"

NUT - special, 3/8"

2шт.

32

N6970

CATCH

SPRING - latch, seat height adjustment

1шт.

33

N6951

LEVER

CONTROL LEVER - seat swivel

1шт.

34

131-435

PUSH-ON NUT,Push, 3/8"

NUT - special, 3/8", Includes: Ref. 35 and 36

1шт.

35

N8341

SPRING

- seat swivel, 2.36" (60 mm) long

1шт.

36

REF

INSTRUCTION

DECAL - warning, seat spring compression, see Figure 414 or 415c

1шт.

37

L79092

WASHER

- special

2шт.

38

D75428

SAFETY BELT

SAFETY BELT, 2" (51 mm) wide, If used

1шт.

38

D83760

SAFETY BELT

SEAT BELT - 3" (76 mm) wide, if used

1шт.

39

F42236

STEP BOLT

BOLT - special

2шт.

40

113-2441

BOLT,Hex, 1/2" - 13 x 2", Gr 8

4шт.

41

92-8

LOCK WASHER,1/2"

4шт.

42

95-8

WASHER,1/2"

flat 1/2"

4шт.

43

13-512

BOLT,Hex, 5/16" - 18 x 3/4", Gr 5

4шт.

44

92-5

LOCK WASHER,5/16"

4шт.

Выбрано товаров: 48