Запчасти Case 780B (040) - CYLINDER BLOCK, 336BDT DIESEL ENGINE, BLOCK HEATER (02) - ENGINE

Схема запчастей Case 780B - (040) - CYLINDER BLOCK, 336BDT DIESEL ENGINE, BLOCK HEATER (02) - ENGINE
FIT
1:1
100%

Артикул

Название

Примечание

Количество

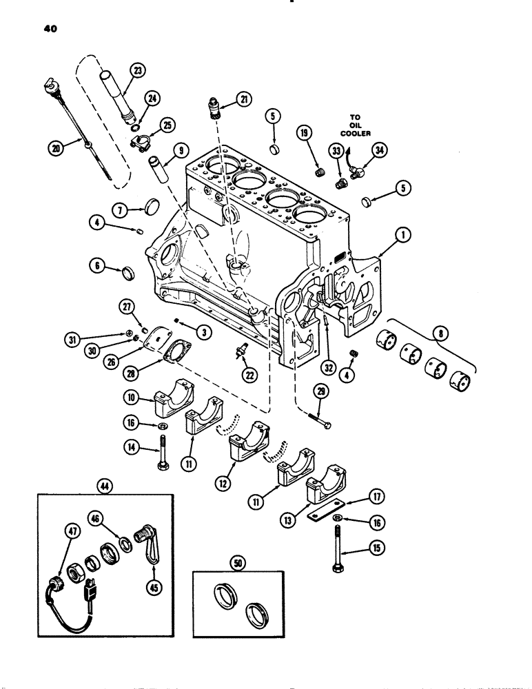
A156158

SKELETON ENGINE

BLOCK ASSEMBLY - short (Includes stripped block, camshaft, connecting rods and bearings, piston assembly, crankshaft and bearings and timing gears), Includes: Ref. 1 - 17

1шт.

1

A156159

BLOCK ASSEMBLY - stripped (Casting No. A58512), Includes: Ref. 3 - 17

1шт.

3

221-1849

PLUG

- hex socket head , 1/8 inch PT

2шт.

4

221-1843

PLUG

- hex socket head, 3/8 inch PT

3шт.

5

A58568

PLUG,Cup, 1 3/8", Stainless

- cup type, 1-3/8 inch (35 mm)

2шт.

6

A58569

PLUG,Cup, 2", Stainless

- cup type, 2 inch (51 mm)

1шт.

7

A24361

PLUG

- cup type, 2-3/8 inch (60 mm)

1шт.

8

NSS

NOT SOLD SEPARAT

BUSHING - camshaft (See Figure 39)

1шт.

9

A34540

TUBE

- oil filler and dipstick

1шт.

10

A154398

BEARING CAP

CAP - main bearing, rear (wide)

1шт.

11

A154397

BEARING CAP

CAP - main bearing, intermediate (narrow)

2шт.

12

A154395

CAP

- main bearing, thrust, center (wide)

1шт.

13

A154399

CAP

- main bearing, front (wide)

1шт.

14

A66948

STEP BOLT

BOLT - bearing caps, 5 inch

8шт.

15

A66949

STEP BOLT

BOLT - front bearing cap, 7-1/4 inch

2шт.

16

A58629

BEARING WASHER,16.66mm ID x 25.4mm OD x 3.04mm Thk

WASHER - bearing cap bolts

10шт.

17

A58859

SHIM,.005" Thk

Oil pump to cap (0.127 mm) .005" Thk

4шт.

19

221-1845

DRAIN PLUG,Hex Soc, 3/4"-14, NPTF

PLUG - hex socket head, 3/4 inch PT

1шт.

20

A155701

DIPSTICK

ASSEMBLY - oil level

1шт.

21

A67178

DRIVE

ASSEMBLY - tachometer

1шт.

22

L108628

SWITCH

- oil pressure (Replaces A66737)

1шт.

23

A153835

TUBE

- extension, dipstick

1шт.

24

A27342

O-RING,1.109" ID x 1.387" OD x 0.139"

- extension tube

1шт.

25

L47766

CLAMP

ASSEMBLY - extension tube

1шт.

26

A58891

COVER

- auxiliary pump hole

1шт.

27

221-1843

PLUG

- hex socket head, 3/8 inch PT

1шт.

28

A58617

GASKET

- cover

1шт.

29

13-656

BOLT,Hex, 3/8" - 16 x 3-1/2", Gr 5

- hex, 3/8 NC x 3-1/2 inch

2шт.

30

192-21

LOCK WASHER,3/8"

WASHER, LOCK, 3/8"

2шт.

31

129-103

NUT,Hex, 3/8" - 16, Gr 5

NUT, 3/8"-16, G5

2шт.

32

A63903

NOZZLE CAP

NOZZLE - piston oil cooling

4шт.

33

221-1060

REDUCER,Hex, 3/4" x 1/2" NPT

- 3/4 x 1/2 inch PT

1шт.

34

217-134

ELBOW,90 Degree Elbow, 5/8" Hose Barb x 1/2" Male NPTF

CONNECTOR - 90 degree, 5/8 ID hose end x 1/2 inch PT

1шт.

44

A155436

RESISTOR

HEATER ASSEMBLY - block, Includes: Ref. 45 - 47

1шт.

45

NSS

NOT SOLD SEPARAT

ELEMENT ASSEMBLY - heater

1шт.

46

A45114

GASKET

- element

1шт.

47

A44813

CABLE EXTENSION

CORD ASSEMBLY - heater, 12 inch (305 mm) long

1шт.

A44006

SLEEVE

KIT - block heater adapter, Includes: Ref. 50

1шт.

50

NSS

NOT SOLD SEPARAT

SLEEVE - block heater hole, 2-1/16 inch (52 mm)

1шт.

50

NSS

NOT SOLD SEPARAT

SLEEVE - block heater hole, 2-1/8 inch (54 mm)

1шт.

Выбрано товаров: 40