Запчасти Case 780B (080) - FOOT THROTTLE CONTROL AND FUEL SHUTOFF (04) - ELECTRICAL SYSTEMS

Схема запчастей Case 780B - (080) - FOOT THROTTLE CONTROL AND FUEL SHUTOFF (04) - ELECTRICAL SYSTEMS
FIT
1:1
100%

Артикул

Название

Примечание

Количество

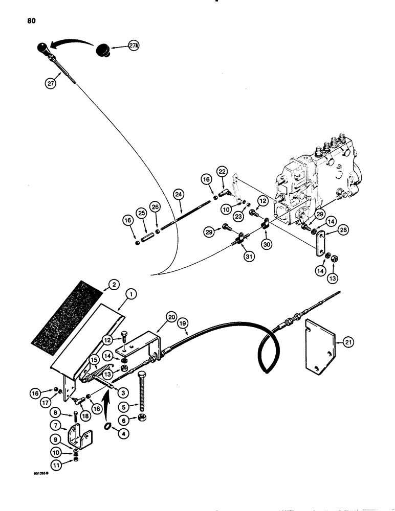
1

L101781

PEDAL

- accelerator, foot

1шт.

2

D55216

PAD,2" x 9"

PAD - accelerator pedal

1шт.

3

D66055

PIN,9.53mm OD x 79.25mm L

- pedal pivot

1шт.

4

A27795

RING

- pin retaining

2шт.

5

113-469

BOLT,Hex, 1/2" - 13 x 5", Gr 5, Full Thd

1шт.

6

25-148

JAM NUT,Jam, 1/2"-13, G5

JAM NUT - hex, 1/2"-13 NC

1шт.

7

L48002

BRACKET

- accelerator pedal pivot

1шт.

8

13-416

BOLT,Hex, 1/4" - 20 x 1", Gr 5

2шт.

9

95-4

WASHER,1/4"

- flat, 1/4"

2шт.

10

92-4

LOCK WASHER,1/4"

WASHER, LOCK, 1/4"

3шт.

11

25-104

NUT,1/4"-20, G5

2шт.

12

13-616

BOLT,Hex, 3/8" - 16 x 1", Gr 5, Full Thd

3шт.

13

25-106

NUT,3/8"-16, G5

- hex, 3/8" - 16 NC

3шт.

14

92-6

LOCK WASHER,3/8"

4шт.

15

L101777

SPRING

- extension

1шт.

16

129-27

NUT,Hex, #10 - 32

- hex, No. 10 - 32 NF

4шт.

17

92-3

LOCK WASHER,#10

WASHER, LOCK, #10

1шт.

18

L12437

BALL JOINT,#10 - 32 x 7/8"

- cable

1шт.

19

L72961

CABLE PULLING GRIP

CABLE - throttle control

1шт.

20

L101778

BRACKET

- accelerator cable mounting

1шт.

21

L103482

BRACKET

- throttle

1шт.

22

A76747

BALL JOINT,#10 -32 x 7/8" L

BALL JOINT - cable

1шт.

23

25-114

NUT,1/4"-28, G5

- hex, 1/4" - 28 NF

1шт.

24

L108065

ROD

- accelerator linkage

1шт.

25

L14227

CONNECTOR, ELEC

TURNBUCKLE - cable

1шт.

26

129-315

NUT,#10-32, LH

1шт.

27

L105937

CONTROL

- cable, fuel shutoff, Includes: Ref. 27A

1шт.

A lockwasher (192-21) and jam nut (129-163) fit at knob end of cable control.

1шт.

27a

N7359

KNOB

- fuel shutoff

1шт.

28

R39308

PLATE

- fuel shutoff cable

1шт.

29

13-612

BOLT,Hex, 3/8" - 16 x 3/4", Gr 5, Full Thd

2шт.

30

515-2348

CLAMP,4.8mm ID, 10.3mm Bolt Hole, P Type

- plate, fuel shutoff cable

1шт.

31

49859

CLAMP

- control cable

1шт.

Выбрано товаров: 0