Запчасти Case 780C (6-198) - L101466 DRIVE SHAFT (06) - POWER TRAIN

Схема запчастей Case 780C - (6-198) - L101466 DRIVE SHAFT (06) - POWER TRAIN
FIT
1:1
100%

Артикул

Название

Примечание

Количество

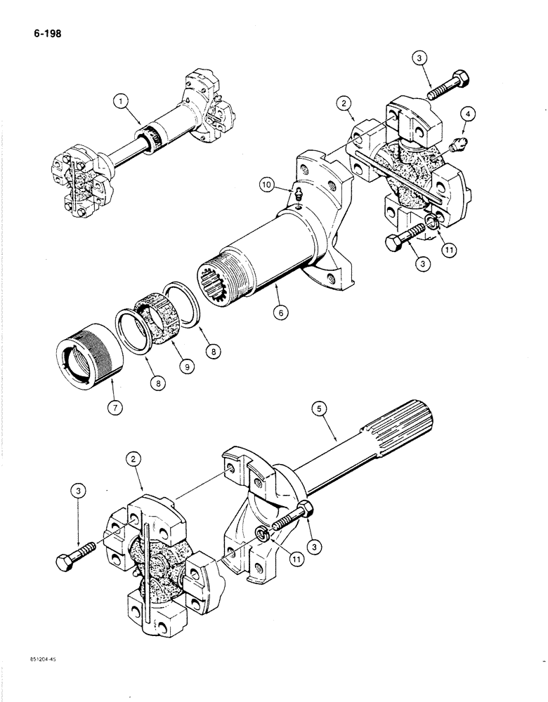
1

L101466

SHAFT

ASSEMBLY - drive, to transaxle, Includes: Ref. 2 - 10

1шт.

L36151

KIT

JOINT ASSEMBLY - universal, drive shaft, Includes: Ref. 2 - 4

2шт.

2

NSS

NOT SOLD SEPARAT

JOINT - universal, center cross

1шт.

3

28-628

BOLT,Hex, 3/8" - 24 x 1-3/4", Gr 8

hex head, 3/8" - 24 NF x 1-3/4", grade 8

8шт.

4

219-1

LUBE NIPPLE,1/8" - 27 NPTF

1шт.

5

N7122

SHAFT

external spline

1шт.

D73676

YOKE

UNIVERSAL JOINT YOKE internal spline, Includes: Ref. 6 - 10

1шт.

6

NSS

NOT SOLD SEPARAT

YOKE - sliding

1шт.

7

A19923

CAP

dust

1шт.

8

D73712

WASHER

backup

2шт.

9

D73711

FELT SEAL

felt

1шт.

10

219-1

LUBE NIPPLE,1/8" - 27 NPTF

1шт.

11

192-21

LOCK WASHER,3/8"

8шт.

Выбрано товаров: 13