Запчасти Case 780C (8-272) - BACKHOE DIPPER CYLINDER HYDRAULIC CIRCUIT (08) - HYDRAULICS

Схема запчастей Case 780C - (8-272) - BACKHOE DIPPER CYLINDER HYDRAULIC CIRCUIT (08) - HYDRAULICS
FIT
1:1
100%

Артикул

Название

Примечание

Количество

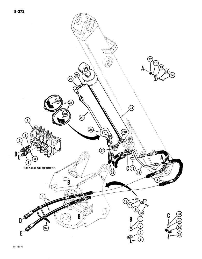
1

REF

INSTRUCTION

VALVE ASSEMBLY - backhoe control, for correct assembly, components, and mounting hardware, see parts list Figure 8-300

1шт.

2

218-5069

HYD CONNECTOR,1-5/16" - 12 Male JIC x 1-5/16" - 12 Male ORB

Straight, Male, Incl. Ref. 3

2шт.

3

237-6016

O-RING,0.116" Thk x 1.171" ID, -916, Cl 6, 90 Duro

adapter

1шт.

4

L103780

HOSE,0.75" ID x 63.00", SAE 100R2

Control Valve to Dipper Cylinder

2шт.

5

L102375

CLAMP

hose

2шт.

6

113-207

BOLT,Hex, 3/8" - 16 x 1", Gr 5

2шт.

7

92-6

LOCK WASHER,3/8"

2шт.

8

129-103

NUT,Hex, 3/8" - 16, Gr 5

2шт.

9

L102375

CLAMP

hose

2шт.

10

113-207

BOLT,Hex, 3/8" - 16 x 1", Gr 5

2шт.

11

92-6

LOCK WASHER,3/8"

2шт.

12

25-286

NUT,Sq, 3/8"-16, G2, Hvy

square, 3/8" - 16 NC

2шт.

13

D41165

CLAMP,19mm ID, 10.5mm Bolt Hole, J Type

hose

2шт.

14

113-207

BOLT,Hex, 3/8" - 16 x 1", Gr 5

2шт.

15

95-6

WASHER,3/8"

If used, not required

2шт.

16

92-6

LOCK WASHER,3/8"

2шт.

17

25-286

NUT,Sq, 3/8"-16, G2, Hvy

square, 3/8" - 16 NC

2шт.

18

L108667

TUBE ASSY.,0.75" OD

hose to dipper cylinder, left-hand, closed end

1шт.

19

L108669

TUBE ASSY.,0.75" OD

hose to dipper cylinder, right-hand, rod end

1шт.

20

D33316

CLAMP

tube

1шт.

21

113-120

BOLT,Hex, 5/16" - 18 x 1-3/4", Gr 5

1шт.

22

195-103

WASHER,5/16"

1шт.

23

131-4

LOCK NUT,5/16"-18, GB

1шт.

24

G103050

CYLINDER

ASSEMBLY - dipper, parts list Figure 8-340

1шт.

25

L103642

HOSE,0.75" ID x 16.00", SAE 100R2A

Tube to Dipper Cylinder

2шт.

26

L103622

TUBE ASSY.,1" OD

dipper cylinder, closed end

1шт.

27

L114092

ELBOW

90 degree, special, Includes: Ref. 28

2шт.

28

237-6012

O-RING,0.116" Thk x 0.924" ID, -912, Cl 6, 90 Duro

Elbow

1шт.

29

L103700

TUBE ASSY.,1" OD x 42.02" L

dipper cylinder, rod end

1шт.

30

L79937

SADDLE

SPACER - rubber, tube clamp

2шт.

31

214-277

HOSE CLAMP,#100, 5.88" - 6.75", Type F Worm

tube to dipper cylinder

2шт.

32

L18337

CABLE TIE,9.95"-12.1" lg

CABLE STRAP tie, 15 inch, nylon

1шт.

Выбрано товаров: 0