Запчасти Case 780C (8-286) - HYDRECO LOADER CONTROL VALVE - TWO SPOOL (08) - HYDRAULICS

Схема запчастей Case 780C - (8-286) - HYDRECO LOADER CONTROL VALVE - TWO SPOOL (08) - HYDRAULICS
FIT
1:1
100%

Артикул

Название

Примечание

Количество

L101840

LOCK VALVE

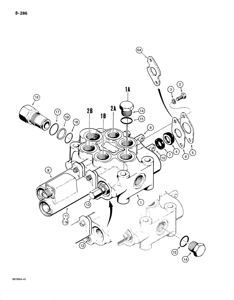
ASSEMBLY - loader control, two spool, Hydreco No. MVT025DY35, used on models with 24 volt electrical circuit, Includes: Ref. 1 - 19

1шт.

D138274

VALVE

ASSEMBLY - loader control, two spool, Hydreco No. MVT025DY53, used on models with 12 volt electrical circuit, Includes: Ref. 1 - 19

1шт.

1

NSS

NOT SOLD SEPARAT

BODY - control valve

1шт.

2

113-102

BOLT,Hex, 5/16" - 18 x 3/4", Gr 5

4шт.

3

192-20

LOCK WASHER,Helical Spring, 0.318" ID, CST, ZND

4шт.

4

D82728

RING

WIPER - spool

2шт.

5

D82721

PLATE

retaining, outer, spool used with L101840 loader valve, for service order N8212 plate

2шт.

6

D82720

PLATE ASSY.

retaining, inner, spool, used with L101840 loader valve, for service order N8212 plate

2шт.

6a

N8212

PLATE ASSY.

retaining, used with D138274 loader valve

2шт.

7

D82727

SEAL

spool

4шт.

8

NSS

NOT SOLD SEPARAT

SPOOL ASSEMBLY - lift, parts list Figure 8-290

1шт.

9

N8211

DETENT

ASSEMBLY - lift, parts list Figure 8-292

1шт.

10

NSS

NOT SOLD SEPARAT

SPOOL ASSEMBLY - bucket, parts list Figure 8-290

1шт.

11

N7171

SPOOL

DETENT ASSEMBLY - magnetic, bucket, used with L101840 loader valve, parts list Figure 8-294

1шт.

11a

N14619

DETENT

ASSEMBLY - magnetic, bucket, used with D138274 loader parts list Figure 8-294

1шт.

12

N6716

VALVE

ASEMBLY - circuit relief, parts list Figure 8-296

2шт.

13

REF

INSTRUCTION

MAIN RELIEF VALVE ASSEMBLY - parts list Figure 8-296

1шт.

14

218-5158

PLUG,Hex Hd, 1 1/16"-12 ORB

Includes: Ref. 15

1шт.

15

237-6012

O-RING,0.116" Thk x 0.924" ID, -912, Cl 6, 90 Duro

Plug

1шт.

16

N6583

FITTING

special

1шт.

17

A27342

O-RING,1.109" ID x 1.387" OD x 0.139"

Outer

1шт.

18

D54165

O-RING,0.103" Thk x 0.987" ID, -120, Cl 6, 90 Duro

inner

1шт.

19

L32991

RING

backup, inner O-ring

1шт.

Выбрано товаров: 0