Запчасти Case 780C (8-300) - BACKHOE CONTROL VALVES (08) - HYDRAULICS

Схема запчастей Case 780C - (8-300) - BACKHOE CONTROL VALVES (08) - HYDRAULICS
FIT
1:1
100%

Артикул

Название

Примечание

Количество

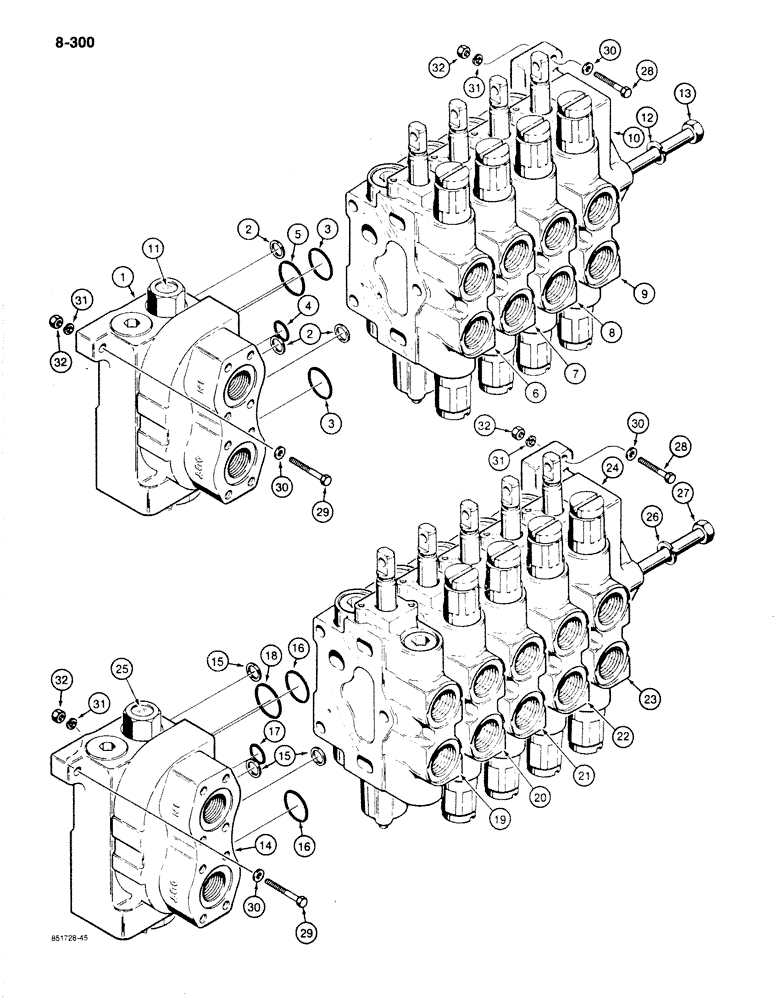
D128696

VALVE

ASSEMBLY - backhoe control, 4 section valve, without extendable dipper, Includes: Ref. 1 - 13

1шт.

1

N7492

KNIFE SECTION

SECTION, KNIFE ASSEMBLY - inlet and outlet, parts list Figure 8-302, without extendable dipper

1шт.

2

D77566

SHIM,.0030" Thk

Control valve, without extendable dipper

15шт.

R37003

SEAL KIT

KIT - without extendable dipper, Includes: Ref. 3 - 5

5шт.

3

NSS

NOT SOLD SEPARAT

O-RING - 1-5/16" (32 mm) OD

2шт.

4

NSS

NOT SOLD SEPARAT

O-RING - 1" (25 mm) OD

1шт.

5

NSS

NOT SOLD SEPARAT

O-RING - 1-1/2" (37 mm) OD

1шт.

6

N13295

KNIFE SECTION

SECTION, KNIFE ASSEMBLY - boom, parts list Figure 8-304, without extendable dipper

1шт.

7

N13296

KNIFE SECTION

SECTION, KNIFE ASSEMBLY - dipper, parts list Figure 8-306, without extendable dipper

1шт.

8

N13297

VALVE BLOCK

SECTION ASSEMBLY - bucket, parts list Figure 8-304, without extendable dipper

1шт.

9

N13298

KNIFE SECTION

SECTION, KNIFE ASSEMBLY - swing, parts list Figure 8-308, without extendable dipper

1шт.

10

D87072

COVER ASSY

end, without extendable dipper

1шт.

11

D87075

COVER

CAP - dust, without extendable dipper

1шт.

12

192-22

LOCK WASHER,7/16"

3шт.

13

D74375

BOLT

hex head, 7/16" - 14 NC x 11"

3шт.

D128697

VALVE

ASSEMBLY - backhoe control, 5 section valve, D128697 with extendable dipper, Includes: Ref. 14 - 27

1шт.

14

N7492

KNIFE SECTION

SECTION, KNIFE ASSEMBLY - inlet and outlet, parts list Figure 8-302, D128697 backhoe control valve with extendable dipper

1шт.

15

D77566

SHIM,.0030" Thk

D128697 Backhoe control valve with extendable dipper

18шт.

R37003

SEAL KIT

D128697 backhoe control valve with extendable dipper, Includes: Ref. 16 - 18

6шт.

16

NSS

NOT SOLD SEPARAT

O-RING - 1-5/16" (32 mm) OD, D128697 backhoe control valve

2шт.

17

NSS

NOT SOLD SEPARAT

O-RING - 1" (25 mm) OD, D128697 backhoe control valve

1шт.

18

NSS

NOT SOLD SEPARAT

O-RING - 1-1/2" (37 mm) OD, D128697 backhoe control valve

1шт.

19

D87073

SEGMENT

ASSEMBLY - parts list Figure 8-310, D128697 backhoe control valve with extendable dipper

1шт.

20

N13295

KNIFE SECTION

SECTION, KNIFE ASSEMBLY - boom, parts list Figure 8-304, D128697 backhoe control valve with extendable dipper

1шт.

21

N13296

KNIFE SECTION

SECTION, KNIFE ASSEMBLY - dipper, parts list Figure 8-306, D128697 backhoe control valve with extendable dipper

1шт.

22

N13297

VALVE BLOCK

SECTION ASSEMBLY - bucket, parts list Figure 8-304, D128697 backhoe control valve with extendable dipperre 8-304

1шт.

23

N13298

KNIFE SECTION

SECTION, KNIFE ASSEMBLY - swing, parts list Figure 8-308, D128697 backhoe control valve with extendable dipper

1шт.

24

D87072

COVER ASSY

end, D128697 backhoe control valve with extendable dipper

1шт.

25

D87075

COVER

CAP - dust, D128697 backhoe control valve with extendable dipper

1шт.

26

192-22

LOCK WASHER,7/16"

D128697 backhoe control valve

3шт.

27

N7497

BOLT

BOLT - hex head, 7/16" - 14 NC x 13", D128697 backhoe control valve

3шт.

28

113-233

BOLT,Hex, 3/8" - 16 x 1-3/4", Gr 5

2шт.

29

113-219

BOLT,Hex, 3/8" - 16 x 2", Gr 5

1шт.

30

95-6

WASHER,3/8"

3шт.

31

92-6

LOCK WASHER,3/8"

3шт.

32

129-103

NUT,Hex, 3/8" - 16, Gr 5

3шт.

Выбрано товаров: 0