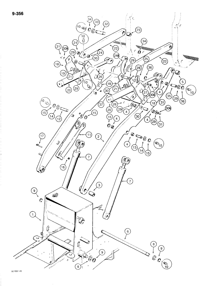
Запчасти Case 780C (9-356) - LOADER LIFT FRAME AND MOUNTING PARTS (09) - CHASSIS/ATTACHMENTS

Схема запчастей Case 780C - (9-356) - LOADER LIFT FRAME AND MOUNTING PARTS (09) - CHASSIS/ATTACHMENTS
FIT
1:1
100%

Артикул

Название

Примечание

Количество

1

REF

INSTRUCTION

CHASSIS ASSEMBLY - for correct chassis, see parts list Figures 9-410, Includes: Ref. 2 - 37

1шт.

2

D132051

ARM ASSY.

FRAME ASSEMBLY - loader lift, Includes: Ref. 3 - 5

1шт.

3

L104381

BUSHING

lift frame at chassis

2шт.

4

D46405

BUSHING,44.68mm ID x 53.98mm OD x 19.05mm L

at lift cylinders, bucket linkage, and bucket cylinder

12шт.

5

L71372

BUSHING,51.03mm ID x 63.65mm OD x 44.45mm L

lift frame at bucket

2шт.

6

D129491

SHAFT

PIN - pivot, lift arm

1шт.

7

G103073

CYLINDER ASSY.

loader lift, parts list Figure 8-324

2шт.

8

195-2178

WASHER,2 5/16" x 3" x .134"

flat, 2-1/4", plated

1шт.

9

L101691

RING, SNAP

RING SNAP pin retaining

4шт.

10

219-1

LUBE NIPPLE,1/8" - 27 NPTF

14шт.

11

D141755

STRUT

loader frame

1шт.

12

L103585

PIN

strut, loader frame, left-hand

1шт.

13

D140361

PIN

mounting, lift cylinder to lift frame, right-hand

1шт.

14

195-2152

WASHER,1 13/16" x 2 1/2" x .109"

flat, 1-3/4", special

1шт.

15

D25280

SNAP RING,#175, Ext

Pin

4шт.

16

D132350

GROMMET

SPARE PART rubber

1шт.

17

L78801

AXLE PIN

hitch, strut

1шт.

18

L104305

ARM ASSY.

LINK ASSEMBLY - includes bushing, Includes: Ref. 19

4шт.

19

D31512

BUSHING,47.75mm ID x 57.15mm OD x 19.05mm L

1шт.

20

G103753

CYLINDER

2шт.

21

195-2177

WASHER,48.41mm ID x 63.5mm OD x 4.06mm Thk

flat, 1-7/8", plated, bucket cylinder

4шт.

22

L108268

LINK ASSY.

Includes: Ref. 23 and 24

2шт.

23

L71372

BUSHING,51.03mm ID x 63.65mm OD x 44.45mm L

1шт.

24

D46405

BUSHING,44.68mm ID x 53.98mm OD x 19.05mm L

2шт.

24a

L108411

BRACKET

1шт.

25

L107670

LEVEL

1шт.

26

426-1280

BOLT,Hex, 3/4" - 10 x 5", Gr 8

4шт.

27

T53567

BEARING WASHER,16.66mm ID x 33.33mm OD x 3.43mm Thk

flat, 5/8", hardened, plated

1шт.

28

193-98

LOCK WASHER,Ext Tooth, 3/4"

1шт.

29

195-2176

WASHER,1 13/16" x 2 1/2" x .109"

flat, 1-3/4", plated

1шт.

30

L101686

PIN

bellcrank mounting

4шт.

30a

192-27

LOCK WASHER,3/4"

4шт.

31

129-138

NUT,3/4"-10, G8

4шт.

32

L105080

AXLE PIN

bucket link and lift, Serial Range: arm-bucket

4шт.

33

195-2155

WASHER,2 1/16" x 3" x .109"

flat, 2", special

1шт.

34

D26919

SNAP RING,#200, Ext

Pin

8шт.

35

D140361

PIN

bucket cylinder to lift frame

2шт.

36

D25280

SNAP RING,#175, Ext

Pin

4шт.

37

L111393

PLATE

1шт.

Выбрано товаров: 39