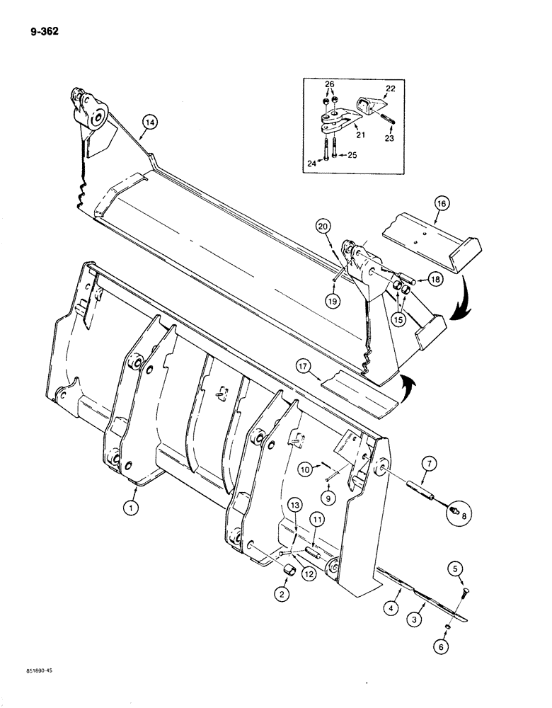
Запчасти Case 780C (9-362) - CLAM BUCKET - L108616, 1-1/2 CUBIC YARD (09) - CHASSIS/ATTACHMENTS

Схема запчастей Case 780C - (9-362) - CLAM BUCKET - L108616, 1-1/2 CUBIC YARD (09) - CHASSIS/ATTACHMENTS
FIT
1:1
100%

Артикул

Название

Примечание

Количество

L108616

clam, 1-1/2 cubic yard (1.2 cubic meter), with teeth, machinery item, order from the Machinery Price List, also includes Refs. 1-11 in Fig.8-262, A17668 and A17669 clam cylinders in Fig.8-328, and Refs. 61&62 decals in Fig.9-502, Includes: Ref. 1 - 26

1шт.

N6741

MOLDBOARD

BLADE ASSEMBLY - includes clam, bucket, Includes: Ref. 1 - 26

1шт.

N6742

MOLDBOARD

BLADE ASSEMBLY - bucket, Includes: Ref. 1 - 13

1шт.

1

NSS

NOT SOLD SEPARAT

BLADE - bucket

1шт.

2

D31142

BUSHING,51.02mm ID x 63.5mm OD x 38.1mm L

bucket ear

8шт.

3

N6743

EDGE

cutting, end

2шт.

4

A17654

EDGE

cutting, center

1шт.

5

19-1232

CARRIAGE BOLT,#3, 3/4" - 10 x 2", Gr 5

plow, 3/4" - 10 NC x 2"

18шт.

6

129-108

NUT,3/4"-10, G5

18шт.

7

A17660

PIN

clam to blade, Includes: Ref. 8

2шт.

8

219-1

LUBE NIPPLE,1/8" - 27 NPTF

1шт.

9

S10786

CLEVIS PIN

5/8" x 4-3/4"

2шт.

10

132-310

COTTER PIN,1/8" x 1"

2шт.

11

S46134

PIN,37.95mm OD x 98.55mm L

cylinder, Serial Range: base-clam

2шт.

12

S61971

CLEVIS PIN,15.88mm OD x 80.16mm L

clevis, use with S46134 pin

2шт.

13

132-310

COTTER PIN,1/8" x 1"

2шт.

N6744

CLAW

CLAM ASSEMBLY - bucket, Includes: Ref. 14 - 20

1шт.

14

NSS

NOT SOLD SEPARAT

CLAM - bucket

1шт.

15

A18662

BUSHING

clam

4шт.

16

A17657

EDGE

cutting, clam, front

1шт.

17

A17658

LARGE PLATE

PLATE, LARGE compaction, rear

1шт.

18

A17664

PIN

, Serial Range: clam-cylinder

2шт.

19

S10786

CLEVIS PIN

Use with A17664 pin

2шт.

20

132-310

COTTER PIN,1/8" x 1"

2шт.

21

S22929

TOOTH

bucket

9шт.

22

S204157

TOOTH

POINT

9шт.

23

138-316

LOCK PIN,1/2" x 2 1/2", Slotted

9шт.

24

26-1056

BOLT,Hex, 5/8" - 11 x 3-1/2", Gr 8

hex head, 5/8" - 11 NC x 3-1/2", grade 8

9шт.

25

26-1048

BOLT,Hex, 5/8" - 11 x 3", Gr 8

hex head, 5/8" - 11 NC x 3", grade 8

9шт.

26

129-193

NUT,1 1/8"-12, G5

hex, 1-1/8" - 12 NF, grade 8, plated

18шт.

Выбрано товаров: 30