Запчасти Case 780C (9-442) - D127369 SUSPENSION SEAT SUPPORT (09) - CHASSIS/ATTACHMENTS

Схема запчастей Case 780C - (9-442) - D127369 SUSPENSION SEAT SUPPORT (09) - CHASSIS/ATTACHMENTS
FIT
1:1
100%

Артикул

Название

Примечание

Количество

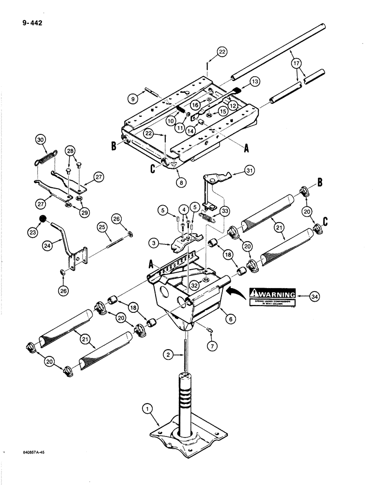
D127369

SUPPORT

suspension seat, used with D127368 adjuster in Figure 9-446 and D127367 seat in Figure 9-436, Includes: Ref. 1 - 34

1шт.

1

N8455

BASE

seat support assembly

1шт.

2

N8454

SHAFT

seat support

1шт.

3

N8339

LATCH

seat swivel

1шт.

4

164-407

HEX SOC SCREW,Btn Hd, 5/16" - 18 x 1/2"

hex socket button head, 5/16" - 18 NC x 1/2", plated, grade 8

2шт.

5

135-84

GROOVED PIN,5/16" x 3/4", Type A

2шт.

6

N9245

SUPPORT

RISER - seat

1шт.

7

219-16

LUBE NIPPLE,5/16" NPTF

straight, 5/16" drive type

1шт.

8

N9246

SLIDE VALVE

SPARE PART seat

1шт.

9

N6958

PIN

slide release

1шт.

10

N8342

SPRING

slide release

1шт.

11

A27795

RING

spring retaining

1шт.

12

N6956

LEVER

HANDLE - slide release

1шт.

13

N13687

GRIP

vinyl

1шт.

14

N6957

SPACER

handle

1шт.

15

131-433

PUSH-ON NUT,Push, 1/4"

push on type, 1/4"

1шт.

16

195-102

WASHER,1/4"

flat, plated

1шт.

17

N6943

TUBE,1.006" OD x 21.1" L

slide

2шт.

18

N6950

TUBE,1.015" ID x 1.1905" OD x 1"

slide tube

4шт.

19

RESERVED

1шт.

20

N14105

CLAMP

plastic

8шт.

21

N6967

BELLOWS

slide tube

4шт.

22

132-52

COTTER PIN,1/8" x 1 1/2"

2шт.

N6934

TUBE

KIT - handle, seat height adjustment, Includes: Ref. 23 - 26

1шт.

23

NSS

NOT SOLD SEPARAT

KNOB - handle

1шт.

24

NSS

NOT SOLD SEPARAT

HANDLE - seat height adjustment

1шт.

25

NSS

NOT SOLD SEPARAT

SHAFT - handle

1шт.

26

131-434

LOCK NUT,Push, 5/16"

push on type, 5/16"

2шт.

27

N6963

LATCH

seat height adjustment

2шт.

28

N6964

PIN,9.53mm OD x 19.05mm L

latch

2шт.

29

131-435

PUSH-ON NUT,Push, 3/8"

2шт.

30

N6970

CATCH

SPRING - latch, seat height adjustment

1шт.

31

N6951

LEVER

control, seat swivel

1шт.

32

131-435

PUSH-ON NUT,Push, 3/8"

1шт.

33

N8341

SPRING

seat swivel, 2-3/8" (60 mm) long, if used

1шт.

34

321-6774

WARNING DECAL

Seat spring compression, See Figure 9-502

1шт.

Выбрано товаров: 36