Запчасти Case 780C (9-476) - CAB REAR WINDSHIELD WIPER (09) - CHASSIS/ATTACHMENTS

Схема запчастей Case 780C - (9-476) - CAB REAR WINDSHIELD WIPER (09) - CHASSIS/ATTACHMENTS
FIT
1:1
100%

Артикул

Название

Примечание

Количество

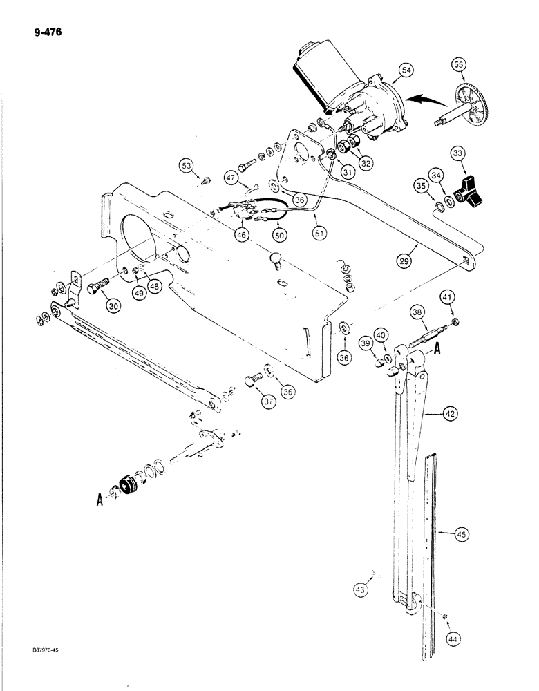
29

F45268

LEVER

wiper positioning

1шт.

30

113-103

BOLT,Hex, 5/16" - 18 x 1", Gr 5

1шт.

31

192-20

LOCK WASHER,Helical Spring, 0.318" ID, CST, ZND

1шт.

32

131-176

LOCK NUT,Prev Torque, Hex, 5/16" - 18, Gr A

Hex

2шт.

33

F63415

KNOB

wiper positioning lever

1шт.

34

195-521

WASHER,5/16", SAE

1шт.

35

193-9

LOCK WASHER,Ext Tooth, 5/16"

1шт.

36

F64046

WASHER,9.91mm ID x 19.05mm OD x 0.76mm Thk

plastic

3шт.

37

111-255

CARRIAGE BOLT,Short NK, 5/16"-18 x 3/4", G5

1шт.

38

F43960

STUD

wiper arm mounting

1шт.

39

129-642

CROWN NUT,Crown, #10-24

dome, hex, No. 10-24 NC, plated

1шт.

40

195-513

WASHER,#10

flat, No. plated

1шт.

41

425-154

JAM NUT,Jam, 1/4"-28, G5

1шт.

42

F45284

ARM

windshield wiper, 17" (432 mm) long, Includes: Ref. 43 and 44

1шт.

43

182-567

SCREW,Sltd Pan Hd, #5-40 x 1/2"

machine, pan head slotted, No. 5-40 NC x 1/2", plated blade attaching

1шт.

44

129-14

NUT,#5-40

Blade attaching

1шт.

45

F43574

WIPER BLADE

BLADE, WIPER windshield, 14" (356 mm) long

1шт.

46

F43348

SWITCH

windshield wiper arm return

1шт.

47

182-575

SCREW,Cross Pan Hd, #4-40 x 3/4"

machine, pan Phillips head, No. 4-40 NC x 3/4", plated

2шт.

48

195-505

WASHER,#4

2шт.

49

131-1409

LOCK NUT,#4-40, GB

2шт.

50

F45354

ELECTRICAL WIRE

WIRE with No. 10 size eyelet, grounds to wiper mounting bracket using Ref. 53 screw, used on models with 24 volt electrical circuit only, wire is part of harness on 12 volt models

1шт.

51

F45272

ELECTRICAL WIRE

WIRE switch to windshield wiper motor

1шт.

52

F45339

DECAL

windshield wiper position, not shown, see Figure 9-502

1шт.

53

187-1088

SELF-TAP SCREW,Hex Wash Hd, #10 x 1/2"

hex washer head, slotted, self-tapping, No. 10 x 1/2", plated, grounds Ref. 50 wire to bracket (Ref. 1)

1шт.

54

F96911

ADAPTER

MOTOR ASSEMBLY - rear windshield wiper, 12 volt, United Technologies No. 48456-24-M012WC, includes Refs. 7, 8, and 55

1шт.

55

N13124

PINION

GEAR - plastic drive

1шт.

Выбрано товаров: 27