Запчасти Case 780C (9-490) - AIR CONDITIONING RETURN LINES, CAB TO COMPRESSOR AND CONDENSOR (09) - CHASSIS/ATTACHMENTS

Схема запчастей Case 780C - (9-490) - AIR CONDITIONING RETURN LINES, CAB TO COMPRESSOR AND CONDENSOR (09) - CHASSIS/ATTACHMENTS
FIT
1:1
100%

Артикул

Название

Примечание

Количество

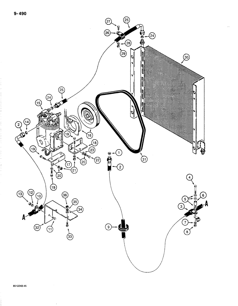
1

22-996

GASKET - copper, 3/4" OD tube

1шт.

2

D131191

HOSE ASSY.

, Serial Range: cab-compressor

1шт.

3

D39138

CLAMP

hose, under floor plate, double-clamp with supply hose

1шт.

4

113-121

BOLT,Hex, 5/16" - 18 x 2", Gr 5

1шт.

5

195-103

WASHER,5/16"

3шт.

6

D36524

BUSHING

clamp

1шт.

7

192-20

LOCK WASHER,Helical Spring, 0.318" ID, CST, ZND

1шт.

8

9635082

NUT,5/16" - 18, Gr 5

1шт.

9

D132291

GROMMET

SPARE PART hoses, in floor plate

1шт.

10

D39138

CLAMP

hose, at chassis loader upright frame

1шт.

11

113-102

BOLT,Hex, 5/16" - 18 x 3/4", Gr 5

1шт.

12

192-20

LOCK WASHER,Helical Spring, 0.318" ID, CST, ZND

1шт.

13

9635082

NUT,5/16" - 18, Gr 5

1шт.

14

222-995

SEALING WASHER,15.88mm ID

copper, 5/8"

1шт.

15

A141060

COMPRESSOR

ASSEMBLY - air conditioning, parts list Figure 9-492

1шт.

15

417888C93

AIRCOND. COMPRESSOR

Compressor Assy., A/C

1шт.

15

1924004C2

REMAN-A/C COMPRESSOR

Reman For New P/N 417888C93

1шт.

15

1924005C1

CORE-A/C COMPRESSOR

Return Number

1шт.

16

REF

INSTRUCTION

CLUTCH ASSEMBLY - compressor, parts list Figure 9-492

1шт.

17

D129556

BRACKET

compressor mounting, lower

1шт.

18

D129557

BRACKET

compressor mounting, upper

1шт.

19

113-209

BOLT,Hex, 3/8" - 16 x 1-1/2", Gr 5

6шт.

20

192-21

LOCK WASHER,3/8"

8шт.

21

129-103

NUT,Hex, 3/8" - 16, Gr 5

4шт.

22

113-207

BOLT,Hex, 3/8" - 16 x 1", Gr 5

2шт.

23

195-525

WASHER,3/8", SAE

2шт.

24

222-994

GASKET,1/2 Tube, Fl, Copper

copper, 1/2"

2шт.

25

L112590

HOSE ASSY.

, Serial Range: compressor-condenser

1шт.

26

D20302

CLAMP,7/8", Insul, 3/8" Bolt

hose to radiator support

1шт.

27

113-207

BOLT,Hex, 3/8" - 16 x 1", Gr 5

1шт.

28

192-21

LOCK WASHER,3/8"

1шт.

29

129-103

NUT,Hex, 3/8" - 16, Gr 5

1шт.

30

A171978

CONDENSER

air conditioning, uses radiator mounting hardware

1шт.

31

S94499

BELT,12.70 mm W x 1352.60 mm L

Drive, Air conditioning compressor

1шт.

32

L111567

BRACKET

air compressor hose, mounts to hydraulic tank

1шт.

33

113-207

BOLT,Hex, 3/8" - 16 x 1", Gr 5

2шт.

34

195-104

WASHER,3/8"

flat, , plated 3/8"

2шт.

35

192-21

LOCK WASHER,3/8"

2шт.

36

129-103

NUT,Hex, 3/8" - 16, Gr 5

2шт.

Выбрано товаров: 39