Запчасти Case 780C (4-078) - L112091 ALTERNATOR, USED ON LOADER BACKHOE WITH 24 VOLT SYSTEM (04) - ELECTRICAL SYSTEMS

Схема запчастей Case 780C - (4-078) - L112091 ALTERNATOR, USED ON LOADER BACKHOE WITH 24 VOLT SYSTEM (04) - ELECTRICAL SYSTEMS
FIT
1:1
100%

Артикул

Название

Примечание

Количество

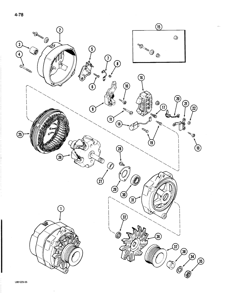
1

L112091

ALTERNATOR

ASSEMBLY - engine, for 24 volt system, Delco-Remy No. 1105537, (Order A167152 alternator and Ref. 36, 37 and 38), Includes: Ref. 2 - 38

1шт.

A47484

ALTERNATOR

Assembly - remanufactued (North America only), Includes: Ref. 2 - 38

1шт.

A47485

CORE-ALTERNATOR

Return Number - Use this part number to return alternator core for credit

1шт.

104021A1R

REMAN-ALTERNATOR

Remanufactured 24 Volt, 35 Amp Alternator

1шт.

104021A1C

CORE-ALTERNATOR

Return Number, 24 Volt, 35 Amp Alternator

1шт.

104260A1R

REMAN-ALTERNATOR

Remanufactured 24 Volt, 40 Amp Alternator

1шт.

104260A1C

CORE-ALTERNATOR

Return Number, 24 Volt, 40 Amp Alternator

1шт.

A167152

ALTERNATOR

ASSEMBLY - engine, Delco-Remy No. 1105510, service only, if used, Includes: Ref. 2 - 35

1шт.

2

A47595

FRAME

ASSEMBLY - slip ring end

1шт.

3

A47578

ROLLER BEARING,0.6694" ID x 0.937" OD x 0.73"

frame

1шт.

4

163-6

SCREW,Hex, #10 - 24 x 1 3/4"

through, hex, No. 10-24 x 1-3/4 inch

4шт.

5

A49732

REGULATOR

voltage

1шт.

6

A47043

SCREW,#8 - 32 x 21"

brush holder grounded

1шт.

7

A45369

ELECTRICAL WIRE

WIRE LEAD -, Serial Range: stud-bridge

1шт.

8

A45368

NUT

terminal

1шт.

9

A47042

HOLDER

ASSEMBLY - brush

1шт.

A47987

BRUSH, COMMUTATOR

BRUSH alternator

2шт.

10

A45223

SCREW,Spcl, #8 - 32 x 1 1/8"

brush holder, insulated

2шт.

11

A47581

SCREW,#8 - 32 x 1.43"

brush holder, retaining

1шт.

15

A47597

TERMINAL CONNECTOR

KIT - battery

1шт.

16

A46942

ELEC CONNECTOR

RECTIFIER BRIDGE - alternator

1шт.

17

A45221

SCREW,Hex Wshr Hd, #8 - 32 x 0.99"

bridge retaining

1шт.

18

A47734

CAPACITOR

alternator

1шт.

19

A45228

SELF-TAP SCREW,Hex Wash Hd, #8-32 x .59", Spc

capacitor bracker

2шт.

20

A46931

TERMINAL CONNECTOR

relay

1шт.

21

A48339

DIODE

trio

1шт.

22

129-16

NUT,#8-32

hex flange, jam, 1/4 inch NF

3шт.

25

A49388

STATOR

ASSEMBLY - alternator

1шт.

26

A46945

ROTOR

ASSEMBLY - alternator

1шт.

27

A48261

COLLAR

rotor shaft, inner

1шт.

28

A46941

SCREW,Hex Washer, #10 - 24 x 0.52"

bearing plate retaining

3шт.

29

R15101

PLATE

bearing retainer

1шт.

30

A49389

BEARING ASSY

ball, drive end

1шт.

31

A49174

CAP

FRAME - drive end

1шт.

32

A49733

COLLAR

rotor shaft, outer

1шт.

34

R61671

WASHER - lock, pulley nut

1шт.

35

A25546

NUT

pulley and fan retaining

1шт.

36

A43384

FAN

alternator ventilating

1шт.

37

J908560

PULLEY

alternator

1шт.

38

J908563

RETAINER

alternator pulley

1шт.

Выбрано товаров: 0