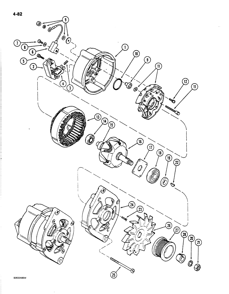
Запчасти Case 780C (4-082) - A186125 ALTERNATOR, USED ON MODELS WITH 12 VOLT ELECTRICAL CIRCUIT (04) - ELECTRICAL SYSTEMS

Схема запчастей Case 780C - (4-082) - A186125 ALTERNATOR, USED ON MODELS WITH 12 VOLT ELECTRICAL CIRCUIT (04) - ELECTRICAL SYSTEMS
FIT
1:1
100%

Артикул

Название

Примечание

Количество

A186125

ALTERNATOR

ASSEMBLY - engine, for 12 volt system, 65 ampere, Includes: Ref. 3 - 28

1шт.

AR186125GV

ALTERNATOR

Value

1шт.

AR186125

REMAN-ALTERNATOR

Reman For New PN A186125

1шт.

AC186125

CORE-ALTERNATOR

Return Number

1шт.

104021A1R

REMAN-ALTERNATOR

Remanufactured 24 Volt, 35 Amp Alternator

1шт.

104021A1C

CORE-ALTERNATOR

Return Number, 24 Volt, 35 Amp Alternator

1шт.

104260A1R

REMAN-ALTERNATOR

Remanufactured 24 Volt, 40 Amp Alternator

1шт.

104260A1C

CORE-ALTERNATOR

Return Number, 24 Volt, 40 Amp Alternator

1шт.

AR187873

REMAN-ALTERNATOR

Reman For New PN A186125

1шт.

AC187873

CORE-ALTERNATOR

Return Number

1шт.

3

A186187

HOUSING

collector ring end

1шт.

4

A186189

REGULATOR

voltage, Includes: Ref. 5 - 6

1шт.

5

NSS

NOT SOLD SEPARAT

SPRING - compression

2шт.

6

NSS

NOT SOLD SEPARAT

BRUSH ASSEMBLY - alternator

1шт.

7

A186194

SCREW,M4 x 18mm

Regulator retaining

2шт.

8

NSS

NOT SOLD SEPARAT

KIT - terminal (Order 3079135R1)

1шт.

9

A186195

CAPACITOR

alternator

1шт.

10

625589C1

SCREW,Slot Cheese Hd, M5 x .8 x 10, 8.8

capacitor retaining

1шт.

11

A186196

WASHER

retaining bolt

1шт.

14

A186197

RECTIFIER

BRIDGE - alternator

1шт.

15

A186188

SCREW

ASSEMBLY - rectifier bridge retaining, with washer

3шт.

16

A186192

STATOR

ASSEMBLY - alternator

1шт.

17

NSS

NOT SOLD SEPARAT

O-RING - bearing (Order 3079386R1)

1шт.

18

A186186

BALL BEARING,12mm ID x 32mm OD x 10mm W

ball

1шт.

19

A186185

RING

collector

1шт.

20

A186184

ROTOR

ASSEMBLY - alternator

1шт.

21

NSS

NOT SOLD SEPARAT

KEY - rotor (Order 3078897R1 kit)

1шт.

24

NSS

NOT SOLD SEPARAT

PLATE - bearing retaining (Order 3078379R1)

1шт.

25

A186183

BALL BEARING,17 mm ID x 47 mm OD x 14 mm

ball, drive end

1шт.

26

A186182

HOUSING

drive end

1шт.

27

NSS

NOT SOLD SEPARAT

KIT - rotor retaining (Order 3078897R1)

1шт.

28

A186193

BOLT,Pan, Cross Recess Phillips, M5 x 110mm

alternator retaining

4шт.

30

221425R1

FAN

alternator

1шт.

32

J908560

PULLEY

drive

1шт.

33

J908563

RETAINER

pulley

1шт.

Выбрано товаров: 0