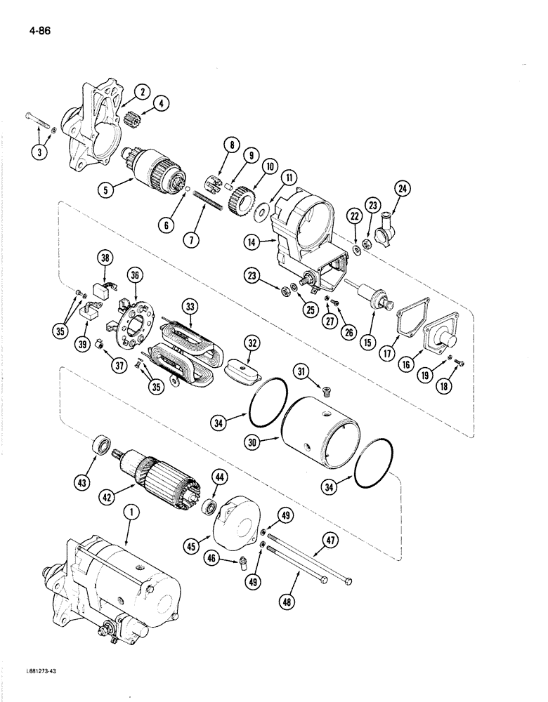
Запчасти Case 780C (4-086) - STARTER, USED ON LOADER BACKHOE WITH 12 VOLT SYSTEM (04) - ELECTRICAL SYSTEMS

Схема запчастей Case 780C - (4-086) - STARTER, USED ON LOADER BACKHOE WITH 12 VOLT SYSTEM (04) - ELECTRICAL SYSTEMS
FIT
1:1
100%

Артикул

Название

Примечание

Количество

1

A186247

STARTING MOTOR

ASSEMBLY - engine, 12 volt (Used in production, for service order A187615), Includes: Ref. 2 - 49

1шт.

1

A187615

STARTING MOTOR

ASSEMBLY - engine, 12 volt, Nippondensa No. 128000-5620, Includes: Ref. 2 - 49

1шт.

1

116928A2R

REMAN-STARTER

Remanufactured Starter 12 volt, 3.0KW

1шт.

1

116928A2C

CORE-STARTER

Return Number, Starter 12 volt, 3.0KW

1шт.

2

A187708

HOUSING

starter

1шт.

3

A47129

CAPTIVE WASHER SCREW

WASHER ASSEMBLY - housing retaining

3шт.

A47229

O-RING,2.4mm Thk x 47.2mm ID

, Serial Range: housing-clutch

1шт.

4

A49809

PINION

GEAR

1шт.

5

A187709

CLUTCH

ASSEMBLY - starter

1шт.

6

211-10

BALL

steel, 3/8 inch OD

1шт.

7

A47232

SPRING

compression

1шт.

8

A47236

RETAINER

roller bearing

1шт.

9

NSS

NOT SOLD SEPARAT

ROLLER - pinion bearing

5шт.

10

A49810

GEAR

pinion idler

1шт.

11

A47234

WASHER

thrust

1шт.

14

A187707

SWITCH

ASSEMBLY - magnetic, Includes: Ref. 15 - 19

1шт.

15

NSS

NOT SOLD SEPARAT

SOLENOID - starter

1шт.

16

NSS

NOT SOLD SEPARAT

COVER - solenoid

1шт.

17

NSS

NOT SOLD SEPARAT

GASKET - solenoid cover

1шт.

18

NSS

NOT SOLD SEPARAT

BOLT - cover retaining

3шт.

19

NSS

NOT SOLD SEPARAT

WASHER - retaining

3шт.

22

A10454

WAVE WASHER

terminal

1шт.

23

825-110

NUT

terminal, hex, M10 x 1.5

2шт.

24

A49805

COVER

terminal

1шт.

25

892-1010

LOCK WASHER,M10

terminal

1шт.

26

A46950

SCREW,M5 x 0.8 x 0.8mm

terminal

1шт.

27

892-1005

LOCK WASHER

WASHER - terminal screw

1шт.

30

NSS

NOT SOLD SEPARAT

HOUSING - starter field, Includes: Ref. 31 - 33

1шт.

31

NSS

NOT SOLD SEPARAT

SCREW - pole shoes

4шт.

32

NSS

NOT SOLD SEPARAT

SHOE - pole

4шт.

33

NSS

NOT SOLD SEPARAT

COIL - field

1шт.

34

A49812

SEAL

housing

2шт.

35

A47244

CAPTIVE WASHER SCREW,Cross Pan Hd, M5 x 0.8 x 8mm

WASHER ASSEMBLY - brush retaining

4шт.

36

A49806

BRUSH HOLDER

ASSEMBLY, Includes: Ref. 37

1шт.

37

A47249

SPRING

brush tension

4шт.

38

A49807

COMMUTATOR BRUSH

ASSEMBLY - starter

2шт.

39

A49808

COMMUTATOR BRUSH

ASSEMBLY - starter

2шт.

42

NSS

NOT SOLD SEPARAT

ARMATURE ASSEMBLY - starter

1шт.

43

A49800

BALL BEARING,15 mm ID x 35 mm OD x 11 mm

armature, 15 x 35 x 11 mm

1шт.

44

A47248

BALL BEARING

armature, 10 x 30 x 9 mm

1шт.

45

A49811

COVER ASSY

FRAME - commutator end

1шт.

46

A49803

BREATHER

COVER - frame end

1шт.

47

A49813

BOLT

through, hex, M7 x 208 mm

1шт.

48

A49814

BOLT

through, hex, M7 x 146 mm

1шт.

49

A49815

LOCK WASHER

through bolt

2шт.

Выбрано товаров: 0