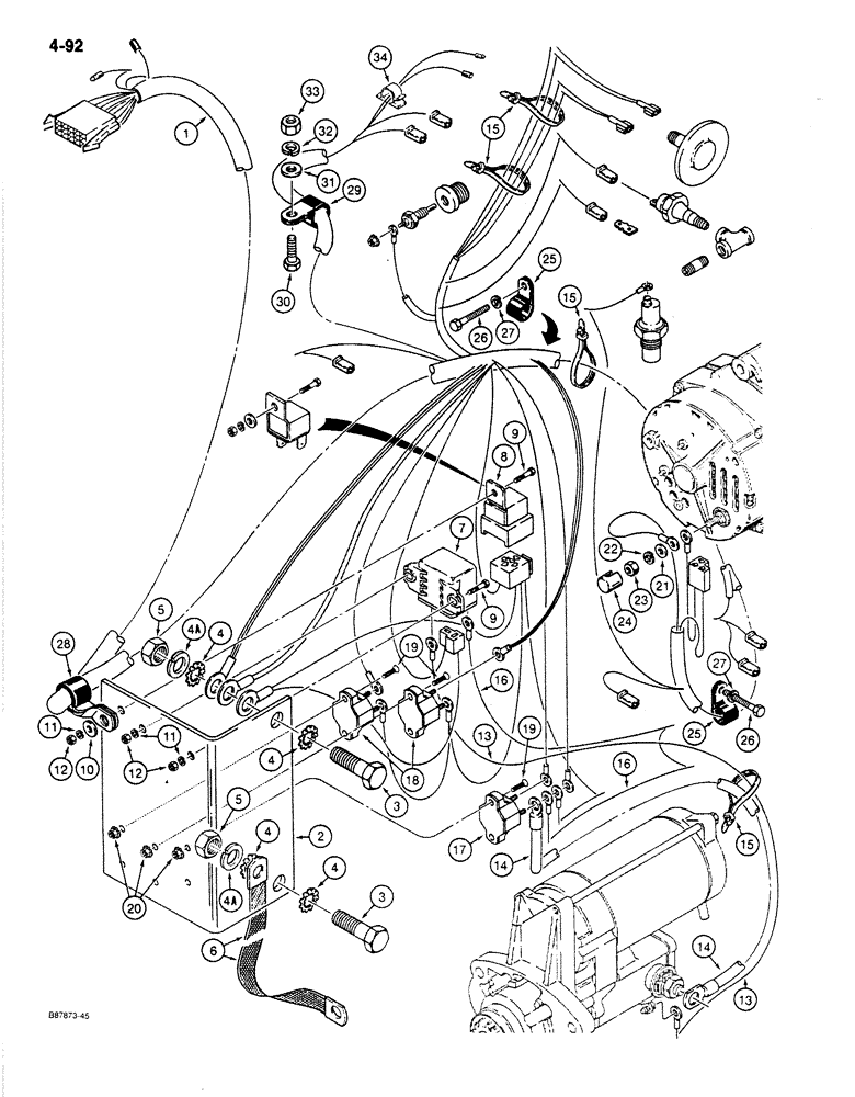
Запчасти Case 780C (4-092) - 24 VOLT ELECTRICAL CIRCUIT, FRONT HARNESS AND CONNECTIONS (04) - ELECTRICAL SYSTEMS

Схема запчастей Case 780C - (4-092) - 24 VOLT ELECTRICAL CIRCUIT, FRONT HARNESS AND CONNECTIONS (04) - ELECTRICAL SYSTEMS
FIT
1:1
100%

Артикул

Название

Примечание

Количество

1

D131261

HARNESS

front, used on models with Delco-Remy alternator, for service order D137516 harness kit (Refs. 49-52) in Figure 4-94

1шт.

1a

D136816

HARNESS

front, used on models with Bosch alternator, not shown, for service order D137516 harness kit (Refs. 49-52) in Figure 4-94

1шт.

2

D131267

BRACKET

relay and circuit breaker

1шт.

3

113-412

BOLT,Hex, 1/2" - 13 x 1-3/4", Gr 5

2шт.

4

193-87

LOCK WASHER,Ext-Int Tooth, 1/2"

4шт.

4a

192-23

LOCK WASHER,1/2"

2шт.

5

129-105

NUT,Hex, 1/2" - 13, Gr 5

2шт.

6

D127106

STRAP

ground, starter to chassis frame

1шт.

7

L115883

RELAY

starter, magnetic switch

1шт.

8

L114539

RELAY

cab, magnetic switch, no longer available, for service order L118429 relay, 182-127 screw, 192-18 lock washer, 95-3 flat washer, and 129-17 nut (items 44-48) in Figure 4-94

1шт.

9

113-3

BOLT,Hex, 1/4" - 20 x 3/4", Gr 5

2-3шт.

10

195-102

WASHER,1/4"

flat, plated, cab relay only, if used

1шт.

11

192-19

LOCK WASHER,Helical Spring, 0.256" ID, CST, ZND

2-3шт.

12

7770

NUT,Hex, 1/4 - 20, Cl 5

2-3шт.

13

D131303

ELECTRICAL WIRE

WIRE starter to starter relay

1шт.

14

D131302

CABLE PULLING GRIP

starter to 20 ampere circuit breaker

1шт.

15

L18337

CABLE TIE,9.95"-12.1" lg

CABLE STRAP tie, 15 inch, nylon

1шт.

16

D131274

ELECTRICAL WIRE

WIRE starter relay to 20 ampere circuit breaker

1шт.

17

L115179

BREAKER

circuit, 20 ampere

1шт.

18

L114199

BREAKER

circuit, 30 ampere

2шт.

19

182-129

SCREW,Sl Pan Hd, #10 - 24 x 1"

machine, pan head slotted, No. 10-24 NC x 1", circuit breaker

6шт.

20

193-1004

NUT,Keps, #10 - 24, w/ Ext Tooth LW

ASSEMBLY - includes lock washer, No. 10-24 NC, plated

6шт.

21

195-516

WASHER,#12

Flat, harness at alternator

1шт.

22

892-1106

LOCK WASHER,M6

1шт.

23

825-1106

NUT,Hex, M6, Cl 8

1шт.

24

L106774

CAP

alternator output

1шт.

25

49836

CLAMP

harness

3шт.

26

814-12025

BOLT,Hex, M12 x 1.75 x 25mm, Cl 8.8, Full Thd

3шт.

27

892-1112

LOCK WASHER,M12

3шт.

28

L100108

CLAMP

1/2", used existing cab relay mounting hardware

1шт.

29

49859

CLAMP

harness

2шт.

30

113-207

BOLT,Hex, 3/8" - 16 x 1", Gr 5

2шт.

31

195-104

WASHER,3/8"

flat, , plated 3/8"

2шт.

32

192-21

LOCK WASHER,3/8"

2шт.

33

129-103

NUT,Hex, 3/8" - 16, Gr 5

2шт.

34

L100659

CLIP

harness, at air cleaner and hydrualic oil filter

1шт.

Выбрано товаров: 0