Запчасти Case 780C (4-112) - 24 VOLT TRACTOR LAMP ELECTRICAL CIRCUIT, WITH CANOPY (04) - ELECTRICAL SYSTEMS

Схема запчастей Case 780C - (4-112) - 24 VOLT TRACTOR LAMP ELECTRICAL CIRCUIT, WITH CANOPY (04) - ELECTRICAL SYSTEMS
FIT
1:1
100%

Артикул

Название

Примечание

Количество

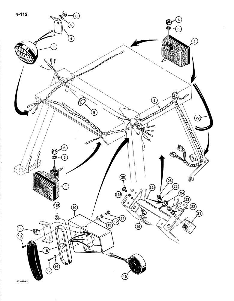
1

F96876

LAMP

ASSEMBLY - front driving and rear flood, 3 used on models without flashers, 4 used on models with flashers, parts list Figure 4-120

3-4шт.

4

D90092

RETAINER

stop and tail lamp

1шт.

5

193-87

LOCK WASHER,Ext-Int Tooth, 1/2"

4шт.

6

129-145

JAM NUT,Jam, 1/2"-13, G5

4шт.

7

L104605

LAMP

ASSEMBLY - stop and tail, left rear, used on models without flasher lamps only, see Refs. 14 and 18 on this Figure, parts list Figure 4-122

1шт.

8

L103688

HARNESS

ROPS canopy

1шт.

9

205-72

HOLE PLUG BUTTON,3"

button, , access 3"

2шт.

10

D120124

BRACKET

side lamps, if used

2шт.

11

113-103

BOLT,Hex, 5/16" - 18 x 1", Gr 5

4шт.

12

192-20

LOCK WASHER,Helical Spring, 0.318" ID, CST, ZND

4шт.

13

195-103

WASHER,5/16"

4шт.

14

131-636

SPRING NUT,J, Ret, 5/16"-18

J-type, 5/16" - 18 NC

4шт.

15

D126642

LAMP BASE

ASSEMBLY - turn signal and flasher, if used, parts list Figure 4-124

2шт.

15a

129-165

JAM NUT,Jam, 1/2"-20, G5

2шт.

16

192-18

LOCK WASHER,Helical Spring, #10, 0.196" ID, CST, ZND

4шт.

17

187-1917

SELF-TAP SCREW,Pan Hd, #8-16 x 5/8"

pan head, self-tapping, No. 8 x 5/8", plated

4шт.

18

D126641

LAMP

ASSEMBLY - stop and tail, if used, see Ref. 7 above, parts list Figure 4-122

2шт.

19

D74330

SWITCH

flasher, see Figure 4-102 for front and rear lamp switches, Includes: Ref. 19A

1шт.

19a

N7557

NUT

special, 3/8" - 24 NF, switch retaining

1шт.

20

D88134

KNOB

flasher switch

1шт.

21

L101702

INDICATOR LIGHT

SWITCH - turn

1шт.

22

193-98

LOCK WASHER,Ext Tooth, 3/4"

1шт.

23

D91352

JAM NUT

special

1шт.

24

A141736

KNOB

turn signal switch

1шт.

25

182-567

SCREW,Sltd Pan Hd, #5-40 x 1/2"

machine, pan head slotted, No. 5-40 NC x 1/2", plated

1шт.

25a

193-3

LOCK WASHER,Int Tooth, #5

external tooth lock, No. 5, plated

1шт.

26

A160035

PLATE

knob, turn signal switch inset

1шт.

27

L105943

HOSE ASSY.

harness cover

1шт.

Выбрано товаров: 0