Запчасти Case 780C (4-128) - 12 VOLT HORN (04) - ELECTRICAL SYSTEMS

Схема запчастей Case 780C - (4-128) - 12 VOLT HORN (04) - ELECTRICAL SYSTEMS
FIT
1:1
100%

Артикул

Название

Примечание

Количество

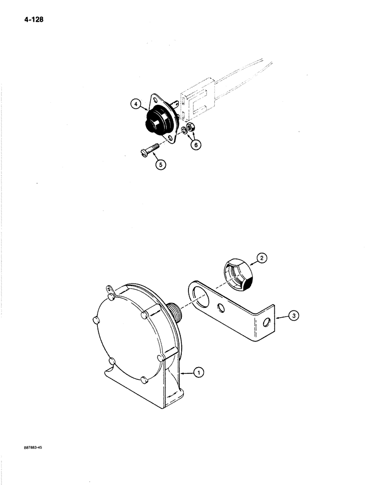
1

D123205

HORN

12 volt

1шт.

2

L30866

LOCK NUT

horn mounting

1шт.

3

D136410

BRACKET

horn mounting

1шт.

4

D67872

SWITCH

push button, horn

1шт.

5

182-528

SCREW,Sl Pan Hd, #10 - 32 x 1/2"

machine, pan head slotted, No. 10-32 NF x 1/2", plated

2шт.

6

193-1000

NUT,Keps, w/LW,#10-32

ASSEMBLY - includes lock washer, No. 10-32 NF, plated

2шт.

Выбрано товаров: 0